电脑桌面
添加小米粒文库到电脑桌面
安装后可以在桌面快捷访问

地表水技术导则与标准(修改)VIP免费

地表水技术导则与标准(修改)_第1页
1/36
地表水技术导则与标准(修改)_第2页
2/36
地表水技术导则与标准(修改)_第3页
3/36
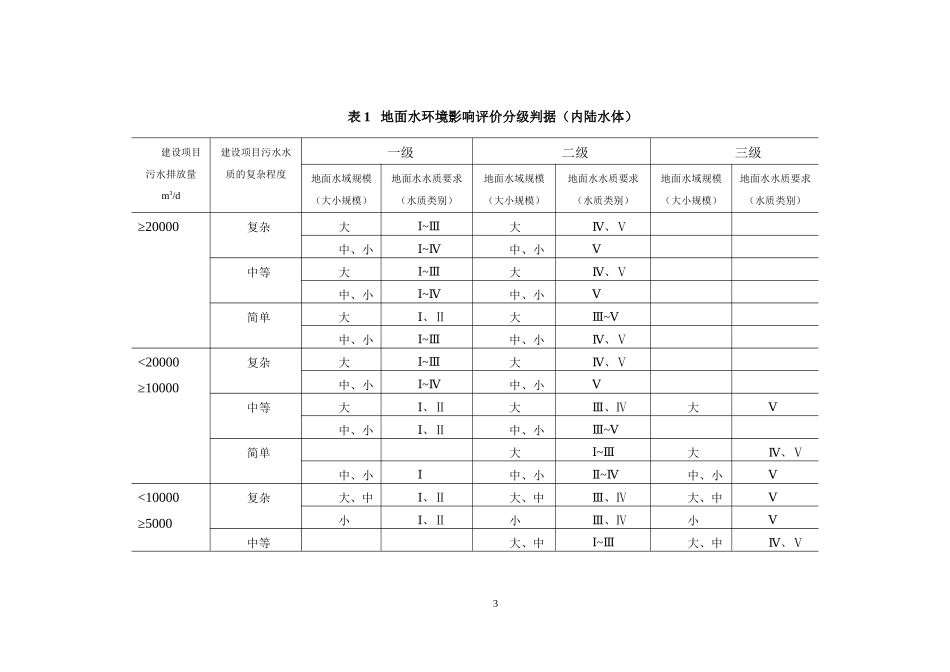
第四章地表水环境影响评价技术导则与相关水环境标准第一节环境影响评价技术导则—地面水一、概述《环境影响评价技术导则—地面水》规定了建设项目环境影响评价的一般性原则、方法、内容及要求。适用于厂矿企业、事业单位建设项目的环境影响评价工作,其它建设项目的环境影响评价工作也可参照本导则所规定的原则和方法进行。地面水指存在于陆地表面的各种河流(包括河口)、湖泊、水库。考虑到地面水与海洋之间的联系,在本导则中还包括了有关海湾(包括海岸带)的部分内容。地面水环境影响评价工作分为三级。对于不同级别的地面水环境影响评价,环境现状调查、环境影响预测和评价等相应的技术要求有所不同。低于第三级地面水环境影响评价条件的建设项目,不必进行地面水环境影响评价,要求进行简单的水环境影响分析。在《全国环境影响评价工程师职业资格考试大纲》(2005年版)中,将“评价等级”、“地面水环境现状调查”、“地面水环境影响预测”、“地面水环境影响评价”中有关基本原则和主要工作内容按掌握、熟悉、了解三个层次作出了要求。本节主要根据《考试大纲》的要求内容,按照《环境影响评价技术导则—地面水》进行编写。二、评价等价与评价范围(一)评价工作等级的分级根据建设项目的污水排放量、污水水质的复杂程度、受纳水域的规模以其水质要求进行地面水环境影响评价工作级别的划分。评价工作等级分为三级,一级评价最详细,二级次之,三级较简略。内陆水体的分级判据见表1。海湾环境影响评价分级判据见表2。(二)、分级判据的基本内容1、污水量污水排放量Q(m3/d)划分为5个等级:(1)Q≥20000;(2)20000>Q≥10000;(3)10000>Q≥5000;(4)5000>Q≥1000;(5)1000>Q≥200。1污水排放量中不包括间接冷却水、循环水以及其它含污染物极少的清净下水的排放量,但包括含热量大的冷却水的排放量。2、污染物分类根据污染物在水环境中输移、衰减特点以及它们的预测模式,将污染物分为四类。(1)持久性污染物(其中还包括在水环境中难降解、毒性大、易长期积累的有毒物质);(2)非持久性污染物;(3)酸和碱(以pH表征);(4)热污染(以温度表征)。3、污水水质的复杂程度污水水质的复杂程度按污水中拟预测的污染物类型以及某类污染物中水质参数的多少划分为复杂、中等和简单三类。复杂:污染物类型数≥3,或者只含有两类污染物,但需预测其浓度的水质参数数目≥10;中等:污染物类型数=2,且需预测其浓度的水质参数数目<10;或者只含有一类污染物,但需预测其浓度的水质参数数目≥7;简单:污染物类型数=1,需预测浓度的水质参数数目<7。2表1地面水环境影响评价分级判据(内陆水体)建设项目污水排放量m3/d建设项目污水水质的复杂程度一级二级三级地面水域规模(大小规模)地面水水质要求(水质类别)地面水域规模(大小规模)地面水水质要求(水质类别)地面水域规模(大小规模)地面水水质要求(水质类别)≥20000复杂大~ⅠⅢ大Ⅳ、Ⅴ中、小~ⅠⅣ中、小Ⅴ中等大~ⅠⅢ大Ⅳ、Ⅴ中、小~ⅠⅣ中、小Ⅴ简单大Ⅰ、Ⅱ大~ⅢⅤ中、小~ⅠⅢ中、小Ⅳ、Ⅴ<20000≥10000复杂大~ⅠⅢ大Ⅳ、Ⅴ中、小~ⅠⅣ中、小Ⅴ中等大Ⅰ、Ⅱ大Ⅲ、Ⅳ大Ⅴ中、小Ⅰ、Ⅱ中、小~ⅢⅤ简单大~ⅠⅢ大Ⅳ、Ⅴ中、小Ⅰ中、小~ⅡⅣ中、小Ⅴ<10000≥5000复杂大、中Ⅰ、Ⅱ大、中Ⅲ、Ⅳ大、中Ⅴ小Ⅰ、Ⅱ小Ⅲ、Ⅳ小Ⅴ中等大、中~ⅠⅢ大、中Ⅳ、Ⅴ3建设项目污水排放量m3/d建设项目污水水质的复杂程度一级二级三级地面水域规模(大小规模)地面水水质要求(水质类别)地面水域规模(大小规模)地面水水质要求(水质类别)地面水域规模(大小规模)地面水水质要求(水质类别)小Ⅰ小~ⅡⅣ小Ⅴ简单大、中Ⅰ、Ⅱ大、中~ⅢⅤ小~ⅠⅢ小Ⅳ、Ⅴ<5000≥1000复杂大、中~ⅠⅢ大、中Ⅳ、Ⅴ小Ⅰ小~ⅡⅣ小Ⅴ中等大、中Ⅰ、Ⅱ大、中~ⅢⅤ小~ⅠⅢ小Ⅳ、Ⅴ简单大、中~ⅠⅣ小Ⅰ小~ⅡⅤ<1000≥200复杂大、中~ⅠⅣ小~ⅠⅤ中等大、中~ⅠⅣ小~ⅠⅤ简单中、小~ⅠⅣ4表2海湾环境影响评价分级判据污水排放量m3/d污水水质的复杂程度一级二级三级≥20000复杂各类海湾中等各类海湾简单小型封闭海湾其它各类海湾<20000≥5000复杂小型封闭海...

1、当您付费下载文档后,您只拥有了使用权限,并不意味着购买了版权,文档只能用于自身使用,不得用于其他商业用途(如 [转卖]进行直接盈利或[编辑后售卖]进行间接盈利)。
2、本站所有内容均由合作方或网友上传,本站不对文档的完整性、权威性及其观点立场正确性做任何保证或承诺!文档内容仅供研究参考,付费前请自行鉴别。
3、如文档内容存在违规,或者侵犯商业秘密、侵犯著作权等,请点击“违规举报”。

碎片内容

地表水技术导则与标准(修改)

确认删除?
VIP
微信客服
  • 扫码咨询
会员Q群
  • 会员专属群点击这里加入QQ群
客服邮箱
回到顶部