电脑桌面
添加小米粒文库到电脑桌面
安装后可以在桌面快捷访问

工艺组长职位说明书VIP免费

工艺组长职位说明书_第1页
1/4
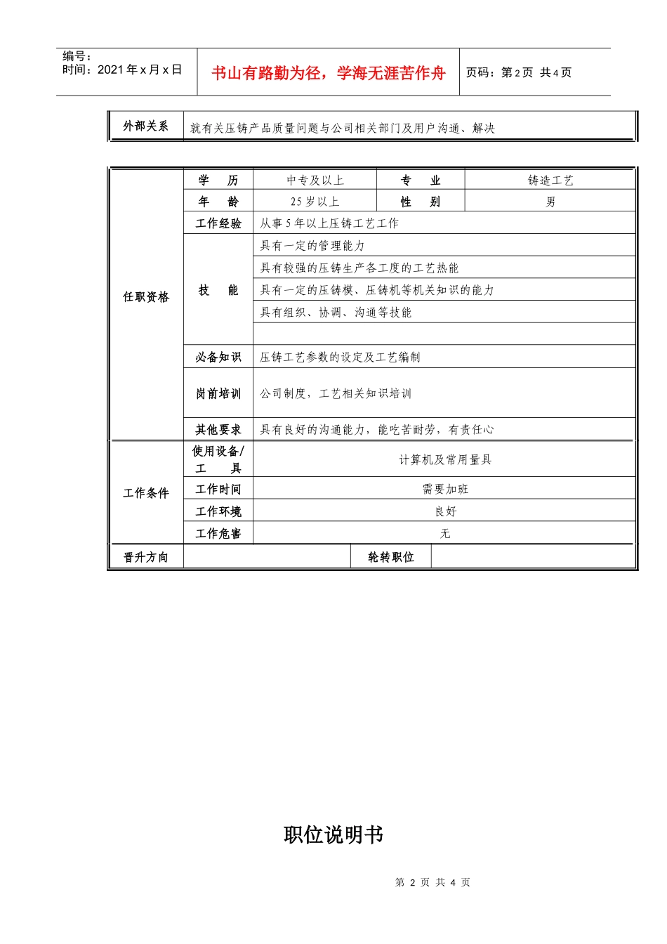
工艺组长职位说明书_第2页
2/4
工艺组长职位说明书_第3页
3/4
第1页共4页编号:时间:2021年x月x日书山有路勤为径,学海无涯苦作舟页码:第1页共4页工艺组长职位说明书基本情况职位名称工艺组长职位编号所属部门压铸车间直接上级职位编制职系工艺直接下级所辖人数编制人彭晓明审核人职位概要负责压铸车间生产现场,压铸工艺的控制及监督执行,负责压铸车间压铸产品的质量控制,负责工艺组全面工作工作职责与工作任务:1、负责现有压铸产品压铸工艺的正确编制2、监督压铸操作者严格按压铸工艺操作3、负责对压铸车间工艺组技能培训、指导4、负责对压铸车间压铸操作者技能、质量控制知识方面的培训5、负责压铸产品有关质量问题的沟通、联络及提出解决方案6、负责压铸车间IS16949质量体系的推进工作7、负责压铸车间压铸产品质量控制工作8、完成上级领导临时安排的其他工作工作职权对压铸工艺组所有员工的监督、考核权对压铸车间所有操作者严格执行工艺要求的监督考核权工作协作关系:内部关系汇报不定期向直接上级汇报工作情况督导不定期督查压铸工艺及质量控制的执行情况协调与车间内部各班组衔接、协调有关工作第2页共4页第1页共4页编号:时间:2021年x月x日书山有路勤为径,学海无涯苦作舟页码:第2页共4页外部关系就有关压铸产品质量问题与公司相关部门及用户沟通、解决任职资格学历中专及以上专业铸造工艺年龄25岁以上性别男工作经验从事5年以上压铸工艺工作技能具有一定的管理能力具有较强的压铸生产各工度的工艺热能具有一定的压铸模、压铸机等机关知识的能力具有组织、协调、沟通等技能必备知识压铸工艺参数的设定及工艺编制岗前培训公司制度,工艺相关知识培训其他要求具有良好的沟通能力,能吃苦耐劳,有责任心工作条件使用设备/工具计算机及常用量具工作时间需要加班工作环境良好工作危害无晋升方向轮转职位职位说明书第3页共4页第2页共4页编号:时间:2021年x月x日书山有路勤为径,学海无涯苦作舟页码:第3页共4页基本情况职位名称职位编号所属部门直接上级职位编制职系直接下级所辖人数编制人审核人职位概要为稳定、提高产品质量提供模具保证工作职责与工作任务:工作职权工作协作关系:内部关系汇报督导协调外部关系第4页共4页第3页共4页编号:时间:2021年x月x日书山有路勤为径,学海无涯苦作舟页码:第4页共4页任职资格学历专业年龄性别工作经验技能必备知识岗前培训其他要求工作条件使用设备/工具工作时间工作环境工作危害晋升方向轮转职位

1、当您付费下载文档后,您只拥有了使用权限,并不意味着购买了版权,文档只能用于自身使用,不得用于其他商业用途(如 [转卖]进行直接盈利或[编辑后售卖]进行间接盈利)。
2、本站所有内容均由合作方或网友上传,本站不对文档的完整性、权威性及其观点立场正确性做任何保证或承诺!文档内容仅供研究参考,付费前请自行鉴别。
3、如文档内容存在违规,或者侵犯商业秘密、侵犯著作权等,请点击“违规举报”。

碎片内容

工艺组长职位说明书

确认删除?
VIP
微信客服
  • 扫码咨询
会员Q群
  • 会员专属群点击这里加入QQ群
客服邮箱
回到顶部