电脑桌面
添加小米粒文库到电脑桌面
安装后可以在桌面快捷访问

汽车发动机构造与维修-深圳职业技术学院VIP免费

汽车发动机构造与维修-深圳职业技术学院_第1页
1/6
汽车发动机构造与维修-深圳职业技术学院_第2页
2/6
汽车发动机构造与维修-深圳职业技术学院_第3页
3/6
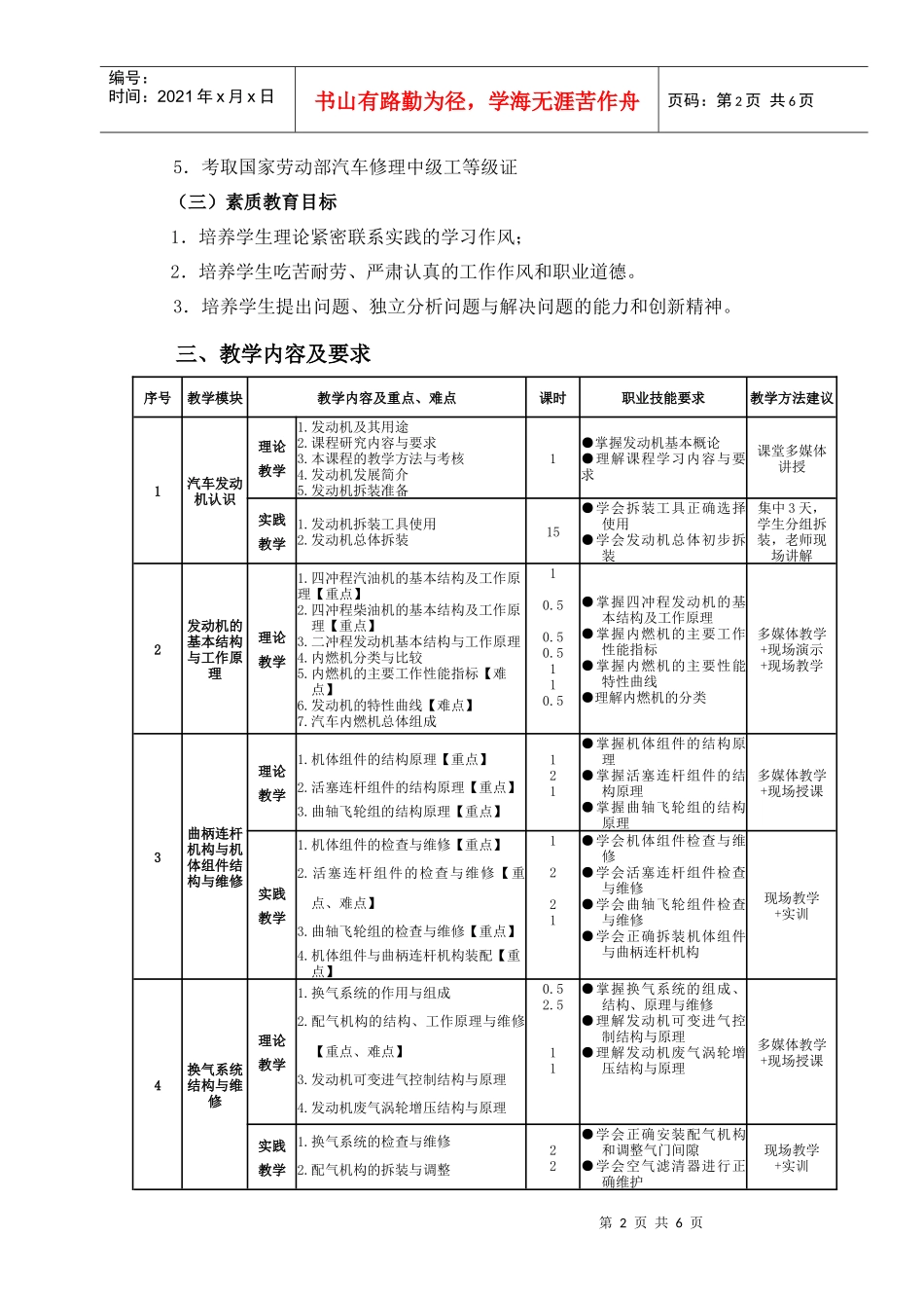
《汽车发动机构造与维修》教学大纲(汽车技术服务与营销专业用)广州珠江职业技术学院2009.12第1页共6页编号:时间:2021年x月x日书山有路勤为径,学海无涯苦作舟页码:第1页共6页课程编码大纲制订人大纲制订日期大纲审定人大纲审定日期11206蔡兴旺2009.12《汽车发动机构造与维修》教学大纲学分:6学时:96(其中实践56课时)适用专业:汽车技术服务与营销一、课程性质与任务1.课程的性质:专业必修技能课程。2.课程的任务:传授有关汽车发动机构造、工作原理和维修等知识,培养学生对汽车发动机进行拆装和维修的技能。3.前导课程:《机械制图》、《电工电子基础》、《机械基础》等。4.后续课程:《汽车底盘构造与维修》、《汽车电器设备构造与维修》、《汽车检测技术》、《汽车故障诊断与排除》等。二、课程目标(一)知识教学目标1.掌握汽车发动机的基本结构、工作原理及分类;2.掌握汽车发动机各系统的作用、结构与工作原理;3.掌握汽车发动机的主要性能指标及评价;4.理解汽车发动机维修基本理论与方法5.知道国内外汽车发动机发展状况。(二)技能培养目标1.学会汽车发动机的正确拆卸与安装;2.学会汽车发动机的主要零部件的检查与调整;3.学会汽车发动机的主要零部件的维修方法;4.学会汽车拆装工具、测量仪器和修理设备的正确使用。第2页共6页第1页共6页编号:时间:2021年x月x日书山有路勤为径,学海无涯苦作舟页码:第2页共6页5.考取国家劳动部汽车修理中级工等级证(三)素质教育目标1.培养学生理论紧密联系实践的学习作风;2.培养学生吃苦耐劳、严肃认真的工作作风和职业道德。3.培养学生提出问题、独立分析问题与解决问题的能力和创新精神。三、教学内容及要求序号教学模块教学内容及重点、难点课时职业技能要求教学方法建议1汽车发动机认识理论教学1.发动机及其用途2.课程研究内容与要求3.本课程的教学方法与考核4.发动机发展简介5.发动机拆装准备1●掌握发动机基本概论●理解课程学习内容与要求课堂多媒体讲授实践教学1.发动机拆装工具使用2.发动机总体拆装15●学会拆装工具正确选择使用●学会发动机总体初步拆装集中3天,学生分组拆装,老师现场讲解2发动机的基本结构与工作原理理论教学1.四冲程汽油机的基本结构及工作原理【重点】2.四冲程柴油机的基本结构及工作原理【重点】3.二冲程发动机基本结构与工作原理4.内燃机分类与比较5.内燃机的主要工作性能指标【难点】6.发动机的特性曲线【难点】7.汽车内燃机总体组成10.50.50.5110.5●掌握四冲程发动机的基本结构及工作原理●掌握内燃机的主要工作性能指标●掌握内燃机的主要性能特性曲线●理解内燃机的分类多媒体教学+现场演示+现场教学3曲柄连杆机构与机体组件结构与维修理论教学1.机体组件的结构原理【重点】2.活塞连杆组件的结构原理【重点】3.曲轴飞轮组的结构原理【重点】121●掌握机体组件的结构原理●掌握活塞连杆组件的结构原理●掌握曲轴飞轮组的结构原理多媒体教学+现场授课实践教学1.机体组件的检查与维修【重点】2.活塞连杆组件的检查与维修【重点、难点】3.曲轴飞轮组的检查与维修【重点】4.机体组件与曲柄连杆机构装配【重点】1221●学会机体组件检查与维修●学会活塞连杆组件检查与维修●学会曲轴飞轮组件检查与维修●学会正确拆装机体组件与曲柄连杆机构现场教学+实训4换气系统结构与维修理论教学1.换气系统的作用与组成2.配气机构的结构、工作原理与维修【重点、难点】3.发动机可变进气控制结构与原理4.发动机废气涡轮增压结构与原理0.52.511●掌握换气系统的组成、结构、原理与维修●理解发动机可变进气控制结构与原理●理解发动机废气涡轮增压结构与原理多媒体教学+现场授课实践教学1.换气系统的检查与维修2.配气机构的拆装与调整22●学会正确安装配气机构和调整气门间隙●学会空气滤清器进行正确维护现场教学+实训第3页共6页第2页共6页编号:时间:2021年x月x日书山有路勤为径,学海无涯苦作舟页码:第3页共6页5汽油机燃料供给系结构与维修理论教学1.汽油机对可燃混合气的要求2.电控汽油喷射系统总体组成【重点】3.电控汽油机空气供给系统结构原理【重点、难点】4.电控汽油机...

1、当您付费下载文档后,您只拥有了使用权限,并不意味着购买了版权,文档只能用于自身使用,不得用于其他商业用途(如 [转卖]进行直接盈利或[编辑后售卖]进行间接盈利)。
2、本站所有内容均由合作方或网友上传,本站不对文档的完整性、权威性及其观点立场正确性做任何保证或承诺!文档内容仅供研究参考,付费前请自行鉴别。
3、如文档内容存在违规,或者侵犯商业秘密、侵犯著作权等,请点击“违规举报”。

碎片内容

汽车发动机构造与维修-深圳职业技术学院

您可能关注的文档

中小学文库+ 关注
实名认证
内容提供者

精品资料应用尽有

相关文档

确认删除?
VIP
微信客服
  • 扫码咨询
会员Q群
  • 会员专属群点击这里加入QQ群
客服邮箱
回到顶部