电脑桌面
添加小米粒文库到电脑桌面
安装后可以在桌面快捷访问

焊接与切割安全9875230139VIP免费

焊接与切割安全9875230139_第1页
1/14
焊接与切割安全9875230139_第2页
2/14
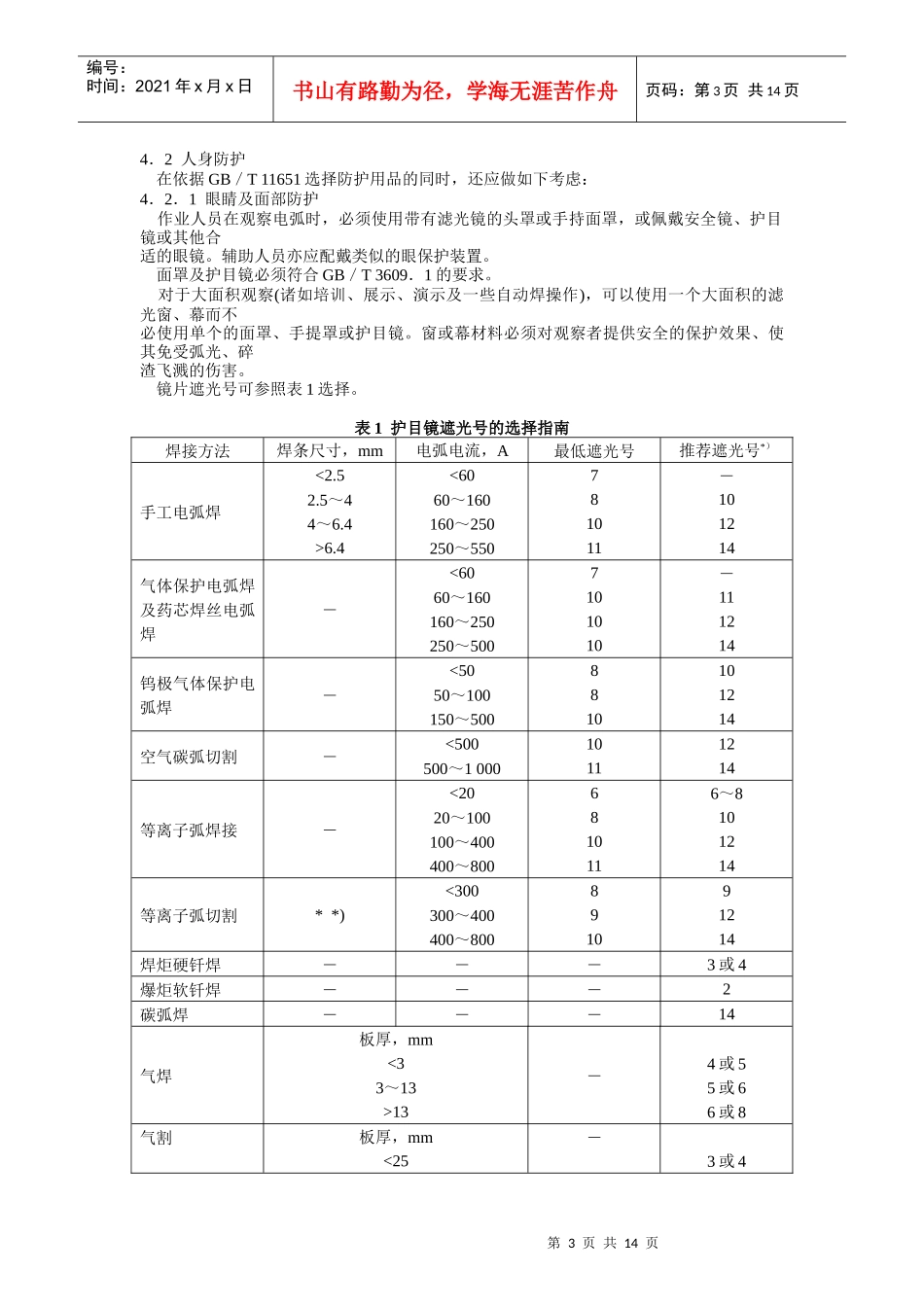
焊接与切割安全9875230139_第3页
3/14
第1页共14页编号:时间:2021年x月x日书山有路勤为径,学海无涯苦作舟页码:第1页共14页焊接与切割安全GB9448—1999国家质量技术监督局1999—09—03批准2000—05—01实施前言本标准是根据美国标准ANSI/AWSZ49.1《焊接与切割安全》对GB9448—1988《焊接与切割安全》进行修订的,在技术要素上与之等效;在具体技术内容方面有如下变动:——本标准以我国标准作为引用依据。由于标准体系的不同,在引用相关标准技术内容的部分,做了不同程度上的调整,文字叙述上亦有相应的改动;——ANSI/AWSZ49.1《焊接与切割安全》中个别内容重复、难以操作的部分结合我国的实际国情均做了适当删改;——根据我国的实际情况,保留了ANSI/AWSZ49.1《焊接与切割安全》中没有、但在原标准中存在、而且证明确实有效合理的技术内容;——本标准主要适用于一般的焊接、切割操作,故删除了原标准中与操作基本无关的内容及特殊的安全要求,如:登高作业、汇流排系统中的设计、安装细节等;——根据技术内容的编排需要,本标准增加了附录部分。本标准自实施之日起,同时代替GB9448—1988。本标准的附录A、附录B和附录C均为提示的附录。本标准由国家机械工业局提出。本标准由全国焊接标准化技术委员会归口。本标准主要负责起草单位:哈尔滨焊接研究所。本标准主要起草人:朴东光、张伶。第一分篇通用规则1范围本标准规定了在实施焊接、切割操作过程中避免人身伤害及财产损失所必须遵循的基本原则。本标准为安全地实施焊接、切割操作提供了依据。2引用标准下列标准所包含的条文,通过在本标准中引用而构成为本标准的条文。本标准出版时,所示版本均为有效。所有标准都会被修订,使用本标准的各方应探讨使用下列标准最新版本的可能性。GBJ87—1985工业企业噪声控制设计规范GB/T2550—1992焊接及切割用橡胶软管氧气橡胶软管GB/T2551—1992焊接及切割用橡胶软管乙炔橡胶软管GB/T3609.1—1994焊接眼、面防护具GB/T4064—1983电气设备安全设计导则GB/T5107—1985焊接和切割用软管接头GB7144—1985气瓶颜色标记GB/T11651—1989劳动防护用品选用规则GB15578—1995电阻焊机的安全要求GB15579—1995弧焊设备安全要求第一部分:焊接电源GB15701—1995焊接防护服GB16194—1996车间空气中电焊烟尘卫生标准JB/T5101一1991气割机用割炬JB/T6968—1993便携式微型焊炬JB/T6969—1993射吸式焊炬JB/T6970—1993射吸式割炬第2页共14页第1页共14页编号:时间:2021年x月x日书山有路勤为径,学海无涯苦作舟页码:第2页共14页JB7496—1994焊接、切割及类似工艺用气瓶减压器安全规范JB/T7947—1995等压式焊炬、割炬3总则3.1设备及操作3.1.1设备条件所有运行使用中的焊接、切割设备必须处于正常的工作状态,存在安全隐患(如:安全性或可靠性不足)时,必须停止使用并由维修人员修理。3.1.2操作所有的焊接与切割设备必须按制造厂提供的操作说明书或规程使用,并且还必须符合本标准要求。3.2责任管理者、监督者和操作者对焊接及切割的安全实施负有各自的责任。3.2.1管理者管理者必须对实施焊接及切割操作的人员及监督人员进行必要的安全培训。培训内容包括:设备的安全操作、工艺的安全执行及应急措施等。管理者有责任将焊接、切割可能引起的危害及后果以适当的方式(如:安全培训教育、口头或书面说明、警告标识等)通告给实施操作的人员。管理者必须标明允许进行焊接、切割的区域,并建立必要的安全措施。管理者必须明确在每个区域内单独的焊接及切割操作规则。并确保每个有关人员对所涉及的危害有清醒的认识并且了解相应的预防措施。管理者必须保证只使用经过认可并检查合格的设备(诸如焊割机具、调节器、调压阀、焊机、焊钳及人员防护装置)。3.2.2现场管理及安全监督人员焊接或切割现场应设置现场管理和安全监督人员。这些监督人员必须对设备的安全管理及工艺的安全执行负责。在实施监督职责的同时,他们还可担负其他职责,如:现场管理技术指导、操作协作等。监督者必须保证:——各类防护用品得到合理使用;——在现场适当地配置防火及灭火设备;——指派火灾警戒人员;——所要求的热作业规程得到遵循。在...

1、当您付费下载文档后,您只拥有了使用权限,并不意味着购买了版权,文档只能用于自身使用,不得用于其他商业用途(如 [转卖]进行直接盈利或[编辑后售卖]进行间接盈利)。
2、本站所有内容均由合作方或网友上传,本站不对文档的完整性、权威性及其观点立场正确性做任何保证或承诺!文档内容仅供研究参考,付费前请自行鉴别。
3、如文档内容存在违规,或者侵犯商业秘密、侵犯著作权等,请点击“违规举报”。

碎片内容

焊接与切割安全9875230139

您可能关注的文档

确认删除?
VIP
微信客服
  • 扫码咨询
会员Q群
  • 会员专属群点击这里加入QQ群
客服邮箱
回到顶部