电脑桌面
添加小米粒文库到电脑桌面
安装后可以在桌面快捷访问

生产计划管理考核以及考核方法VIP专享VIP免费

生产计划管理考核以及考核方法_第1页
1/12
生产计划管理考核以及考核方法_第2页
2/12
生产计划管理考核以及考核方法_第3页
3/12
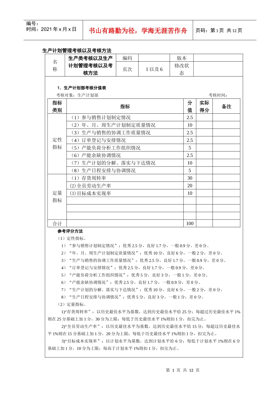
第1页共12页编号:时间:2021年x月x日书山有路勤为径,学海无涯苦作舟页码:第1页共12页生产计划管理考核以及考核方法名称生产类考核以及生产计划管理考核以及考核方法编码版本页次1以及6修改状态1.生产计划部考核分值表考核对象:生产计划部考核时间:指标类别指标分值实际得分备注定性指标(1)参与销售计划制定情况2.5(2)年、月、周生产计划制定质量情况10(3)生产与销售的协调工作质量情况2.5(4)订单登记与安排情况2.5(5)产能负荷分析工作组织情况5(6)产能余缺协调情况2.5(7)生产计划的分解、落实与下达情况10(8)生产日程安排与协调情况5定量指标(1)存货周转率30(2)全员劳动生产率20(3)目标成本实现率10合计100参考评分方法(1)定性指标。1)“参与销售计划制定情况”:优秀2.5分,良好1.7分,一般0.9分,差0分。2)“年、月、周生产计划制定质量情况”:优秀10分,良好6分,一般2分,差0分。3)“生产与销售的协调工作质量情况”:优秀2.5分,良好1.7分,一般0.9分,差0分。4)“订单登记与安排情况”:优秀2.5分,良好1.7分,一般0.9分,差0分。5)“产能负荷分析工作组织情况”:优秀5分,良好3分,一般1分,差0分。6)“产能余缺协调情况”:优秀2.5分,良好1.7分,一般0.9分,差0分。7)“生产计划的分解、落实与下达情况”:优秀10分,良好6分,一般2分,差0分。8)“生产日程安排与协调情况”:优秀5分,良好3分,一般1分,差0分。(2)定量指标。1)“存货周转率”:以历史最佳水平为基数,达到历史最佳水平给25分;每超过历史最佳水平1%则在25分基础上加1分,30分为上限;每低于历史最佳水平1%则扣1分,扣完为止。2)“全员劳动生产率”:以历史最佳水平为基数,达到历史最佳水平给15分;每超过历史最佳水平1%则在15分基础上加1分,20分为上限;每低于历史最佳水平1%则扣1分,扣完为止。3)“目标成本实现率”:以计划水平为基数,达到计划水平给6分;每低于计划水平1%则在6分基础上加1分,10分为上限;每高于计划水平1%则扣1分,扣完为止。第2页共12页第1页共12页编号:时间:2021年x月x日书山有路勤为径,学海无涯苦作舟页码:第2页共12页相关说明编制人员审核人员批准人员编制日期审核日期批准日期(续)名称生产类考核以及生产计划管理考核以及考核方法编码版本页次2以及6修改状态第3页共12页第2页共12页编号:时间:2021年x月x日书山有路勤为径,学海无涯苦作舟页码:第3页共12页2.技术开发部考核分值表考核对象:技术开发部考核时间:指标类别指标分值实际得分备注定性指标(1)参与生产计划制定的情况10(2)产品设计计划及日程制定、实施与控制质量情况20(3)技术能力负荷分析情况10定量指标新产品增加值率60合计100参考评分方法(1)定性指标。1)“参与生产计划制定的情况”:优秀10分,良好6分,一般2分,差0分。2)“产品设计计划及日程制定、实施与控制质量情况”:优秀20分,良好15分,一般8分,差0分。3)“技术能力负荷分析情况”:优秀10分,良好6分,一般2分,差0分。(2)定量指标。“新产品增加值率”:以历史最佳水平为基数,达到历史最佳水平给50分;每超过历史最佳水平1%则在50分基础上加1分,60分为上限;每低于历史最佳水平1%则扣1分,扣完为止。相关说明编制人员审核人员批准人员第4页共12页第3页共12页编号:时间:2021年x月x日书山有路勤为径,学海无涯苦作舟页码:第4页共12页编制日期审核日期批准日期(续)名称生产类考核以及生产计划管理考核以及考核方法编码版本页次3以及6修改状态第5页共12页第4页共12页编号:时间:2021年x月x日书山有路勤为径,学海无涯苦作舟页码:第5页共12页3.供应部考核分值表考核对象:供应部考核时间:指标类别指标分值实际得分备注定性指标(1)参与生产计划制定的情况10(2)采购计划及日程的制定、实施与控制情况20(3)供应能力分析情况10定量指标采购成本降低额60合计100参考评分方法(1)定性指标。1)“参与生产计划制定的情况”:优秀10分,良好6分,一般2分,差0分。2)“采购计划及日程的制定、实施与控制情况”:优秀20分,良好15分,一般8分,差0分。3)“供应能力分析情况”:...

1、当您付费下载文档后,您只拥有了使用权限,并不意味着购买了版权,文档只能用于自身使用,不得用于其他商业用途(如 [转卖]进行直接盈利或[编辑后售卖]进行间接盈利)。
2、本站所有内容均由合作方或网友上传,本站不对文档的完整性、权威性及其观点立场正确性做任何保证或承诺!文档内容仅供研究参考,付费前请自行鉴别。
3、如文档内容存在违规,或者侵犯商业秘密、侵犯著作权等,请点击“违规举报”。

碎片内容

生产计划管理考核以及考核方法

确认删除?
VIP
微信客服
  • 扫码咨询
会员Q群
  • 会员专属群点击这里加入QQ群
客服邮箱
回到顶部