电脑桌面
添加小米粒文库到电脑桌面
安装后可以在桌面快捷访问

冠东车灯公司总装车间包接工职位说明书VIP免费

冠东车灯公司总装车间包接工职位说明书_第1页
1/2
冠东车灯公司总装车间包接工职位说明书_第2页
2/2
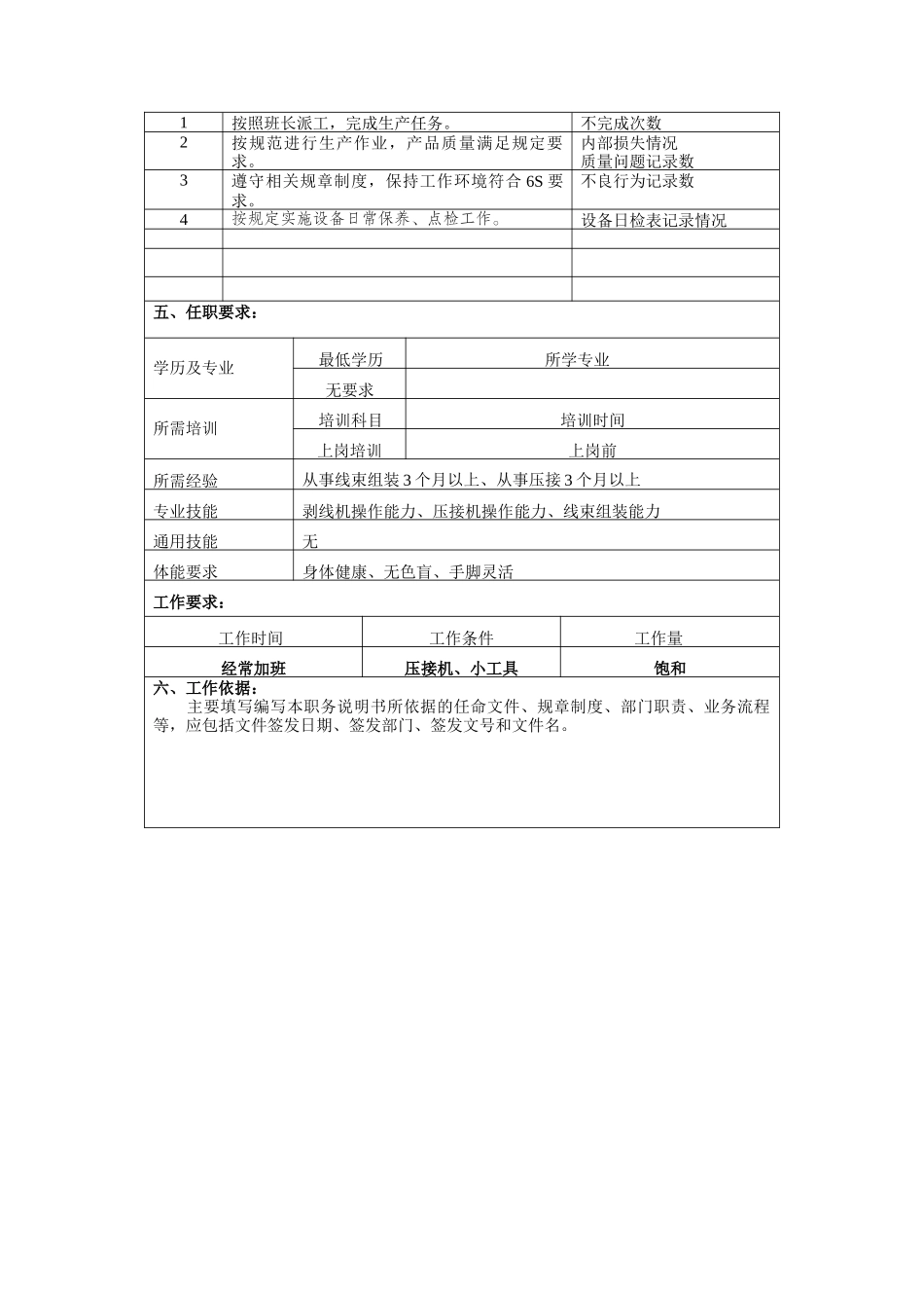
剥线工装模工冠东车灯公司总装车间包接工职位说明书一、基本信息:职位名称:包接工所属部门:总装车间拟定人签名:上级部门主管审批:所属职类职种:作业类/操作直接上级:包接班班长定员人数:18~40人审核人签字:生效日期:二、职位目的:根据班长派工及工艺、质量要求,按时、保质、保量完成生产任务。三、工作关系(内部)工作关系(外部):无工作关系(职位范围):请列出与该职位工作范围与程度有关的资料,比如下属数目、直接控制的预算额,与直接负责或做出建议的开支项目。所在部门总人数:15~30人该职位直接下属人数:/间接下属人数:/下属员工的种类:/直接控制的预算额:/其他指标:/四、主要应负责任:请描述该职位4-8相应负责任,包括主要活动和要达到的结果,每一应负责任请依其重要性排列,从(1)开始,(1)代表最重要。衡量标准可以是数量、质量、成本、时间、人员反映等等,应尽可能客观、量化,数据易采集。重要性应负责任衡量标准包接班班长(该职位名称)包接工(同僚职位名称)直接下属职位名称和人数(上级职位名称)1按照班长派工,完成生产任务。不完成次数2按规范进行生产作业,产品质量满足规定要求。内部损失情况质量问题记录数3遵守相关规章制度,保持工作环境符合6S要求。不良行为记录数4按规定实施设备日常保养、点检工作。设备日检表记录情况五、任职要求:学历及专业最低学历所学专业无要求所需培训培训科目培训时间上岗培训上岗前所需经验从事线束组装3个月以上、从事压接3个月以上专业技能剥线机操作能力、压接机操作能力、线束组装能力通用技能无体能要求身体健康、无色盲、手脚灵活工作要求:工作时间工作条件工作量经常加班压接机、小工具饱和六、工作依据:主要填写编写本职务说明书所依据的任命文件、规章制度、部门职责、业务流程等,应包括文件签发日期、签发部门、签发文号和文件名。

1、当您付费下载文档后,您只拥有了使用权限,并不意味着购买了版权,文档只能用于自身使用,不得用于其他商业用途(如 [转卖]进行直接盈利或[编辑后售卖]进行间接盈利)。
2、本站所有内容均由合作方或网友上传,本站不对文档的完整性、权威性及其观点立场正确性做任何保证或承诺!文档内容仅供研究参考,付费前请自行鉴别。
3、如文档内容存在违规,或者侵犯商业秘密、侵犯著作权等,请点击“违规举报”。

碎片内容

冠东车灯公司总装车间包接工职位说明书

您可能关注的文档

确认删除?
VIP
微信客服
  • 扫码咨询
会员Q群
  • 会员专属群点击这里加入QQ群
客服邮箱
回到顶部