电脑桌面
添加小米粒文库到电脑桌面
安装后可以在桌面快捷访问

室内排水管道及配件安装工程检验批质量验收记录表VIP专享VIP免费

室内排水管道及配件安装工程检验批质量验收记录表_第1页
1/2
室内排水管道及配件安装工程检验批质量验收记录表_第2页
2/2
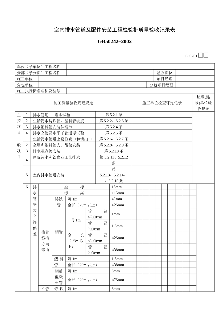
室内排水管道及配件安装工程检验批质量验收记录表GB50242-2002050201单位(子单位)工程名称分部(子分部)工程名称验收部位施工单位项目经理分包单位分包项目经理施工执行标准名称及编号施工质量验收规范规定施工单位检查评定记录监理(建设)单位验收记录主控项目1排水管道灌水试验第5.2.1条2生活污水铸铁管,塑料管坡度第5.2.2、5.2.3条3排水塑料管安装伸缩节第5.2.4条4排水立管及水平干管通球试验第5.2.5条一般项目1生活污水管道上设检查口和清扫口第5.2.6、5.2.7条2金属和塑料管支、吊架安装第5.2.8、5.2.9条3排水通汽管安装第5.2.10条4医院污水和饮食业工艺排水第5.2.11、5.2.12条5室内排水管道安装第5.2.13、5.2.14、、5.2.15条6排水管安装允许偏差坐标15mm标高±15mm横管纵横方向弯曲铸铁管每1m≯�1mm全长(25m以上)≯�25mm钢管每1m管径≤100mm1mm管径>100mm1.5mm全长(25m以上)管径≤100mm≯�25mm管径>100mm≯�38mm塑料管每1m1.5mm全长(25m以上)≯�38mm钢筋混凝土管每1m3mm全长(25m以上)≯�75mm立管铸铁每1m3mm垂直度管全长(5m以上)≯�15mm钢管每1m3mm全长(5m以上)≯�10mm塑料管每1m3mm全长(5m以上)≯�15mm施工单位检查评定结果专业工长(施工员)施工班组长项目专业质量检查员:年月日监理(建设)单位验收结论专业监理工程师:(建设单位项目专业技术负责人)年月日

1、当您付费下载文档后,您只拥有了使用权限,并不意味着购买了版权,文档只能用于自身使用,不得用于其他商业用途(如 [转卖]进行直接盈利或[编辑后售卖]进行间接盈利)。
2、本站所有内容均由合作方或网友上传,本站不对文档的完整性、权威性及其观点立场正确性做任何保证或承诺!文档内容仅供研究参考,付费前请自行鉴别。
3、如文档内容存在违规,或者侵犯商业秘密、侵犯著作权等,请点击“违规举报”。

碎片内容

室内排水管道及配件安装工程检验批质量验收记录表

确认删除?
VIP
微信客服
  • 扫码咨询
会员Q群
  • 会员专属群点击这里加入QQ群
客服邮箱
回到顶部