电脑桌面
添加小米粒文库到电脑桌面
安装后可以在桌面快捷访问

电梯钢梁后锚固锚栓计算书 VIP免费

电梯钢梁后锚固锚栓计算书 _第1页
1/6
电梯钢梁后锚固锚栓计算书 _第2页
2/6
电梯钢梁后锚固锚栓计算书 _第3页
3/6
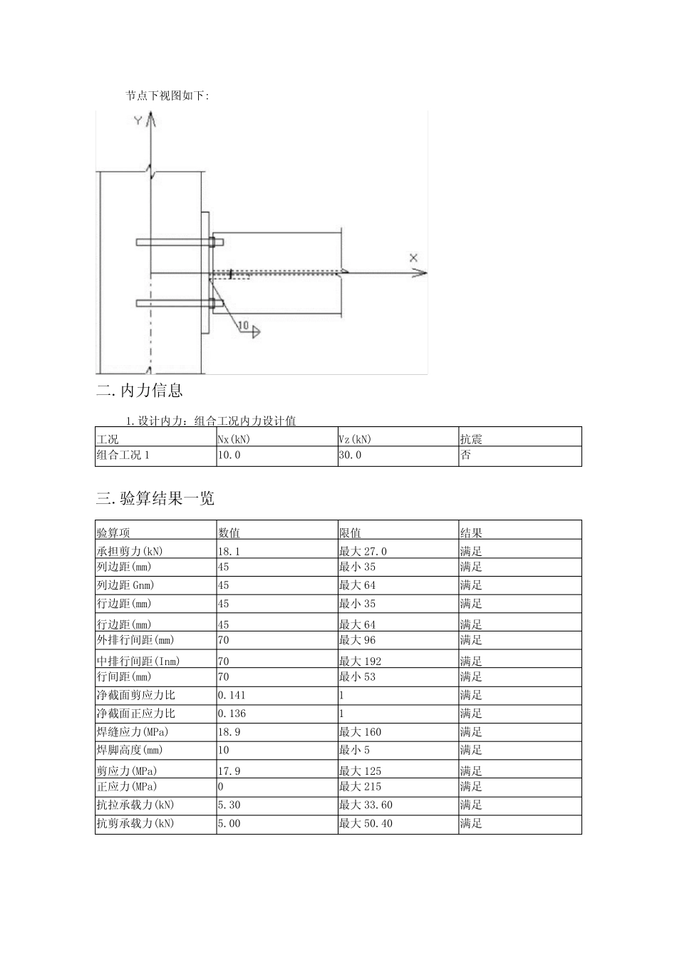
“墙梁栓焊较接”节点计算书计算软件:TSZ结构设计系列软件TS-MTS2023Ver6.8.0.0计算时间:2023年03月19日13:34:04节点基本资料设计依据:《钢结构设计标准》GB50017-2017《钢结构连接节点设计手册》(第四版)《混凝土结构设计规范》GB50010-2010(2015年版)《混凝土结构后锚固技术规程》JGJ145-2013节点类型为:墙梁栓焊较接采用设计方法为:梁端节点力采用设计方法为:常用设计梁截面:HM294×200×8×12,材料:Q235腹板螺栓群:10.9级T16螺栓群并列布置:3行;行间距70mm;1歹I」;螺栓群列边距:45mm,行边距45mm双侧焊缝,单根计算长度:11=230-2×10=210mm腹板连接板:230mm×90nun,厚:10mm间距为:a=10mm节点前视图如下:节点下视图如下:二.内力信息1.设计内力:组合工况内力设计值工况Nx(kN)Vz(kN)抗震组合工况110.030.0否三.验算结果一览验算项数值限值结果承担剪力(kN)18.1最大27.0满足列边距(mm)45最小35满足列边距Gnm)45最大64满足行边距(mm)45最小35满足行边距(mm)45最大64满足外排行间距(mm)70最大96满足中排行间距(Inm)70最大192满足行间距(mm)70最小53满足净截面剪应力比0.1411满足净截面正应力比0.1361满足焊缝应力(MPa)18.9最大160满足焊脚高度(mm)10最小5满足剪应力(MPa)17.9最大125满足正应力(MPa)0最大215满足抗拉承载力(kN)5.30最大33.60满足抗剪承载力(kN)5.00最大50.40满足复合作用公式0.031满足锚固长度(mm)160.0最小130满足锚板厚度(mm)20.0最小18.8满足行间距(mm)100最小96满足列间距(mm)150最小48满足行边距(mm)63最小32满足列边距(mm)75最小32满足四.腹板螺栓群验算1螺栓群受力计算控制工况:组合工况1Nx=IOkN;Vz=30kN螺栓群中心对角焊缝偏心:e=10+90∕2=55mm螺栓群偏心弯矩:M=Vz*e=30×55×103=1.65kN∙m2腹板螺栓群承载力计算行向轴力:H=NW=NX=IokN列向剪力:V=Vz=30kN平面内弯矩:M=1.65kN∙m螺栓采用:10.9级7416螺栓群并列布置:3行;行间距70mm;1列;螺栓群列边距:45mm,行边距45mm螺栓受剪面个数为1个连接板材料类型为Q235螺栓抗剪承载力:Nvb=O.9knfμP=0.9×1×1×0.3×100=27kN轴向连接长度:1尸(IT)X70=0mm<15d产300,取承载力折减系数为g=1.0折减后螺栓抗剪承载力:NVb=27X1=27kN计算右上角边缘螺栓承受的力:M=V/3=30/3=10kNNh=H∕n=10∕3=3.333kN螺栓群对中心的坐标平方和:S=Ex?+Eyj9800πun2Nnx=I.65X70X(3-1)/2/9800×10=11.786kNNny=1.65X70X(1-1)/2/9800X10=0kNN=[(∣Nnx∣+∣Nh∣)-2+(∣‰∣+∣Nv∣)'2]-0∙5=[(11.786+3.333)'2+(0+10)2]'0δ=18.127kN≤27kN,满足3腹板螺栓群构造检查最小限值为35,最大限值为64,最小限值为35,最大限值为64,外排行间距为70,最大限值为96,满足!中排行间距为70,最大限值为192,满足!行间距为70,最小限值为52.5,满足!列边距为45,列边距为45,行边距为45,行边距为45,满足!满足!满足!满足!五.腹板连接板计算1腹板连接板受力计算控制工况:同腹板螺栓群(内力计算参上)连接板轴力:N1=Nw=Nx=IOkN连接板剪力:V1=Vz=30kN连接板弯矩:Mi=Mw=I.65kN.m采用两种不同的连接板连接板1截面宽度为:B.ι=230mm连接板1截面厚度为:T.1=10mm连接板1有2块连接板2截面宽度为:B.2=230mm连接板2截面厚度为:T2=IOmm连接板材料抗剪强度为:fv=125NZmm2连接板材料抗拉强度为:f=215N∕mm2连接板全面积:A=Bi*Tι=230×10×10⅛3cm2开洞总面积:Ao=3×2O×IOX102=6cm^连接板净面积:An=A-Ao=23-6=17cm2连接板净截面平均剪应力计算:τ=Vι∕A,1=30∕17×10=17.647N∕mm2≤fv=125N∕mm2,满足!连接板净截面正应力计算:按《钢结构设计标准》8.11公式计算:σ=N√A11+Mι∕Wn=(10/17)X10+1.65/70949.275X10=29.138N/mm2≤f=215,湎足!六.梁柱角焊缝验算1角焊缝受力计算控制工况同腹板螺栓群,其受力计算参上2角焊缝承载力验算焊缝受力:N=Nw=IOkN;V=30kN;M=1.65kN∙m焊脚高度:h1=10mm角焊缝有效焊脚高度:ht∙=0.7×10=7mm双侧焊缝,单根计算长度:1.=230-2×10=210mm强度设计值:f=160N∕mm2A=2*11*he=2×210×7=2940mm'。产INI/A=1101/29.4X10=3.401NZmm2W=2*112*hβ∕6=2X2102X7/6×10^^3=102.9cm3O1M1/W=11.651/102.9X10...

1、当您付费下载文档后,您只拥有了使用权限,并不意味着购买了版权,文档只能用于自身使用,不得用于其他商业用途(如 [转卖]进行直接盈利或[编辑后售卖]进行间接盈利)。
2、本站所有内容均由合作方或网友上传,本站不对文档的完整性、权威性及其观点立场正确性做任何保证或承诺!文档内容仅供研究参考,付费前请自行鉴别。
3、如文档内容存在违规,或者侵犯商业秘密、侵犯著作权等,请点击“违规举报”。

碎片内容

电梯钢梁后锚固锚栓计算书

您可能关注的文档

文达天下+ 关注
实名认证
内容提供者

各类试题、文摘、指南、行业规范

确认删除?
VIP
微信客服
  • 扫码咨询
会员Q群
  • 会员专属群点击这里加入QQ群
客服邮箱
回到顶部