电脑桌面
添加小米粒文库到电脑桌面
安装后可以在桌面快捷访问

塑料板面层工程检验批质量验收记录表VIP免费

塑料板面层工程检验批质量验收记录表_第1页
1/2
塑料板面层工程检验批质量验收记录表_第2页
2/2
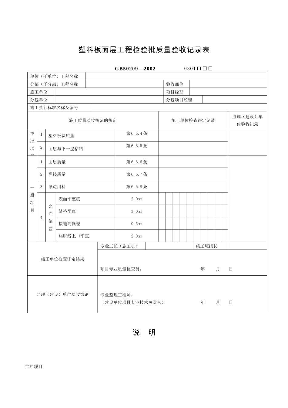
塑料板面层工程检验批质量验收记录表GB50209—2002030111□□单位(子单位)工程名称分部(子分部)工程名称验收部位施工单位项目经理分包单位分包项目经理施工执行标准名称及编号施工质量验收规范的规定施工单位检查评定记录监理(建设)单位验收记录主控项目1塑料板块质量第6.6.4条2面层与下一层粘结第6.6.5条一般项目1面层质量第6.6.6条2焊接质量第6.6.7条3镶边用料第6.6.8条4允许偏差表面平整度2.0mm缝格平直3.0mm接缝高低差0.5mm踢脚线上口平直2.0mm施工单位检查评定结果专业工长(施工员)施工班组长项目专业质量检查员:年月日监理(建设)单位验收结论专业监理工程师:(建设单位项目专业技术负责人)年月日说明主控项目1、塑料板面层所用的塑料板块和卷材的品种、规格、颜色、等级应符合设计要求和现行国家标准的规定。观察检查和检查材质合格证明文件及检测报告。2、面层与下一层的粘结应牢固,粘结剂符合第6.6.3条规定,不翘边、不脱胶、无溢胶。观察检查和用小锤敲击及尺量检查。注:卷材局部脱胶处面积不应大于20cm2,且相隔间距不小于50cm可不计;凡单块板料边角局部脱胶处且每自然间(标准间)不超过总数的5%者可不计。一般项目1、塑料板面层应表面洁净,图案清晰,色泽一致,接缝严密、美观。拼缝处的图案、花纹吻合,无胶痕;与墙边交接严密,阴阳角收边方正。观察检查。2、板块的焊接,焊缝应平整、光洁,无焦化变色、斑点、焊瘤和起鳞等缺陷,其凹凸允许偏差为±0.6mm。焊缝的抗拉强度不得小于塑料板强度的75%。观察检查和检查检测报告。3、镶边用料应尺寸准确、边角整齐、拼缝严密、接缝顺直。用钢尺和观察检查。4、2m靠尺和楔形塞尺检查表面平整度的允许偏差,拉5m线和用钢尺检查平直度允许偏差;用钢尺和楔形塞尺检查高低差和间隙宽度允许偏差。

1、当您付费下载文档后,您只拥有了使用权限,并不意味着购买了版权,文档只能用于自身使用,不得用于其他商业用途(如 [转卖]进行直接盈利或[编辑后售卖]进行间接盈利)。
2、本站所有内容均由合作方或网友上传,本站不对文档的完整性、权威性及其观点立场正确性做任何保证或承诺!文档内容仅供研究参考,付费前请自行鉴别。
3、如文档内容存在违规,或者侵犯商业秘密、侵犯著作权等,请点击“违规举报”。

碎片内容

塑料板面层工程检验批质量验收记录表

确认删除?
VIP
微信客服
  • 扫码咨询
会员Q群
  • 会员专属群点击这里加入QQ群
客服邮箱
回到顶部