电脑桌面
添加小米粒文库到电脑桌面
安装后可以在桌面快捷访问

地基检测相关取费依据 VIP免费

地基检测相关取费依据 _第1页
1/4
地基检测相关取费依据 _第2页
2/4
地基检测相关取费依据 _第3页
3/4
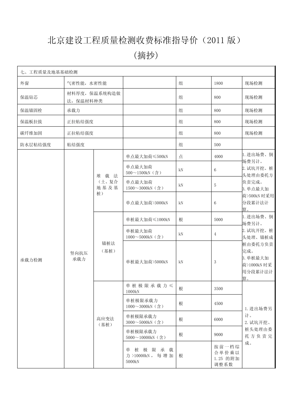
《工程勘察设计收费标准》(2002年修订本)(摘抄)低应变500元/根北京建设工程质量检测收费标准指导价(2011版)(摘抄)七、工程质量及地基基础检测外窗气密性能,水密性能组1800现场检测保温钻芯材料厚度,保温系统构造做法,保温材料种类组800现场检测保温锚固栓承载力组800现场检测保温板拉拔正拉粘结强度组800现场检测碳纤维加固正拉粘结强度组800现场检测防水层粘结强度粘结强度组500承载力检测竖向抗压承载力堆载法(土、复合地基及基桩)单点最大加荷≤500kN点40001.进出场费、倒场费另计。2.试坑开挖、桩头处理由委托方负责完成。3.单点最大加荷>500kN时采用分段累计法计算。单点最大加荷500~1500kN(含)kN6单点最大加荷1500~3000kN(含)kN5单点最大加荷>3000kNkN6锚桩法(基桩)单桩最大加荷≤1000kN根50001.进出场费、倒场费另计。2.试坑开挖、桩头处理、锚桩成桩由委托方负责完成。3.单桩最大加荷>1000kN时采用分段累计法计算。单桩最大加荷1000~5000kN(含)kN4单桩最大加荷>5000kNkN3高应变法(基桩)单桩极限承载力≤1000kN根35001.进出场费另计。2.试坑开挖、桩头处理由委托方负责完成。单桩极限承载力1000~3000kN(含)根4500单桩极限承载力3000~5000kN(含)根6000单桩极限承载力5000~10000kN(含)根9000单桩极限承载力>10000kN,每增加5000kN根按前一档综合单价乘以1.25的附加调整系数基桩竖向抗拔承载力单桩最大加荷≤500kN根45001.进出场费另计。2.试坑开挖、桩头处理、反力桩成桩由委托方负责完成。单桩最大加荷500~1000kN(含)根5500单桩最大加荷1000~1500kN(含)根7500单桩最大加荷1500~2000kN(含)根10000单桩最大加荷>2000kN,每增加500kN根按前一档综合单价乘以1.2的附加调整系数基桩水平承载力单桩最大加荷≤100kN根45001.进出场费另计。2.试坑开挖、桩头处理、反力桩成桩由委托方负责完成。单桩最大加荷100~150kN(含)根5500单桩最大加荷150~200kN(含)根6500单桩最大加荷>200kN,每增加50kN根按前一档综合单价乘以1.2的附加调整系数锚杆抗拔承载力最大加荷≤200kN根15001.进出场费另计。2.试验平台搭建由委托方负责完成。最大加荷200~400kN(含)根2000最大加荷400~800kN(含)根2800最大加荷>800kN根4000土钉抗拔承载力根1500桩身完整性检测低应变法CFG桩、预制桩根100桩头处理由委托方负责完成。灌注桩根300埋管声波透射法2管根600桩头处理、声透管疏通及灌水由委托方负责完成。3管根12004管根1800防腐涂料厚度检测涂层厚度点122000起价防火涂料厚度检测涂层厚度点122000起价粘钢粘结强度正拉粘结强度组1200粘钢抗剪强度抗剪强度组2400种植钢筋、化学锚栓、膨胀螺栓、扩孔锚栓抗拉承载力d<25mm:组120025≤d≤30mm:组1500d>30mm:组1800抗剪承载力组2400位移d<25mm:组120025≤d≤30mm:组1500d>30mm:组1800

1、当您付费下载文档后,您只拥有了使用权限,并不意味着购买了版权,文档只能用于自身使用,不得用于其他商业用途(如 [转卖]进行直接盈利或[编辑后售卖]进行间接盈利)。
2、本站所有内容均由合作方或网友上传,本站不对文档的完整性、权威性及其观点立场正确性做任何保证或承诺!文档内容仅供研究参考,付费前请自行鉴别。
3、如文档内容存在违规,或者侵犯商业秘密、侵犯著作权等,请点击“违规举报”。

碎片内容

地基检测相关取费依据

您可能关注的文档

文达天下+ 关注
实名认证
内容提供者

各类试题、文摘、指南、行业规范

确认删除?
VIP
微信客服
  • 扫码咨询
会员Q群
  • 会员专属群点击这里加入QQ群
客服邮箱
回到顶部