电脑桌面
添加小米粒文库到电脑桌面
安装后可以在桌面快捷访问

高铁桥梁施工技术资料VIP免费

高铁桥梁施工技术资料_第1页
1/14
高铁桥梁施工技术资料_第2页
2/14
高铁桥梁施工技术资料_第3页
3/14
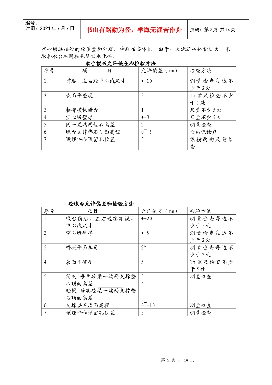
第1页共14页编号:时间:2021年x月x日书山有路勤为径,学海无涯苦作舟页码:第1页共14页空心墩台施工作业标准化1人员配备每个作业队配备负责人1人,技术主管1人,质量工程技术员1人,专职安全员1人。2施工作业标准施工方法:墩身外侧模选用大块刚模版,内侧采用定型刚模版。对于收坡高墩,且同类型桥墩数量较多的,应采用大块成套钢模,分段支立,浇灌,在不同墩位间倒用。空心墩底部的实心部分单独分次浇筑,墩身每次的最高高度控制在5m以内,施工中加强施工组织。墩身钢筋。模版根据地形,墩高等条件由汽车吊负责垂直提升,混凝土由混凝土泵车泵送入模。超过25m的空心墩采用翻模施工。模板工程:墩身外模采用大块整体钢模,选用不少于6mm厚钢板面板,加工时,派专业工程师在加工厂家进行全过程跟踪,保证面板,平整度,接缝,尺寸误差的质量要求。内膜采用组合钢模。模板进场后,进行清理,打磨以无无痕为标准,刷脱模剂,并用塑料薄膜进行覆盖。立模前进行试拼,保证平整度小于3mm,加固采用内撑和外加拉杆形式,保证空心薄壁误差小于5mm。搭设支架时,在两个互相垂直的方向加以固定,支架支撑在可靠的地基上。墩台空心内的顶部采用搭设碗扣支架,50钢管加固,安装好后,检查轴线,高程,保证模版,支架在灌注混凝土过程中受力后不变形,不移位。钢筋工程基本要求:钢筋具有出场合格证,钢筋表面洁净,平直,无局部弯折,使用前将表面油污清理干净;安装要求:承台与墩台基础锚固筋按规范和设计要求连接牢固,形成一体;基底预埋钢筋位置准确,满足钢筋保护层的要求,墩身钢筋与预埋钢筋按50%接头错开配置;墩身钢筋规格多,数量大,为确保施工精度和绑扎质量,钢筋绑扎作业在固定台架上绑扎;采用定型塑料垫块,保证钢筋的保护层厚度。砼浇筑砼浇筑分三阶段进行,墩底实体段,墩身空心段,墩顶部实体段。砼采用自动计量拌合站生产,运输,泵送入模。浇筑前,对支架,模板,钢筋和预埋件进行检查,模板内的杂物,积水和钢筋上的污垢清理干净;模板缝隙填塞严密,模板内面涂刷脱模剂;检查砼的和易性和坍落度;浇筑砼使用的脚手架,便于人员与料具上下,并保证安全。砼分层浇筑厚度不超过30㎝;采用振动器振动捣实。砼浇筑连续进行,如因故必须间断时,其间断试件小于前层砼的初凝时间,允许间断时间经实验确定,若超过允许间断时间按施工缝处理。墩身截面突变处不设施工缝。对于施工缝,周边应预埋直径不小于16㎜的钢筋或其他铁件,埋入与露出长度不应小于钢筋直径的30倍,间距不应大于直径的20倍。在砼浇筑过程中,随时观察所设置的预埋螺栓,预留孔,预埋支座的位置是否移动,若发现移位时及时校正;预留孔的成型设备及时抽拨或松动;在灌注过程中注意模板,支架等支撑情况,设专人检查,如有变形,移位或沉陷立即校正并加固,处理后方可继续浇筑。结构砼浇筑完成后,及时用塑料薄膜包裹洒水养护。墩身下实体段,空心段,实体段砼施工时,特别注意实体段与第2页共14页第1页共14页编号:时间:2021年x月x日书山有路勤为径,学海无涯苦作舟页码:第2页共14页空心墩连接处的砼质量和外观。特别在实体段,由于一次浇筑砼体积过大,采取和承台相同措施降低水化热。墩台模板允许偏差和检验方法序号项目允许偏差(mm)检查方法1前后,左右距中心线尺寸+-10测量检查每边不少于2处2表面平整度31m靠尺检查不少于5处3相邻模板错台1尺量不少5处4空心墩壁厚+-3尺量不少5处5同一梁端两垫石高差2测量检查6墩台支撑垫石顶面高程0~-5全站仪检查7预埋件和预留孔位置5纵横两向尺量检查砼墩台允许偏差和检验方法序号项目允许偏差(mm)检验方法1墩台前后,左右边缘距设计中心线尺寸+-20测量检查每边不少于5处2空心墩壁厚+-5测量检查每边不少于2处3桥墩平面扭角2°测量检查每边不少于2处4表面平整度51m靠尺检查不少于5处5简支每片砼梁一端两支撑垫石顶面高差砼梁每孔砼梁一端两支撑垫石顶面高差34测量检查6支撑垫石顶面高程0~-10测量检查7预埋件和预留孔位置5测量检查第3页共14页第2页共14页编号:时间:2021年x月x日书山有路勤为径,学海无涯苦作舟页码:第3页共14页清理基础顶面测量放样绑扎墩身...

1、当您付费下载文档后,您只拥有了使用权限,并不意味着购买了版权,文档只能用于自身使用,不得用于其他商业用途(如 [转卖]进行直接盈利或[编辑后售卖]进行间接盈利)。
2、本站所有内容均由合作方或网友上传,本站不对文档的完整性、权威性及其观点立场正确性做任何保证或承诺!文档内容仅供研究参考,付费前请自行鉴别。
3、如文档内容存在违规,或者侵犯商业秘密、侵犯著作权等,请点击“违规举报”。

碎片内容

高铁桥梁施工技术资料

您可能关注的文档

确认删除?
VIP
微信客服
  • 扫码咨询
会员Q群
  • 会员专属群点击这里加入QQ群
客服邮箱
回到顶部