电脑桌面
添加小米粒文库到电脑桌面
安装后可以在桌面快捷访问

设备、材料供应方案与计划VIP免费

设备、材料供应方案与计划_第1页
1/14
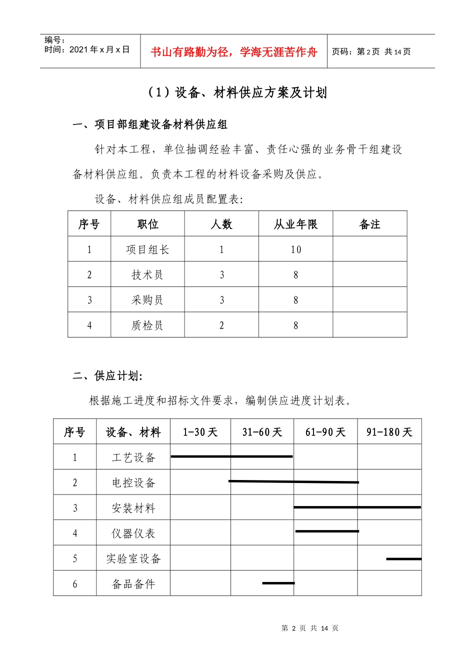
设备、材料供应方案与计划_第2页
2/14
设备、材料供应方案与计划_第3页
3/14
第1页共14页编号:时间:2021年x月x日书山有路勤为径,学海无涯苦作舟页码:第1页共14页更多企业学院:《中小企业管理全能版》183套讲座+89700份资料《总经理、高层管理》49套讲座+16388份资料《中层管理学院》46套讲座+6020份资料《国学智慧、易经》46套讲座《人力资源学院》56套讲座+27123份资料《各阶段员工培训学院》77套讲座+324份资料《员工管理企业学院》67套讲座+8720份资料《工厂生产管理学院》52套讲座+13920份资料《财务管理学院》53套讲座+17945份资料《销售经理学院》56套讲座+14350份资料《销售人员培训学院》72套讲座+4879份资料第2页共14页第1页共14页编号:时间:2021年x月x日书山有路勤为径,学海无涯苦作舟页码:第2页共14页(1)设备、材料供应方案及计划一、项目部组建设备材料供应组针对本工程,单位抽调经验丰富、责任心强的业务骨干组建设备材料供应组。负责本工程的材料设备采购及供应。设备、材料供应组成员配置表:序号职位人数从业年限备注1项目组长1102技术员383采购员384质检员28二、供应计划:根据施工进度和招标文件要求,编制供应进度计划表。序号设备、材料1-30天31-60天61-90天91-180天1工艺设备2电控设备3安装材料4仪器仪表5实验室设备6备品备件第3页共14页第2页共14页编号:时间:2021年x月x日书山有路勤为径,学海无涯苦作舟页码:第3页共14页三、供货流程:1、货物采购由项目经理牵头,设备、材料供应组组织设备采购。2、到货检验设备到货后,甲方和监理参加该设备在供货商所在地或交货地进行的设备到货检查。检查前我方将提前通知甲方和监理派员参加。3.开箱检验在仓库或工地现场进行的开箱检验由甲方、监理我公司等有关人员共同参加,对设备的内外包装设备外观进行检查,若发现设备短缺和外观破损,我公司将及时处理。4.安装验收安装验收是我公司和施工单位共同对设备安装工程根据有关的设备安装技术指标进行验收。安装验收后双方签署安装验收证书。5.完工测试系统完工测试主要是对已安装设备进行单体测试。6.大联调本系统设备联调是指:在与其它系统不相连的情况下,测试系统第4页共14页第3页共14页编号:时间:2021年x月x日书山有路勤为径,学海无涯苦作舟页码:第4页共14页的所有设备作为一个完整的系统能否很好地工作,能否完成系统每一个设备的功能要求。联动联调是指与其它相关系统设备连接一起进行系统全面调试,以测试检验综合布线系统与其它系统的监控功能。系统功能测试完毕后,签署调试验收证书。7.试运行系统连续72小时运行测试完成,到系统现场完工测试结束,试运行验收通过后,系统将移交甲单位有关部门。8.质保期系统验收合格后开始进入质保期,正式投入使用,期间将进行抽查各种测试项目,检查系统运行的可靠性和稳定性。设备质保期按设备生产厂家质保期进行质保。四、供货质量控制:1、设备采购、制造过程质量管理流程设备采购严格按照以下流程,并重点作好流程中质量控制:第5页共14页第4页共14页考察评估供货厂家确定设备材料厂家采购计划编制及审核鉴定采购合同及技术协议设备厂家提供生产计划提供设备材料相关质量报告生产过程质量检验业主方、承包商现场监造造设备材料整体质检业主方、承包商现场检验设备至现场由业主方、监理验货复检制造商技术培训收集设备材料生产商资料制造商安装、试运行指导编号:时间:2021年x月x日书山有路勤为径,学海无涯苦作舟页码:第5页共14页2、设备采购过程的质量控制主要设备及各种配套附属设备,均是项目的重要组成部分,为第6页共14页第5页共14页编号:时间:2021年x月x日书山有路勤为径,学海无涯苦作舟页码:第6页共14页确保项目的整体质量,我公司将做好设备购置过程中设备质量的控制工作。设备的购置是直接影响设备质量的关键环节,设备能否满足生产工艺要求、配套投产、正常运转、充分发挥效能,确保精度和质量;设备是否技术先进、经济适用、操作灵活、安全可靠、维修方便、经久耐用;这些,均与设备的购置密切相关。采购设备,可采取市场采购,向制造厂商订货或招标采购等方式,采购质量控制主要是采购方案的审查及工作计划中明确的质量要求。2.1市场采购设备的质量控...

1、当您付费下载文档后,您只拥有了使用权限,并不意味着购买了版权,文档只能用于自身使用,不得用于其他商业用途(如 [转卖]进行直接盈利或[编辑后售卖]进行间接盈利)。
2、本站所有内容均由合作方或网友上传,本站不对文档的完整性、权威性及其观点立场正确性做任何保证或承诺!文档内容仅供研究参考,付费前请自行鉴别。
3、如文档内容存在违规,或者侵犯商业秘密、侵犯著作权等,请点击“违规举报”。

碎片内容

设备、材料供应方案与计划

确认删除?
VIP
微信客服
  • 扫码咨询
会员Q群
  • 会员专属群点击这里加入QQ群
客服邮箱
回到顶部