电脑桌面
添加小米粒文库到电脑桌面
安装后可以在桌面快捷访问

吊篮受力计算模板 VIP免费

吊篮受力计算模板 _第1页
1/6
吊篮受力计算模板 _第2页
2/6
吊篮受力计算模板 _第3页
3/6
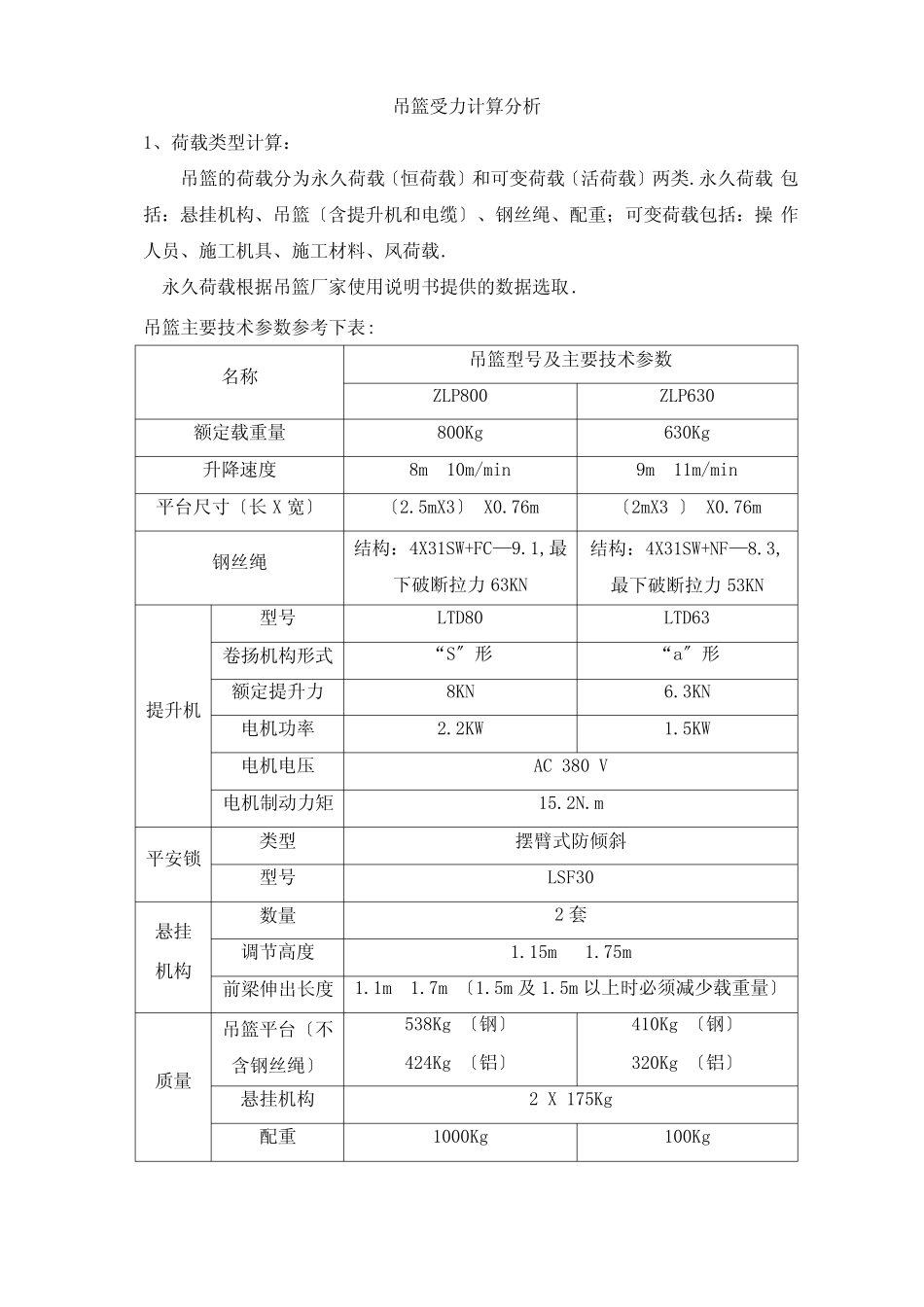
吊篮受力计算分析1、荷载类型计算:吊篮的荷载分为永久荷载〔恒荷载〕和可变荷载〔活荷载〕两类.永久荷载包括:悬挂机构、吊篮〔含提升机和电缆〕、钢丝绳、配重;可变荷载包括:操作人员、施工机具、施工材料、凤荷载.永久荷载根据吊篮厂家使用说明书提供的数据选取.吊篮主要技术参数参考下表:名称吊篮型号及主要技术参数ZLP800ZLP630额定载重量800Kg630Kg升降速度8m〜10m/min9m〜11m/min平台尺寸〔长X宽〕〔2.5mX3〕X0.76m〔2mX3〕X0.76m钢丝绳结构:4X31SW+FC—9.1,最下破断拉力63KN结构:4X31SW+NF—8.3,最下破断拉力53KN提升机型号LTD80LTD63卷扬机构形式“S〞形“a〞形额定提升力8KN6.3KN电机功率2.2KW1.5KW电机电压AC380V电机制动力矩15.2N.m平安锁类型摆臂式防倾斜型号LSF30悬挂机构数量2套调节高度1.15m〜1.75m前梁伸出长度1.1m〜1.7m〔1.5m及1.5m以上时必须减少载重量〕质量吊篮平台〔不含钢丝绳〕538Kg〔钢〕424Kg〔铝〕410Kg〔钢〕320Kg〔铝〕悬挂机构2X175Kg配重1000Kg100Kg钢丝绳线重0.33Kg/m0.28Kg/m工作环境环境温度-20℃〜+40℃相对湿度<90%阵风风力5级2、吊篮实际搭设参数:吊篮型号ZLP630吊篮长度l(m)6吊篮宽度b(m)0.76吊篮高度卜(m)1.5悬挂机构后端固定方式配重配重重量(Kg)1000吊篮悬挂点悬挑长度L1(m)1.5前后支架之间的长度L2(m)4.3悬挂机构横梁材料类型钢管横梁规格80X80X4横梁材质Q235横梁外表处理防锈截面惯性矩I(cm4)111.043截面反抗矩W(cm3)27.76钢管自重标准值(KN/m)0.092抗弯强度设计值f(N/mm2)205抗弯强度设计值t(N/mm2)125钢丝绳规格4X31SW+NF每根支架钢丝绳根数n2钢丝绳直径d8.3钢丝绳不均匀系数a0.85钢丝绳公称抗拉强度(N/mm2)1570钢丝绳平安系数K9悬挂机构抗彳倾覆平安系数K3何载吊篮及钢丝绳自重GK(KN)6施工活荷载标准值qk11吊篮搭设最大高度H(m)50搭设所在城市/区域北京吊篮挡风面积人口(m2)0.9地面粗糙度类型B风压高度变化系数口z1.62建筑物类型矩形风荷载体型系数us1根本风压wo0.3吊篮独立风荷载体型系数us1.3吊篮反面是否独立墙面是3、荷载整理统计:吊篮受风面积:F=(0.75X2)+2=3.5m2(GB/T19155-2021中6.3.5.2条)根本风压wo=0.45(GB50009-2021中8.1.2条)高度Z处的风振系数BZ=1(GB50009-2021中8.4.3条)风荷载体型系数Us=1.3-An/F=1.3X0.9/3.5=0.33风压高度变化系数Uz=1.62(GB50009-2021中表8.2.1)风荷载标准值:Wk=BZ•Uz•Us-Wo=1X1.62X0.33X0.45=0.24KN吊篮所受风荷载标准值:QWK=WK-F=0.24X3.5=0.84KN=84Kg吊篮篮底面积:A=I-b=6x0.76=4.56m2施工活荷载标准值:qk1=qk1A=4.56KN=456Kg钢丝绳质量:(8.3X8.3X3.74)/1000X50X4=52Kg施工活荷载实际值:2.4KN=240Kg(2个操作员加上施工工具)施工活荷载(平台额定载重量)计算:R1=nXMP+2XM+Mm(GB/T19155-2021中6.3.4.2条)=2X80+2X40+0=240KgMP:单个操作者的假定质量取80Kgo(GB/T19155-2021中6.3.4.1条)Me:单个操作者的装备质量取40Kgo(GB/T19155-2021中6.3.4.1条)Mm:平台内的材料质量取0.4、吊篮悬挂机构抗倾覆计算:吊篮悬挂机构抗倾覆力矩与倾覆力矩的比值不得小于3.即:K=(GXb)/(FXa)三3(GB/T19155-2021中6.5.5.3条)式中:K—抗倾覆平安系数G一配重、插杆、后支架的质量(Kg)F一悬吊平台、提升机、电器限制系统、钢丝绳、额定载重量、风压值等重量总和(Kg)a一前支梁伸出长度(m)b一配重点到前支梁的距离(m):G=1000+(175X2)=1300Kg=13KNF=410+456+52+84=1002Kg=10.02KNa=1.5b=4.3K=1300X4.3/1002X1.5=3.7三3抗倾覆满足要求!实际应用状态如下:G=1000+(175X2)=1300Kg=13KNF=410+240+52+84=786Kg=7.59KNa=1.5b=4.3K=1300X4.3/786X1.5=4.9三3抗倾覆满足要求!5、吊篮动力钢丝绳所承受的荷载(竖向荷载)标准值:钢丝绳平安系数(钢丝绳的最小破断拉力与最大工作静拉力的比值)取9.动力钢丝绳竖向荷载:Q1=(GK+QK)/2(JGJ102-2021中5.2.2-1条)=(410+456+52+17.5)/2(17.5是50米电缆线重量)=467.75Kg=4.7KN吊篮水平荷载(只考虑凤荷载)标准值(2根钢丝绳各承当1/2):Q2=QWK/2(JGJ102-2021中5.2.2-2条)=0.42KN6、动力钢丝绳所承受的拉力:Q=KJQ2Q2(JGJ102-2021中5.2.3条)D"12=9X4.8764=43.89KN<53KN选用4X31S...

1、当您付费下载文档后,您只拥有了使用权限,并不意味着购买了版权,文档只能用于自身使用,不得用于其他商业用途(如 [转卖]进行直接盈利或[编辑后售卖]进行间接盈利)。
2、本站所有内容均由合作方或网友上传,本站不对文档的完整性、权威性及其观点立场正确性做任何保证或承诺!文档内容仅供研究参考,付费前请自行鉴别。
3、如文档内容存在违规,或者侵犯商业秘密、侵犯著作权等,请点击“违规举报”。

碎片内容

吊篮受力计算模板

文达天下+ 关注
实名认证
内容提供者

各类试题、文摘、指南、行业规范

确认删除?
VIP
微信客服
  • 扫码咨询
会员Q群
  • 会员专属群点击这里加入QQ群
客服邮箱
回到顶部