电脑桌面
添加小米粒文库到电脑桌面
安装后可以在桌面快捷访问

精益生产方式概述VIP专享VIP免费

精益生产方式概述_第1页
1/13
精益生产方式概述_第2页
2/13
精益生产方式概述_第3页
3/13
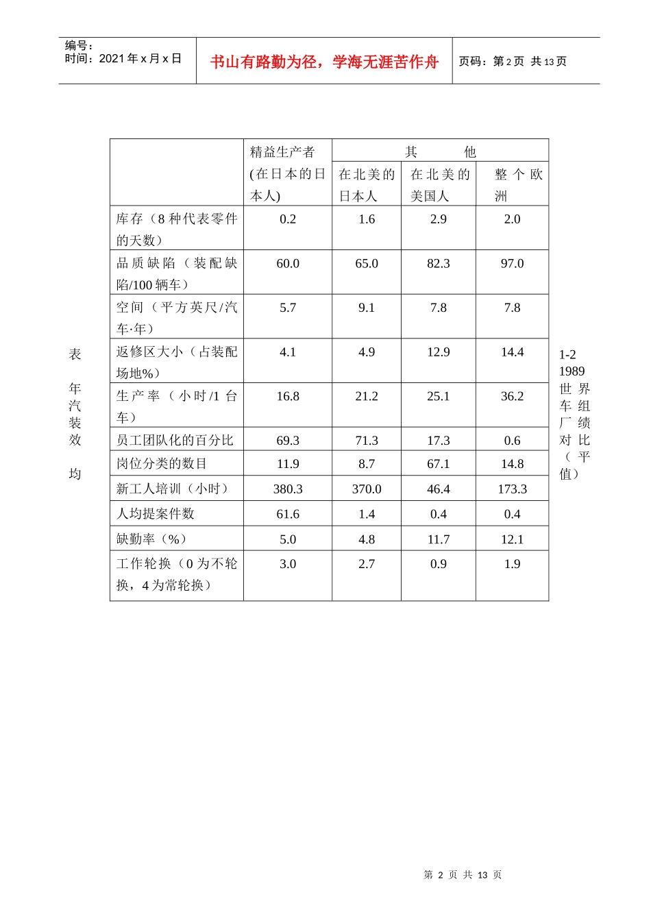
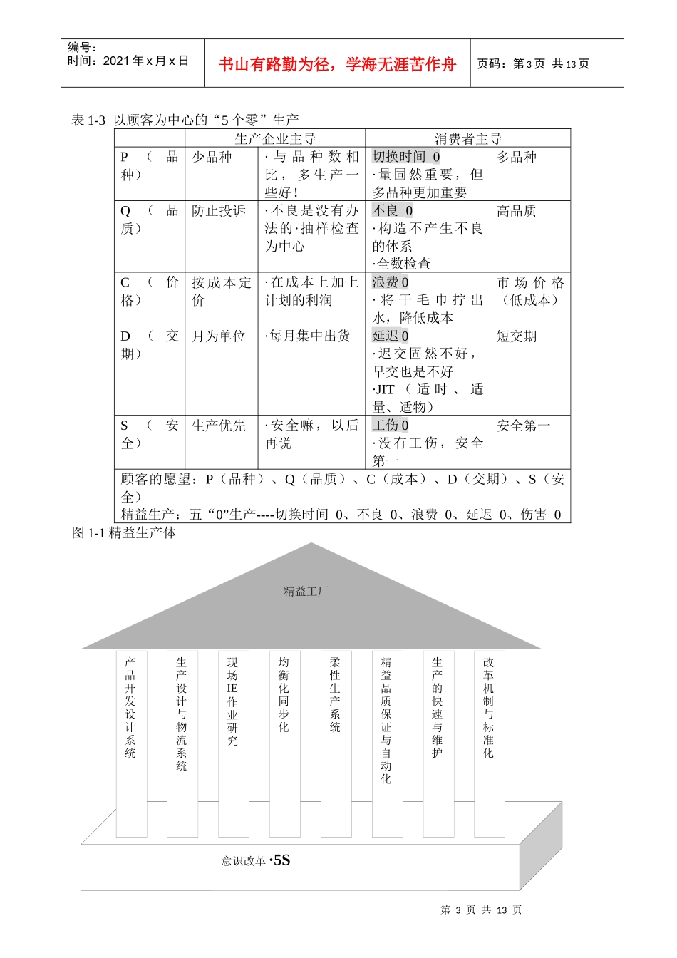
第1页共13页编号:时间:2021年x月x日书山有路勤为径,学海无涯苦作舟页码:第1页共13页Part1精益生产方式概论表1-1手工、大批量、精益三种生产方式的比较生产方式项目手工生产方式大批量生产方式精益生产方式产品特点完全按顾客要求标准化品种单一品种多样、系列化设备和工装通用、灵活、便宜专用、高效、昂贵柔性高、效率高分工与作业内容粗略、丰富多彩细致、简单、重复较粗、多技能、丰富操作工人懂设计制造、具有高操作技艺细致、简单、重复不需专门技能多技能库存水平高高低制造成本高高更低产品品质低高更高市场需求极少量需求物资匮乏、供不应求买方市场第2页共13页第1页共13页编号:时间:2021年x月x日书山有路勤为径,学海无涯苦作舟页码:第2页共13页表1-21989年世界汽车组装厂绩效对比(平均值)精益生产者(在日本的日本人)其他在北美的日本人在北美的美国人整个欧洲库存(8种代表零件的天数)0.21.62.92.0品质缺陷(装配缺陷/100辆车)60.065.082.397.0空间(平方英尺/汽车·年)5.79.17.87.8返修区大小(占装配场地%)4.14.912.914.4生产率(小时/1台车)16.821.225.136.2员工团队化的百分比69.371.317.30.6岗位分类的数目11.98.767.114.8新工人培训(小时)380.3370.046.4173.3人均提案件数61.61.40.40.4缺勤率(%)5.04.811.712.1工作轮换(0为不轮换,4为常轮换)3.02.70.91.9第3页共13页第2页共13页产品开发设计系统生产设计与物流系统现场IE作业研究均衡化同步化柔性生产系统精益品质保证与自动化生产的快速与维护改革机制与标准化意识改革·5S精益工厂编号:时间:2021年x月x日书山有路勤为径,学海无涯苦作舟页码:第3页共13页表1-3以顾客为中心的“5个零”生产生产企业主导消费者主导P(品种)少品种·与品种数相比,多生产一些好!切换时间0·量固然重要,但多品种更加重要多品种Q(品质)防止投诉·不良是没有办法的·抽样检查为中心不良0·构造不产生不良的体系·全数检查高品质C(价格)按成本定价·在成本上加上计划的利润浪费0·将干毛巾拧出水,降低成本市场价格(低成本)D(交期)月为单位·每月集中出货延迟0·迟交固然不好,早交也是不好·JIT(适时、适量、适物)短交期S(安全)生产优先·安全嘛,以后再说工伤0·没有工伤,安全第一安全第一顾客的愿望:P(品种)、Q(品质)、C(成本)、D(交期)、S(安全)精益生产:五“0”生产----切换时间0、不良0、浪费0、延迟0、伤害0图1-1精益生产体第4页共13页第3页共13页编号:时间:2021年x月x日书山有路勤为径,学海无涯苦作舟页码:第4页共13页表1-4精益生产所追求的7个“零”极限目标及所用手段。7个零浪费目的现状5S思考方法与原则对策手法整理整顿清扫清洁修养1.零切换浪费多品种对应(P)加工工序的转换品种,组装换机种时存在严重的工时浪费○◎▲◎◎•经济批量不经济•物流方式的JIT•生产计划的标准化•作业管理•标准化作业•设备流水化,小型化,专用化•LCA、SMED•均衡化生产(混流生产)•动作经济原则•多工序合并(多能工)•成品放置流水化•标准时间(ST)•标准作业(SO)•作业标准(OS)•转拉模块(专用物流车)2.零库存发现真正问题(I)产品、半成品零件、原料、大量库存造成经营成本很高,周转困◎○▲◎◎•库存问题的真正理由•库存与加工批量成正比•适当库存不当•均衡化生产•设备流水化(U形拉)•LCA、SMED•一个流•均衡化生产•拉动式生产•看板管理•多工序合并(多能工)•转产模快化专用物流车•混载进货第5页共13页第4页共13页编号:时间:2021年x月x日书山有路勤为径,学海无涯苦作舟页码:第5页共13页难,且现场看不到产品在流动•进货验货流水化3.零浪费降低成本(C)生产率低,浪费严重但无法判断及采取相应对策◎◎○◎◎•不能单纯加强局域生产能力•整体协调•“一个流”将浪费彻底暴露出来•流程线路图•设备流水化•1个流•均衡化生产•拉动式生产•看板管理•多工序合并(多能工)•组织流程化•Linebalancing•SOandOS4.零不良品质保证Q材料不良精度不良组装不良外伤等等由品质进行事后补救的状态很多○◎◎◎◎•抽检无法杜绝不良•加工批量的大小就是合格与不良批量...

1、当您付费下载文档后,您只拥有了使用权限,并不意味着购买了版权,文档只能用于自身使用,不得用于其他商业用途(如 [转卖]进行直接盈利或[编辑后售卖]进行间接盈利)。
2、本站所有内容均由合作方或网友上传,本站不对文档的完整性、权威性及其观点立场正确性做任何保证或承诺!文档内容仅供研究参考,付费前请自行鉴别。
3、如文档内容存在违规,或者侵犯商业秘密、侵犯著作权等,请点击“违规举报”。

碎片内容

精益生产方式概述

确认删除?
VIP
微信客服
  • 扫码咨询
会员Q群
  • 会员专属群点击这里加入QQ群
客服邮箱
回到顶部