电脑桌面
添加小米粒文库到电脑桌面
安装后可以在桌面快捷访问

高考化学复习知识与练习反应热盖斯定律原卷版.docxVIP免费

高考化学复习知识与练习反应热盖斯定律原卷版.docx_第1页
1/6
高考化学复习知识与练习反应热盖斯定律原卷版.docx_第2页
2/6
高考化学复习知识与练习反应热盖斯定律原卷版.docx_第3页
3/6
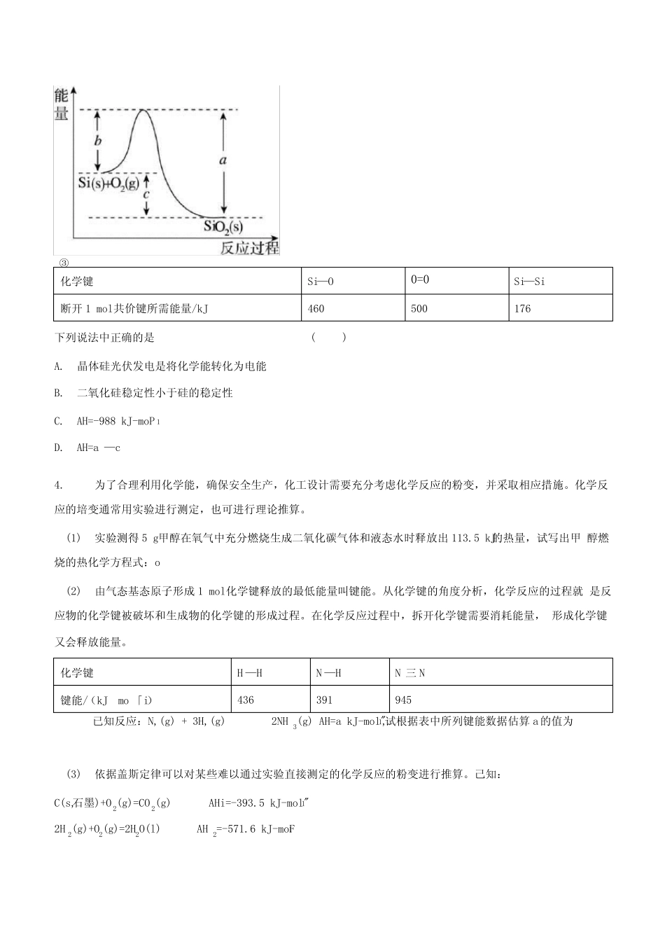
化学反应与能量变化4.1反应热盖斯定律【名师预测】1.下列有关能量的判断和表示方法正确的是()A.由C(s,石墨)=C(s,金刚石)AH=+1.9kJ/mol,可知:石墨比金刚石更稳定B.等质量的硫蒸气和固体硫分别完全燃烧,后者放出的热量更多C.由H+(aq)+OH^(aq)=H2O(l)AH=-57.3kJ-moP1,可知:含1molH2SO4的浓溶液与含1molNaOH的溶液混合,放出的热量等于57.3kJD.2g田完全燃烧生成液态水放出285.8kJ热量,则氢气燃烧的热化学方程式为2H2(g)+O2(g)=2H2O⑴AH=-571.6kJ2.用CH4催化还原NOx可以消除氮氧化物的污染。已知:①CH4(g)+4NO2(g)-4NO(g)+CO2(g)+2H2O(g)AH=一574kJ・mo「】®CH4(g)+4NO(g)=2N2(g)+CO2(g)+2H2O(g)AH=-1160kJ・moL下列说法不正确的是()A.反应①②均为放热反应B.等物质的量的甲烷分别发生反应①②,转移电子数相同C.由反应①可推知:CH4(g)+4NO2(g)=4NO(g)+CO2(g)+2H2O(l)AH=-akJmoP1,a<574D.若用标准状况下4.48LCH4还原NO?至N2,放出的热量为173.4kJ3.已知:①Imol晶体硅中含有2molSi—Si键。②Si(s)+O2(g)=SiO2(s)AH,其反应过程与能量变化如图所示。③化学键Si—O0=0Si—Si断开1mol共价键所需能量/kJ460500176下列说法中正确的是()A.晶体硅光伏发电是将化学能转化为电能B.二氧化硅稳定性小于硅的稳定性C.AH=-988kJ-moP1D.AH=a—c4.为了合理利用化学能,确保安全生产,化工设计需要充分考虑化学反应的粉变,并采取相应措施。化学反应的培变通常用实验进行测定,也可进行理论推算。(1)实验测得5g甲醇在氧气中充分燃烧生成二氧化碳气体和液态水时释放出113.5kJ的热量,试写出甲醇燃烧的热化学方程式:o(2)由气态基态原子形成1mol化学键释放的最低能量叫键能。从化学键的角度分析,化学反应的过程就是反应物的化学键被破坏和生成物的化学键的形成过程。在化学反应过程中,拆开化学键需要消耗能量,形成化学键又会释放能量。化学键H—HN—HN三N键能/(kJ・mo「i)436391945已知反应:N,(g)+3H,(g)2NH3(g)AH=akJ-mol"1,试根据表中所列键能数据估算a的值为(3)依据盖斯定律可以对某些难以通过实验直接测定的化学反应的粉变进行推算。己知:C(s,石墨)+O2(g)=CO2(g)AHi=-393.5kJ-mol"12H2(g)+O2(g)=2H2O(l)AH2=-571.6kJ-moF12C2H2(g)+5O2(g)-4CO2(g)+2H2O(1)AH3=一2599kJ・mo「】根据盖斯定律,计算298K时由C(s,石墨)和H2(g)生成1molC2H2(g)反应的恰变:【知识精讲】考点一、恰变、反应热1.粉变和反应热(1)培(H):用于描述物质所具有能量的物理量。(2)蛤变(AH):AH=H(生成物)一H(反应物),单位kJ-mol-^(3)反应热:当化学反应在一定温度下进行时,反应所放出或吸收的热量,通常用符号Q表示,单位kJ-mol(4)恰变与反应热的关系对于恒压条件下进行的化学反应,如果反应中物质的能量变化全部转化为热能,则有:AH=Qpo(5)反应热、活化能图示能f量无催化----------厂-有催化剂mF/M马/生成物、,|反应物r反应过京①在无催化剂的情况下,Ei为正反应的活化能,E2为逆反应的活化能,AH=EI-E2,②催化剂能降低反应的活化能,但不影响焙变的大小。2.吸热反应与放热反应(1)从能量高低角度理解放热反应吸热反应能量f能量*图示反应物匕艾\:的总能量\叫生成物生成物L的总能量\反应物'C?__的总能量,的总能量匚_»反应过程反应过程能量高低反应物的总能量耳生成物的总能量,AH<0反应物的总能量小壬生成物的总能量,AH>0说明①a表示断裂旧化学键吸收的能量,也可以表示反应的活化能。②b表示生成新化学键放出的能量,也可以表示活化分子结合成生成物分子所释放的能量。③图中c表示反应的反应热,可通过计算培变值求得。计算AH=生成物的总能量一反应物的总能量(2)从化学键角度理解

1、当您付费下载文档后,您只拥有了使用权限,并不意味着购买了版权,文档只能用于自身使用,不得用于其他商业用途(如 [转卖]进行直接盈利或[编辑后售卖]进行间接盈利)。
2、本站所有内容均由合作方或网友上传,本站不对文档的完整性、权威性及其观点立场正确性做任何保证或承诺!文档内容仅供研究参考,付费前请自行鉴别。
3、如文档内容存在违规,或者侵犯商业秘密、侵犯著作权等,请点击“违规举报”。

碎片内容

高考化学复习知识与练习反应热盖斯定律原卷版.docx

您可能关注的文档

文达天下+ 关注
实名认证
内容提供者

各类试题、文摘、指南、行业规范

确认删除?
VIP
微信客服
  • 扫码咨询
会员Q群
  • 会员专属群点击这里加入QQ群
客服邮箱
回到顶部