电脑桌面
添加小米粒文库到电脑桌面
安装后可以在桌面快捷访问

校园污水处理工艺设计VIP专享VIP免费

校园污水处理工艺设计_第1页
1/7
校园污水处理工艺设计_第2页
2/7
校园污水处理工艺设计_第3页
3/7
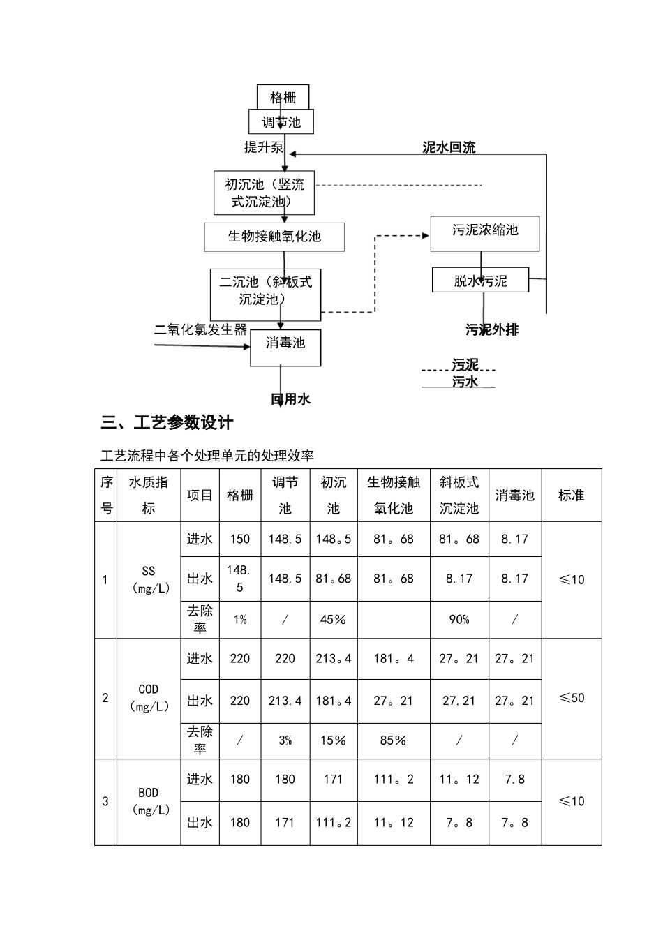
一.工程参数1、原水水量根据现有资料,该校区共有7000人,从《建筑给水排水设计手册》中查的陕西省居民用水定额取200L/(人·d),根据《室外排水规范》GB50014-2006中知排水量按照用水定额的80%—90%计算,此设计取80%,得出小区日排水量为Q=7000*200*80%/1000=1120m3/d=13L/s,根据《室外排水规范》GB50014—2006中下表所示取不均匀系数为2。0,则Q设计=Q*K=1120*2.0=2240m3/d,因考虑到设计应留有余量,故水量按照2400m/d进行设计。综合生活污水量总变化系数平均日流量(L/s)总变化系数K51540701.71001。62001.5500≥10001。41.332。32。01。82、原水水质及处理要求水质指标(mg/L)进水水质处理要求SS15010BOD18010COD22050PH6.5-7。56-9总氮4020总磷151注:根据类似校区生活污水处理案例,此类污水水质如下:COD:200~500mg/L,BOD5:100~300mg/L,SS:100~250mg/L;本设计水质确定如下:COD:220mg/L;BOD5:180mg/L;SS:150mg/L;处理要求是根据《污水综合排放标准》(GB8978-—-2005—一级标准A级)确定的水质指标(mg/L)进水水质出水水质总去除效率(%)SS1508。1794。5BOD1807。895.7COD22027。2187。6二.工艺流程图污水格栅调节池提升泵泥水回流初沉池(竖流式沉淀池)污泥浓缩池生物接触氧化池脱水污泥二沉池(斜板式沉淀池)二氧化氯发生器消毒池污泥外排污泥污水回用水三、工艺参数设计工艺流程中各个处理单元的处理效率序号水质指标项目格栅调节池初沉池生物接触氧化池81。6881。68181。427。2185%111。211。12斜板式沉淀池81。688.1790%消毒池8.178.17/≤10标准进水150148.5148。51148.SS出水5(mg/L)去除率1%148.581。68/22045%213。4进水220227。2127。2127.2127。21/11。127。8/7.8≤107。8≤50COD4(mg/L)出水220213.4181。去除率BOD(mg/L)/3%18017115%171111。2进水1803出水180去除率PH4(mg/L)进水出水/5%35%90%6.5-7。56-930%/四.构筑物设计及列表构筑物明细表序号名称规格(L*B*H)材料数量1格栅2.6*0.52*0。7砖混结构22调节池10*5*5.6砖混结构23竖流式初沉池D=6H=6。31钢筋混凝土24生物接触氧化池2*7*4.5钢筋混凝土15斜板沉淀池5。1*1。5*3。6钢筋混凝土26消毒池5*5*2钢筋混凝土17污泥浓缩池D=6H=6.31钢筋混凝土18加药间3*4*3砖混结构19脱水间8*5*3.5砖混结构110配电室4*4*3主要工艺设备表砖混结构1序号项目名称规格型号功率(kw)台(套)生产厂家123格栅HF-50022江苏宜兴提升泵LW100-110—10—5.55.52广东中山鼓风机C30-1.2224广东中山4填料YCDT567污泥泵ClO2发生器电控系统150mm江苏宜兴302广东中山11江苏无锡陕西西安陕西西安WZB125JYZ-5038管阀910回流泵机械脱水机4000JB—W1.51.5LWL350-220N1江苏无锡江苏南京11111滗水器GMP—2000.371广东广州12曝气头215150个山东青岛平面及高程控制1.平面布置原则(1)以处理构筑物为主,辅助建筑物应服从处理构筑物(2)满足功能和水力上的要求(3)各构筑物相互联系应考虑日常管理工作的方便(4)应考虑构筑物与建筑物之间的风向、位置和间距(5)构筑物之间的管道应在走向简洁、距离短(6)各种管线的平面布置应避免相碰、互相干扰2。高程布置原则(1)利用地形地势.实现自流(2)协调整体布置,做到减少占地,减少工程投资与运行成本(3)考虑土方平衡,并考虑有利排放(4)再仔细计算预留余量的前提下,全部水头损失及原污水提升泵的全扬程都应力求缩小投资估算工程投资范围本工程项目投资范围包括:土建工程、设备购置、安装工程、工程设计、运行调试以及其他有关费用。从方案编制、施工图设计、施工准备、工程建造至支付使用时的钥匙全承包工程有关费用。其中不包括三通一平,站外管网和动力电源工程。五.工程投资估算(1)土建工程投资估算表土建工程投资估算表序号12345678910项目名称格栅井调节池初沉池(竖流式沉淀池)生物接触氧化池二沉池污泥浓缩池消毒池加药间脱水间配电室合计建筑总容积/m30.9580021025670。2210503614048数量1221211111造价/万元0.18792710.431。50。57备注砖混结构砖混结构钢混结构钢混结构钢混结构钢混结构钢混结构砖混结构砖混结构砖混结构36。6万元(2)设备材...

1、当您付费下载文档后,您只拥有了使用权限,并不意味着购买了版权,文档只能用于自身使用,不得用于其他商业用途(如 [转卖]进行直接盈利或[编辑后售卖]进行间接盈利)。
2、本站所有内容均由合作方或网友上传,本站不对文档的完整性、权威性及其观点立场正确性做任何保证或承诺!文档内容仅供研究参考,付费前请自行鉴别。
3、如文档内容存在违规,或者侵犯商业秘密、侵犯著作权等,请点击“违规举报”。

碎片内容

校园污水处理工艺设计

确认删除?
VIP
微信客服
  • 扫码咨询
会员Q群
  • 会员专属群点击这里加入QQ群
客服邮箱
回到顶部