电脑桌面
添加小米粒文库到电脑桌面
安装后可以在桌面快捷访问

齐岳山隧道F11断层注浆截水帷幕施工技术VIP免费

齐岳山隧道F11断层注浆截水帷幕施工技术_第1页
1/9
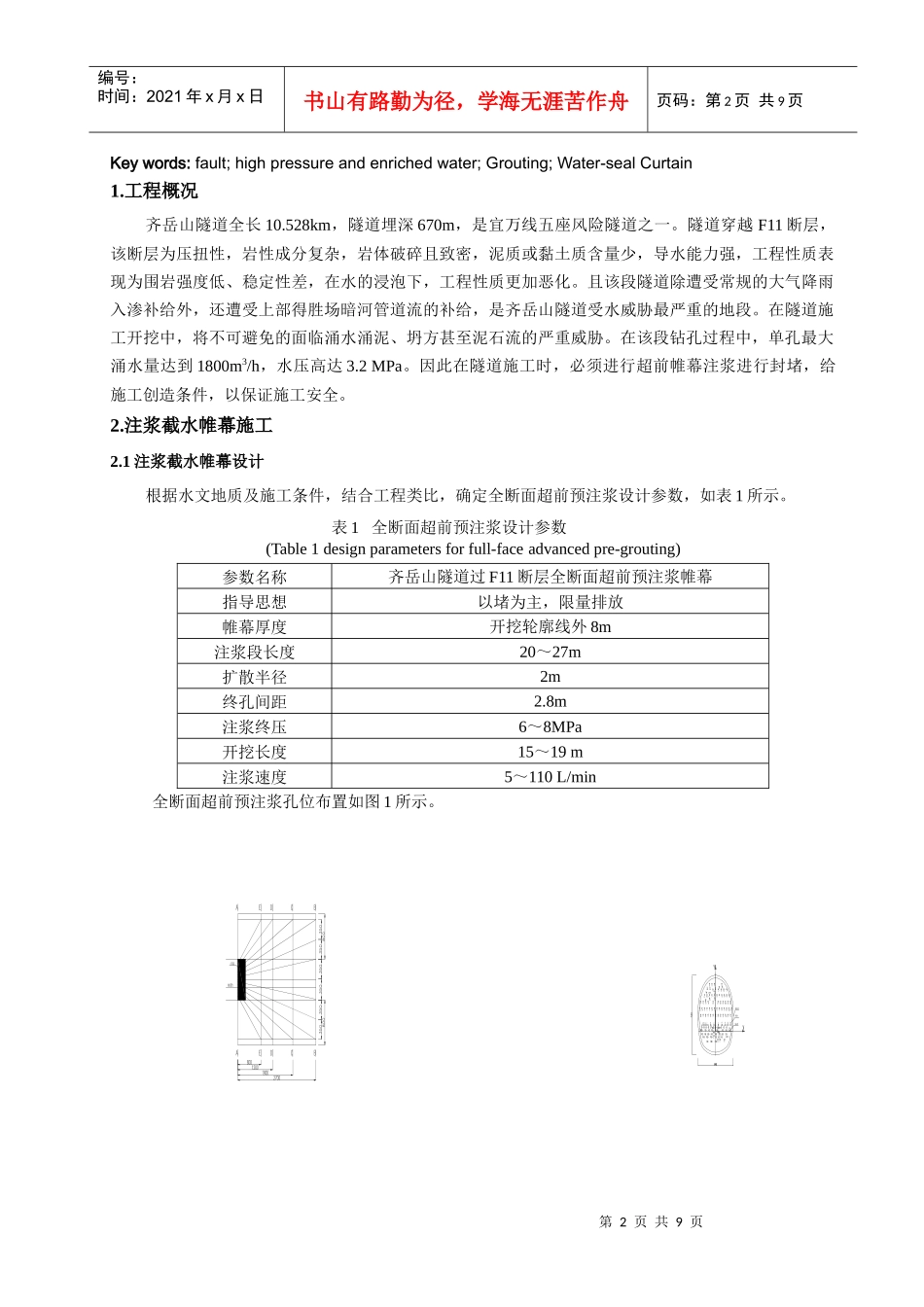
齐岳山隧道F11断层注浆截水帷幕施工技术_第2页
2/9
齐岳山隧道F11断层注浆截水帷幕施工技术_第3页
3/9
第1页共9页编号:时间:2021年x月x日书山有路勤为径,学海无涯苦作舟页码:第1页共9页齐岳山隧道F11断层注浆截水帷幕施工技术卢炜1汪玉华2(1.中国中铁股份有限公司,北京100039;2.中铁隧道集团有限公司洛阳科学技术研究所,河南洛阳471009)摘要:研究目的:山岭隧道在穿越断层破碎带时,经常会遇到高压水,如处理不当,往往会引起突水突泥、坍方甚至泥石流的严重威胁,给施工安全造成极大的威胁,施工进度也无法保证,严重时,还会使周围生态环境发生恶化。因此在隧道穿越该区域时,必须采取一种有效措施来确保施工安全及周边生态环境免遭破坏。研究结论:齐岳山隧道在穿越F11断层高压富水带时,在该段钻孔过程中,单孔最大涌水量达到1800m3/h,水压高达3.2MPa,给施工带来巨大风险。在施工过程中,按照“以堵为主,限量排放”的原则,采用硫铝酸盐水泥单液浆、普通水泥单液浆、普通水泥—水玻璃双液浆,通过合理匹配注浆参数,精心组织施工,对掌子面前方的高压富水地段进行了注浆封堵,形成一道截水帷幕,同时对前方破碎围岩进行了有效加固,为施工创造了条件,确保了隧道施工安全及周边生态环境不被破坏,对今后类似工程具有重要的指导意义。关键词:断层;高压富水;注浆;截水帷幕中图分类号:U25文献标识码:AConstructionMethodofGroutingWater-sealCurtainofF11FaultinQiyueshanTunnelLUWei1WANGYu-hua2(1.ChinaRailwayGroupLimited,beijing100039,China;2.ScientificInstituteofChinaRailwayTunnelGroup.Luoyang,Henan471009,China)Abstract:purposes:Whenthetunnelcutsthroughthefault-fracturezone,highpressurewateroftenemerges.Ifreasonablemeasuresarenottaken,itwillfrequentlyinducewaterandmudinrush,collapseevendebrisflow,whichwillseriouslythreatentheconstructionsafetyanddelaytheconstructionprogress.Itwilldeteriorateecologicalenvironmentifnottreatedproperly.WhenQiyueshantunnelcutsthroughthehighpressureandenrichedwaterregioninF11fault,effectivemeasuresshallbetakeninordertoensuretheconstructionsafetyandthesurroundingecologicalenvironmentnotdeteriorated.Conclusions:AsQiyueshantunnelcutsthroughthehighpressureandenrichedwaterregioninF11fault,themaximumvolumeofwaterreleaseandwaterpressureduringboringstageareupto1800m3/hand3.2MPa,respectively.Accordingtotheprincipleof“Focusingonblockingandreleasingwithinlimitation”,sulphatealuminiumcementsingle-fluidgrouting,commoncementsingle-fluidgrouting,andcementandsodiumsilicatemixedgroutingareusedwiththerationalproportionedgroutingparameterduringtheconstructionprogress;therefore,thehighpressurewateriseffectivelycontrolled,thewater-sealcurtainisformedandmeanwhilethecrushedsurroundingrockisreinforced,whichpavesthewayfortheconstructionandensuresthetunnelingsafetyandthesurroundingecologicalenvironmentnotdeteriorated.Theprojectcasecanprovidereferenceforsimilarworksinthefuture.第2页共9页第1页共9页编号:时间:2021年x月x日书山有路勤为径,学海无涯苦作舟页码:第2页共9页Keywords:fault;highpressureandenrichedwater;Grouting;Water-sealCurtain1.工程概况齐岳山隧道全长10.528km,隧道埋深670m,是宜万线五座风险隧道之一。隧道穿越F11断层,该断层为压扭性,岩性成分复杂,岩体破碎且致密,泥质或黏土质含量少,导水能力强,工程性质表现为围岩强度低、稳定性差,在水的浸泡下,工程性质更加恶化。且该段隧道除遭受常规的大气降雨入渗补给外,还遭受上部得胜场暗河管道流的补给,是齐岳山隧道受水威胁最严重的地段。在隧道施工开挖中,将不可避免的面临涌水涌泥、坍方甚至泥石流的严重威胁。在该段钻孔过程中,单孔最大涌水量达到1800m3/h,水压高达3.2MPa。因此在隧道施工时,必须进行超前帷幕注浆进行封堵,给施工创造条件,以保证施工安全。2.注浆截水帷幕施工2.1注浆截水帷幕设计根据水文地质及施工条件,结合工程...

1、当您付费下载文档后,您只拥有了使用权限,并不意味着购买了版权,文档只能用于自身使用,不得用于其他商业用途(如 [转卖]进行直接盈利或[编辑后售卖]进行间接盈利)。
2、本站所有内容均由合作方或网友上传,本站不对文档的完整性、权威性及其观点立场正确性做任何保证或承诺!文档内容仅供研究参考,付费前请自行鉴别。
3、如文档内容存在违规,或者侵犯商业秘密、侵犯著作权等,请点击“违规举报”。

碎片内容

齐岳山隧道F11断层注浆截水帷幕施工技术

您可能关注的文档

确认删除?
VIP
微信客服
  • 扫码咨询
会员Q群
  • 会员专属群点击这里加入QQ群
客服邮箱
回到顶部