电脑桌面
添加小米粒文库到电脑桌面
安装后可以在桌面快捷访问

江苏省木材加工企业生产安全监督管理导则VIP免费

江苏省木材加工企业生产安全监督管理导则_第1页
1/29
江苏省木材加工企业生产安全监督管理导则_第2页
2/29
江苏省木材加工企业生产安全监督管理导则_第3页
3/29
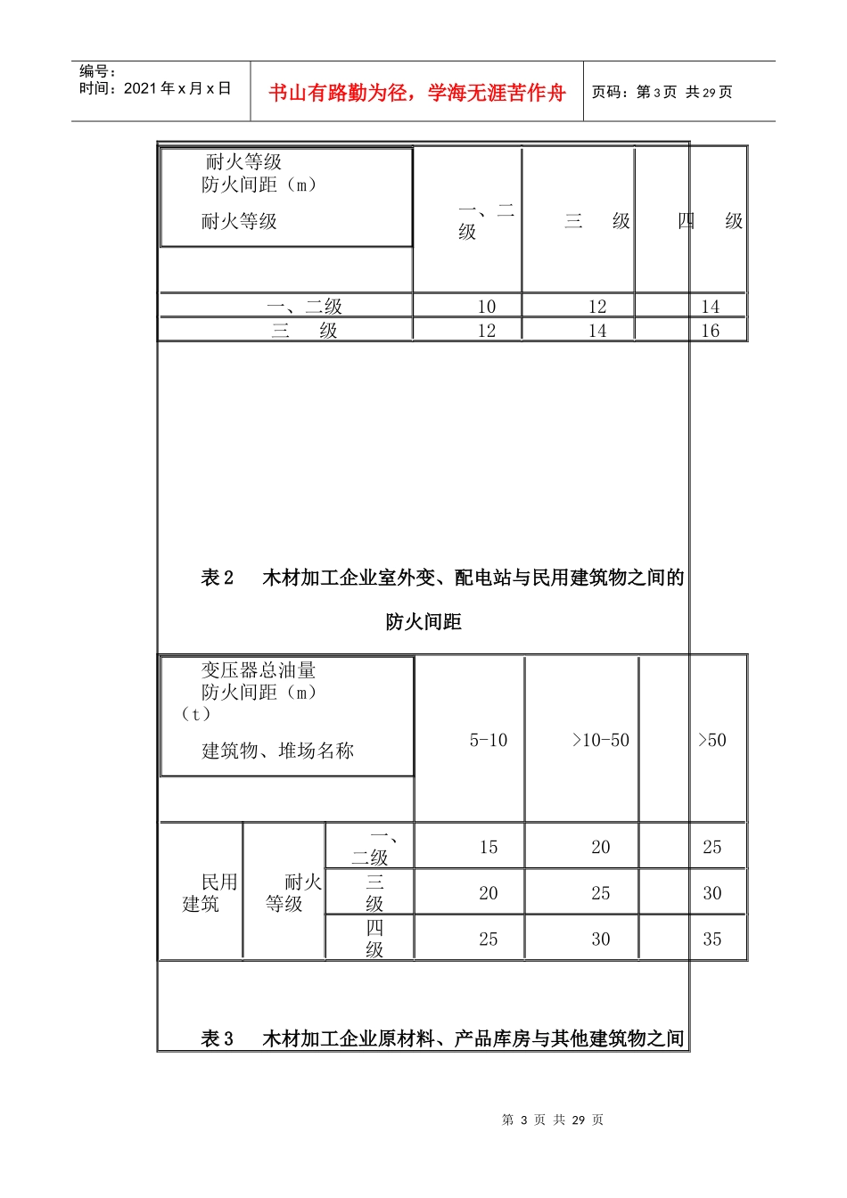
第1页共29页编号:时间:2021年x月x日书山有路勤为径,学海无涯苦作舟页码:第1页共29页江苏省木材加工企业生产安全监督管理导则(2006年5月19日发布)第一章总则第一条为加强对木材加工企业的生产安全监督管理,保证木材加工企业生产经营活动的正常开展,根据《中华人民共和国安全生产法》、《江苏省安全生产条例》等法律、法规的规定,制定本导则。第二条本导则主要适用于全省各级安全生产监督管理部门对木材加工企业生产安全实施行政许可或监督管理。同时,也适用于木材加工企业主管部门对其实施生产安全管理。本导则所称木材加工系指通过刀具破坏木材纤维之间的联系,从而改变木料形状、尺寸和表面质量的加工工艺过程;木材加工企业是指以原木、次小薪材及其它木质纤维等为原材料的初次加工企业。主要产品有方木、中(高)密度板、胶合板、刨花板(含定向刨花板)、细木工板、复合地板和实木地板等。第二章厂址选择第三条根据《建筑设计防火规范》的规定,木材第2页共29页第1页共29页编号:时间:2021年x月x日书山有路勤为径,学海无涯苦作舟页码:第2页共29页加工企业的生产厂房和原材料、产品库房属火灾危险性丙类,易发生火灾事故。第四条木材加工企业的选址,在符合工业布局和城市规划要求的前提下,应选在城镇边缘,且地处该地居民区常年主导风向的下风向,不应位于窝风地段。一般情况下,居住区、交通运输和动力公用设施、废料场及环境保护工程等用地,应与厂区用地同时选择。第五条厂址应处于交通便利,同时具有满足生产、生活及发展规划所必需的水源和电源,应位于不受洪水、潮水或内涝威胁的地带;当不可避免时,必须具有可靠的防洪、排涝措施。凡位于受江、河、湖、海、洪水,潮水或山洪威胁地带的工业企业,其防洪标准应符合现行国家标准《防洪标准》的有关规定。第六条厂址应有利于同邻近工业企业和依托城镇在生产、交通运输、动力公用、修理、综合利用和生活设施等方面的协作。生产厂房和原材料、产品库房耐火等级不低于三级,厂区用不低于2米高的围墙与外界隔离,与周边建筑物的防火间距符合下表1-4的规定:表1木材加工生产厂房与民用建筑物之间的防火间距第3页共29页第2页共29页编号:时间:2021年x月x日书山有路勤为径,学海无涯苦作舟页码:第3页共29页表2木材加工企业室外变、配电站与民用建筑物之间的防火间距表3木材加工企业原材料、产品库房与其他建筑物之间耐火等级防火间距(m)耐火等级一、二级三级四级一、二级101214三级121416变压器总油量防火间距(m)(t)建筑物、堆场名称5-10>10-50>50民用建筑耐火等级一、二级152025三级202530四级253035第4页共29页第3页共29页编号:时间:2021年x月x日书山有路勤为径,学海无涯苦作舟页码:第4页共29页的防火间距防火间距(m)耐火等级一、二级三级四级耐火等级一、二级101214三级121416表4露天、半露天木材堆场与其他建筑物的防火间距防火间距(M)耐火等级一个堆名称场的总储量一、二级三级木材(m3)50~100010151001~10000152010001~250002025第七条下列地段和地区不得选为厂址:(一)发震断层和设防烈度高于九度的地震区;(二)有泥石流、滑坡、流沙、溶洞等直接危害的地段;(三)采矿陷落(错动)区界限内;(四)爆破危险范围内;(五)坝或堤溃决后可能淹没的地区;(六)重要的供水水源卫生保护区;(七)国家规定的风景区及森林和自然保护区;(八)历史文物古迹保护区;第5页共29页第4页共29页编号:时间:2021年x月x日书山有路勤为径,学海无涯苦作舟页码:第5页共29页(九)对飞机起落、电台通讯、电视转播、雷达导航和重要的天文、气象、地震观察以及军事设施等规定有影响的范围内;(十)Ⅳ级自重湿陷性黄土、厚度大的新近堆积黄土、高压缩性的饱和黄土和Ⅲ级膨胀土等工程地质恶劣地区;(十一)具有开采价值的矿藏区。第三章厂区布置第八条木材加工企业的生产区、辅助生产区(包括动力区、贮运区等)、管理区和生活区应按功能相对集中分别布置,管理区、生活区应布置在常年主导风向的上风向。第九条旋切机、削片机、木磨机、吸尘风机等噪声较大的设备应与管理区、生活区、生产厂房等单独...

1、当您付费下载文档后,您只拥有了使用权限,并不意味着购买了版权,文档只能用于自身使用,不得用于其他商业用途(如 [转卖]进行直接盈利或[编辑后售卖]进行间接盈利)。
2、本站所有内容均由合作方或网友上传,本站不对文档的完整性、权威性及其观点立场正确性做任何保证或承诺!文档内容仅供研究参考,付费前请自行鉴别。
3、如文档内容存在违规,或者侵犯商业秘密、侵犯著作权等,请点击“违规举报”。

碎片内容

江苏省木材加工企业生产安全监督管理导则

您可能关注的文档

确认删除?
VIP
微信客服
  • 扫码咨询
会员Q群
  • 会员专属群点击这里加入QQ群
客服邮箱
回到顶部