电脑桌面
添加小米粒文库到电脑桌面
安装后可以在桌面快捷访问

仪器设备技术要求doc-全国高校实验室工作研究会VIP免费

仪器设备技术要求doc-全国高校实验室工作研究会_第1页
1/5
仪器设备技术要求doc-全国高校实验室工作研究会_第2页
2/5
仪器设备技术要求doc-全国高校实验室工作研究会_第3页
3/5
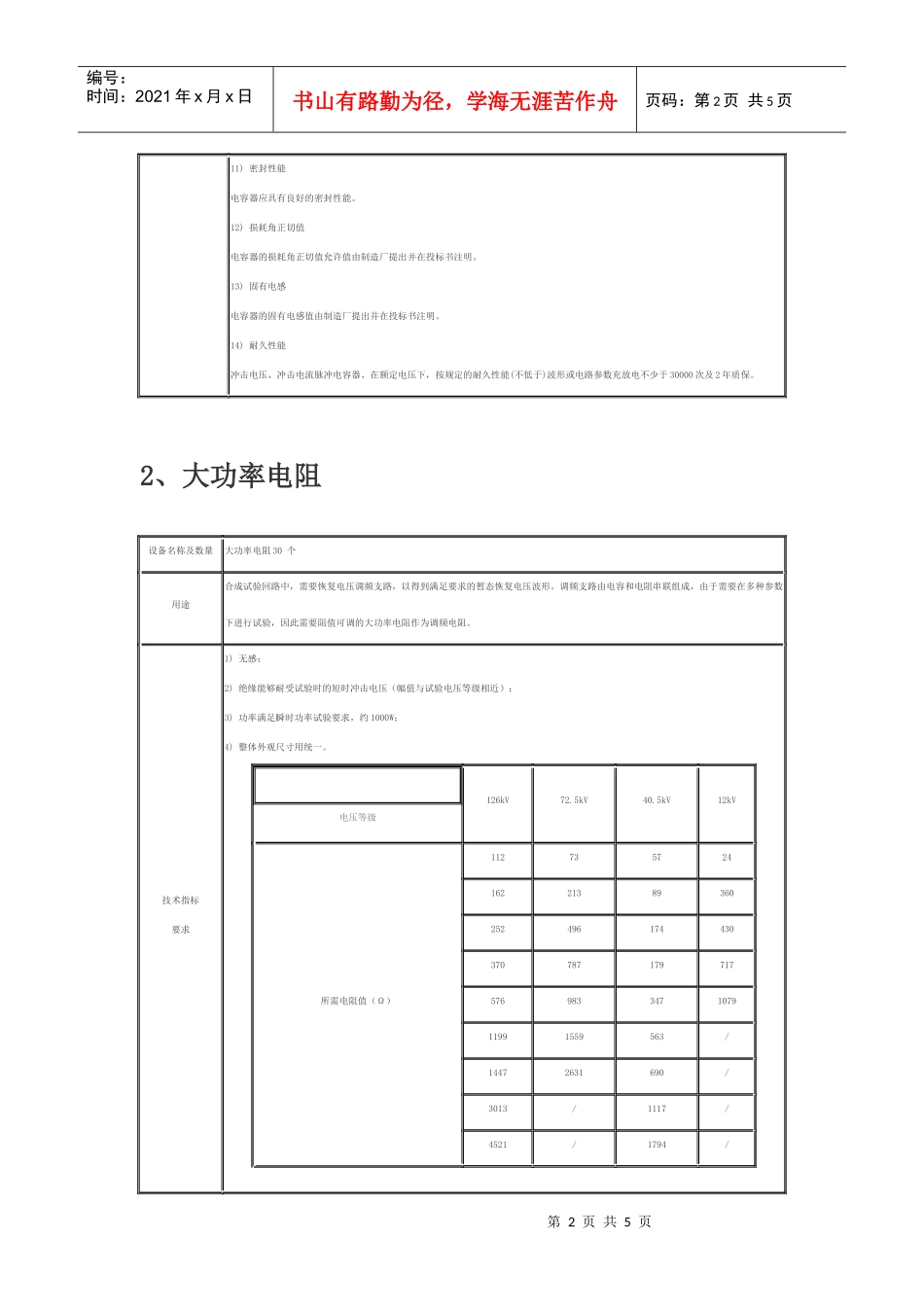
第1页共5页编号:时间:2021年x月x日书山有路勤为径,学海无涯苦作舟页码:第1页共5页附件:仪器设备技术要求1、电压源电容器设备名称及数量脉冲电容器:100kV/3mF(单套管),8台用途电压源回路脉冲电容器,根据试验要求进行串并联,用于产生模拟断路器短路开断暂态恢复电压,电压回路的电压与被试断路器的额定电压相当,可以模拟不同的试验电压等级。技术指标要求要求:电容器供货时间为合同签订后日历日50天,所有电容器保修时间为2年。脉冲电容器符合标准JB/T8168-1999《脉冲电容器及直流电容器》(原GB/T4704-92)。电容器装配完成后,满足运行稳定性要求。投标时提供较为完整的技术参数和电容器外形图纸。1)安装运行地区环境空气温度范围为-15°C~+40°C;2)安装运行地区的海拔不超过1000m;3)安装运行场所相对湿度户内应不大于75%;应无危害金属及绝缘材料的化学物质;应无爆炸及易燃的化学危险物品;应无剧烈的机械振动。4)电容器为户内型号;5)电容偏差:不超过额定值的±5%;6)绝缘电阻或时间常数。当电容器电容>1μF时,时间常数≥5×103s。7)端子间的电介质应能承受如下试验电压:脉冲电容器1.3UN1min8)脉冲电容器一般结构:外壳为钢板,蓝色(按照甲方提供的色板油漆);9)电容器的外观及外形尺寸外形安装尺寸应在投标时提供,并在合同签订后一周内经甲方认可后安排加工。加工应符合产品图样的要求,且除油漆的其他金属外露表面应镀铬。10)电气连接电容器的内部电气连接应牢固可靠。电容器外部配备可见、可目测检查的外部保护。第2页共5页第1页共5页编号:时间:2021年x月x日书山有路勤为径,学海无涯苦作舟页码:第2页共5页11)密封性能电容器应具有良好的密封性能。12)损耗角正切值电容器的损耗角正切值允许值由制造厂提出并在投标书注明。13)固有电感电容器的固有电感值由制造厂提出并在投标书注明。14)耐久性能冲击电压、冲击电流脉冲电容器、在额定电压下,按规定的耐久性能(不低于)波形或电路参数充放电不少于30000次及2年质保。2、大功率电阻设备名称及数量大功率电阻30个用途合成试验回路中,需要恢复电压调频支路,以得到满足要求的暂态恢复电压波形。调频支路由电容和电阻串联组成,由于需要在多种参数下进行试验,因此需要阻值可调的大功率电阻作为调频电阻。技术指标要求1)无感;2)绝缘能够耐受试验时的短时冲击电压(幅值与试验电压等级相近);3)功率满足瞬时功率试验要求,约1000W;4)整体外观尺寸用统一。电压等级126kV72.5kV40.5kV12kV所需电阻值(Ω)11273572416221389360252496174430370787179717576983347107911991559563/14472631690/3013/1117/4521/1794/第3页共5页第2页共5页编号:时间:2021年x月x日书山有路勤为径,学海无涯苦作舟页码:第3页共5页3、局放测量仪设备名称及数量局放测量仪1台用途对实验室的高压设备,如变压器,电缆,套管,电容,断路器等高压设备进行局部放电测试技术指标要求1)检测试品的电容范围;6pF~250μF;2)试验电压可达200kV;3)符合标准DL/T846.1-1999《高电压测试设备通用技术条件:第四部分》。4、谐波信号发生器设备名称及数量谐波信号发生器(型号:TFG5001)1台用途合成回路控制系统的功能是实现对各个断路器的动作时序以及电压源回路点火的控制。控制系统应保证合成回路试验的精度和可靠性,确保合成回路试验的成功率。利用该信号发生器产生基波、谐波、合成波等多种信号来对控制器的信号调理部分的电路进行调试,可以测试控制器的信号检测精度及其保护功能是否可靠。技术指标要求a)正弦波总失真度:≤1%b)频率范围:40mHz~1MHz;c)分辨率:40mHzd)幅度范围:0~20Vp-pe)基波标准:50Hz~100KHzf)谐波次数:1~250次谐波g)谐波相移:粗调:40°/步;连续相移h)输出方式:基波和谐波独立输出,基波和谐波线性叠加合成输出i)输出功率:50Hz~20kz(6W@8Ω)50Hz~100kHz(1W@8Ω)10)频率、幅度扫描:扫描起始点和终止点任意设定,可手动逐点扫描11)触发方式:连续触发,单次触发,门控输出5、高精度LCR测试仪第4页共5页第3页共5页编号:时间:2021年x月x日书山有路勤为径,学海无涯苦作舟页码:第4页共5页...

1、当您付费下载文档后,您只拥有了使用权限,并不意味着购买了版权,文档只能用于自身使用,不得用于其他商业用途(如 [转卖]进行直接盈利或[编辑后售卖]进行间接盈利)。
2、本站所有内容均由合作方或网友上传,本站不对文档的完整性、权威性及其观点立场正确性做任何保证或承诺!文档内容仅供研究参考,付费前请自行鉴别。
3、如文档内容存在违规,或者侵犯商业秘密、侵犯著作权等,请点击“违规举报”。

碎片内容

仪器设备技术要求doc-全国高校实验室工作研究会

确认删除?
VIP
微信客服
  • 扫码咨询
会员Q群
  • 会员专属群点击这里加入QQ群
客服邮箱
回到顶部