电脑桌面
添加小米粒文库到电脑桌面
安装后可以在桌面快捷访问

船体结构装配、总组、船台分段定位精度管理应用工艺VIP免费

船体结构装配、总组、船台分段定位精度管理应用工艺_第1页
1/18
船体结构装配、总组、船台分段定位精度管理应用工艺_第2页
2/18
船体结构装配、总组、船台分段定位精度管理应用工艺_第3页
3/18
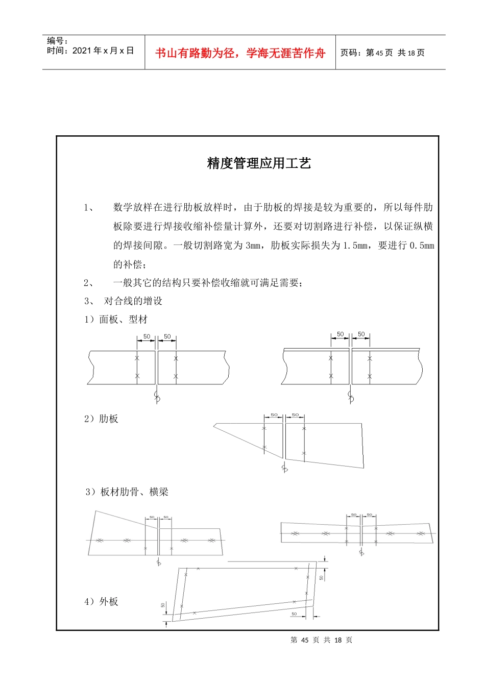
第44页共18页编号:时间:2021年x月x日书山有路勤为径,学海无涯苦作舟页码:第44页共18页九、船体结构装配、总组、船台分段定位精度管理应用工艺1、肋板放样的补偿2、船体结构一般补偿3、对合线增设4、分段切割精度的处理5、大合拢主要精度控制6、上层建筑立体分段计测加工切割要领7、舱口盖单元计测切割要领第45页共18页第44页共18页编号:时间:2021年x月x日书山有路勤为径,学海无涯苦作舟页码:第45页共18页精度管理应用工艺1、数学放样在进行肋板放样时,由于肋板的焊接是较为重要的,所以每件肋板除要进行焊接收缩补偿量计算外,还要对切割路进行补偿,以保证纵横的焊接间隙。一般切割路宽为3mm,肋板实际损失为1.5mm,要进行0.5mm的补偿;2、一般其它的结构只要补偿收缩就可满足需要;3、对合线的增设1)面板、型材2)肋板3)板材肋骨、横梁4)外板第46页共18页第45页共18页编号:时间:2021年x月x日书山有路勤为径,学海无涯苦作舟页码:第46页共18页以上的结构在安装时,只要对合线准确,就进行装焊,以焊接手段消除下料加工的误差。5)部件安装中,以两端的对合线为依据,保证对接缝的准确,而常规的肋骨线,中心线等只作参考。6)各类的分段也相应画出对合线,在合拢时对合用。4、在分段切割完后,对已完成的分段按对合线检查切割精度,对超公差的部份磨去或大接缝检查线批去,这是对船台合拢的成败的关键一着,如第47页共18页第46页共18页编号:时间:2021年x月x日书山有路勤为径,学海无涯苦作舟页码:第47页共18页是衬垫焊接,标准可放松。5、水平接缝的精度要求图一如图一这类形的接缝,一般出现在傍板分段与底部分段,半立体与底部、半立体分段的水平接缝,一般来讲是较难于准确的(因有双曲面),现可设2条水平线,并制定出每档肋骨的伸长度,待分段装焊完成后,划好水平线,量出相应肋骨的伸长度,再切割准确。6、大合拢工艺要求中合拢各分段完成后,由于采取上述工艺措施,分段的精度已较高,但对大合拢如不采取相应的方法,就有可能使工作前功尽弃,措施如下:1)在船台分段吊装4~6个后,要复检端部分段的接缝线是否与船台中心线成90°,如出现a、b值与a′b′值不等(如图二),要作适当的调整,宁可把中心线作适当调整,然后再固定,再往下吊装两端的分段,工艺规程也参照以上的调整方法,是以板缝第48页共18页第47页共18页编号:时间:2021年x月x日书山有路勤为径,学海无涯苦作舟页码:第48页共18页定位为主,其它指标为付,如中心线超差过大,就可平行移动半宽以求各个参数适中。图二2)当底部分段合拢有6~8个以上,在吊装半立体分段或傍板分段、主壁分段之前,要对基线重新测量,定出新的水线,作为后续分段的定位依据如图三(原工艺已制定的全船定位水线)。由于分段在合拢过程中会出现分段的龙骨高度变化,为了克服傍板、半立体分段吊装后出现上口、下口张口现象,就要定出新的定位水线,一直至底部分段安装完毕。在此同时,作为基准点的分段要作适当的支撑加强,以防变形过大。根据新定位水线,按图三测出企口水线划出傍口线,一般加放5mm补偿量,以补偿傍板分段吊装后负重产生的底部左、右舷下沉量。3)傍板分段定位,由于四周是无余量的,分段吊装后先对准板缝线、对合线、半图三宽线、水线,然后用支架或天桥固第49页共18页第48页共18页编号:时间:2021年x月x日书山有路勤为径,学海无涯苦作舟页码:第49页共18页定,并用经纬仪复检傍板大接缝的上下口是否在同一横截面,直至调整在同一横截面为止,见图四。从习惯上来讲,一般是先吊装主壁,再吊装傍板,但由于受到主壁的限制有如下的缺点:a、傍板吊装受到仓壁的结构的限制,吊装不方便,特别是近首尾的傍板分段更为困难。b、由于主壁先定位,傍板定位后可能出现边高有左右不对称或结构对不上的困难。c、脚手架架设困难。图四d、涂装工作不完整。e、主壁定位困难,固定辅助工作量大。f、预舾装工作困难。4)半立体分段的定位安装可参照底部和傍板分段的工艺方法,但要注意的是半立体分段曲率较大,刚性较差,而且层数多。所以半立体的分段合拢,除在设计补偿量时要注意分段的肋骨间距外,在定位...

1、当您付费下载文档后,您只拥有了使用权限,并不意味着购买了版权,文档只能用于自身使用,不得用于其他商业用途(如 [转卖]进行直接盈利或[编辑后售卖]进行间接盈利)。
2、本站所有内容均由合作方或网友上传,本站不对文档的完整性、权威性及其观点立场正确性做任何保证或承诺!文档内容仅供研究参考,付费前请自行鉴别。
3、如文档内容存在违规,或者侵犯商业秘密、侵犯著作权等,请点击“违规举报”。

碎片内容

船体结构装配、总组、船台分段定位精度管理应用工艺

中小学文库+ 关注
实名认证
内容提供者

精品资料应用尽有

确认删除?
VIP
微信客服
  • 扫码咨询
会员Q群
  • 会员专属群点击这里加入QQ群
客服邮箱
回到顶部