电脑桌面
添加小米粒文库到电脑桌面
安装后可以在桌面快捷访问

化学实验室设备配置清单(一)VIP专享VIP免费

化学实验室设备配置清单(一)_第1页
1/30
化学实验室设备配置清单(一)_第2页
2/30
化学实验室设备配置清单(一)_第3页
3/30
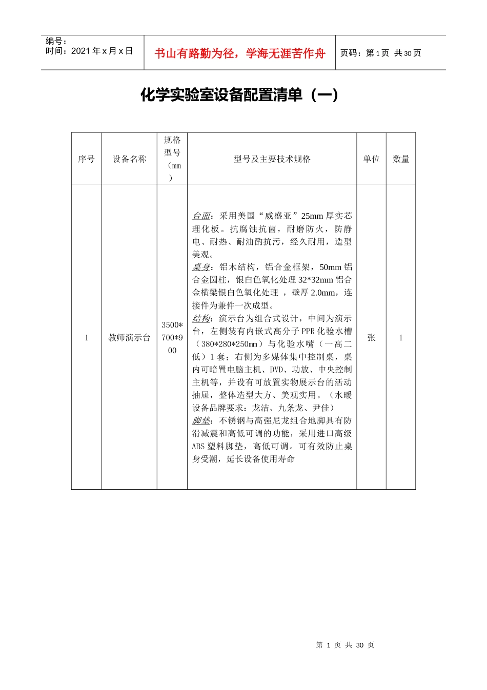
第1页共30页编号:时间:2021年x月x日书山有路勤为径,学海无涯苦作舟页码:第1页共30页化学实验室设备配置清单(一)序号设备名称规格型号(mm)型号及主要技术规格单位数量1教师演示台3500*700*900台面:采用美国“威盛亚”25mm厚实芯理化板。抗腐蚀抗菌,耐磨防火,防静电、耐热、耐油酌抗污,经久耐用,造型美观。桌身:铝木结构,铝合金框架,50mm铝合金圆柱,银白色氧化处理32*32mm铝合金横梁银白色氧化处理,壁厚2.0mm,连接件为兼件一次成型。结构:演示台为组合式设计,中间为演示台,左侧装有内嵌式高分子PPR化验水槽(380*280*250mm)与化验水嘴(一高二低)1套;右侧为多媒体集中控制桌,桌内可暗置电脑主机、DVD、功放、中央控制主机等,并设有可放置实物展示台的活动抽屉,整体造型大方、美观实用。(水暖设备品牌要求:龙洁、九条龙、尹佳)脚垫:不锈钢与高强尼龙组合地脚具有防滑减震和高低可调的功能,采用进口高级ABS塑料脚垫,高低可调。可有效防止桌身受潮,延长设备使用寿命张1第2页共30页第1页共30页编号:时间:2021年x月x日书山有路勤为径,学海无涯苦作舟页码:第2页共30页2学生实验桌2800*600*780台面:台面采用美国“威盛亚”12.7mm厚实芯理化板,四周做加厚磨边处理。抗腐蚀抗菌,耐磨防火,防静电、耐热、耐酌烟抗污,经久耐用,造型美观。桌身:台面安装可伸缩、旋转隐蔽式吸风罩,台面中间安装高分子PPR化验水槽(380*280*250mm)、铜质镀铬三联高压水嘴采用陶瓷芯片两侧安装学生镶装式电源插座。(水暖设备品牌要求:龙洁、九条龙、尹佳)脚垫:不锈钢与高强尼龙组合地脚具有防滑减震和高低可调的功能,采用进口高级ABS塑料脚垫,高低可调。可有效防止桌身受潮,延长设备使用寿命。张143教师实验电源按教育部最新标准设计装置在主控台中间抽屉内:(1)用RC-26安全交流电源总开关(漏电保护开关带工作指示灯)对学生桌交流220v插座输出分组控制。(2)教师演示用交流220v输出插座。所有电器产品符合国家部颁标准。(品牌:正泰、TCL、德力西)套14学生实验电源按教育部最新标准设计台侧装有一个RC-1250带开关2+3多用插座,所有电器符合国家部颁标准。(品牌:正泰、TCL、德力西)套285学生凳150~500凳架铁质喷塑,凳面ABS注塑成形,可旋转升降。张566三联水嘴一高一低铜质聚碳酸酯三联水嘴(品牌要求:龙洁、九条龙、尹佳)套147化验水槽380*280*250高分子PPR(品牌要求:龙洁、九条龙、尹佳)套14第3页共30页第2页共30页编号:时间:2021年x月x日书山有路勤为径,学海无涯苦作舟页码:第3页共30页8全室供电系统地上下部分套19给排水系统地上下部分(由教师对全室给水控制)套110化学药品柜1100*550*2200※铝木结构,高密度板。利用进口封边机对板材所有截面均采用优质2mmPVC封,边条机械封边,优质连接件组装,粘力强,牢固耐用。成品具有不透水、不变形、耐用性强。分上下二层,上下层颁式对开门,内设一层隔板。个1211教师准备桌3300*1200*850同教师讲桌性能相同个112毒品柜900*400*1850钢制双锁个113通风系统由供方提供安装平面图※主管采用500*20优质塑料管,其他支管用400*20优质塑料管,5.5KM罗茨可调速风机套114防盗门2050*1200※铁制,带原厂100mm外框(品牌要求:飞云、盼盼、晶晶.)套415房屋改造1更换800*800防滑地砖(品牌要求:萨米特、美陶、王者)平72.82墙体及棚顶重新粉刷(品牌要求:立邦、都芳、花旗)平1953灯改造换成吸顶灯72W(品牌要求:飞利浦、西顿、赛丽)盏84背头柜和布线套1第4页共30页第3页共30页编号:时间:2021年x月x日书山有路勤为径,学海无涯苦作舟页码:第4页共30页5黑板(黑板要求是曲面金属,曲面侧边宽度为100MM,黑板长宽为3800*1200MM,板面选用韩国进口金属板,带50*50MM暗格。边框采用电涌铝合金框,框宽要求10公分,后衬镀锌板并附有5条肋,附肋用20*25MM腹钢;负责安装)块16窗帘杆改造每室三个窗户米8注:此实验室保质期一年。一年后提供免费维修只收取维修材料费化学实验室设备配置清单(二)第5页共30页第4页共30页编号:时间:2021年x月x日书山有路勤为径,学海无涯苦作舟页码:第5页共30页序号设...

1、当您付费下载文档后,您只拥有了使用权限,并不意味着购买了版权,文档只能用于自身使用,不得用于其他商业用途(如 [转卖]进行直接盈利或[编辑后售卖]进行间接盈利)。
2、本站所有内容均由合作方或网友上传,本站不对文档的完整性、权威性及其观点立场正确性做任何保证或承诺!文档内容仅供研究参考,付费前请自行鉴别。
3、如文档内容存在违规,或者侵犯商业秘密、侵犯著作权等,请点击“违规举报”。

碎片内容

化学实验室设备配置清单(一)

确认删除?
VIP
微信客服
  • 扫码咨询
会员Q群
  • 会员专属群点击这里加入QQ群
客服邮箱
回到顶部