电脑桌面
添加小米粒文库到电脑桌面
安装后可以在桌面快捷访问

生产经营部副主任VIP免费

生产经营部副主任_第1页
1/3
生产经营部副主任_第2页
2/3
生产经营部副主任_第3页
3/3
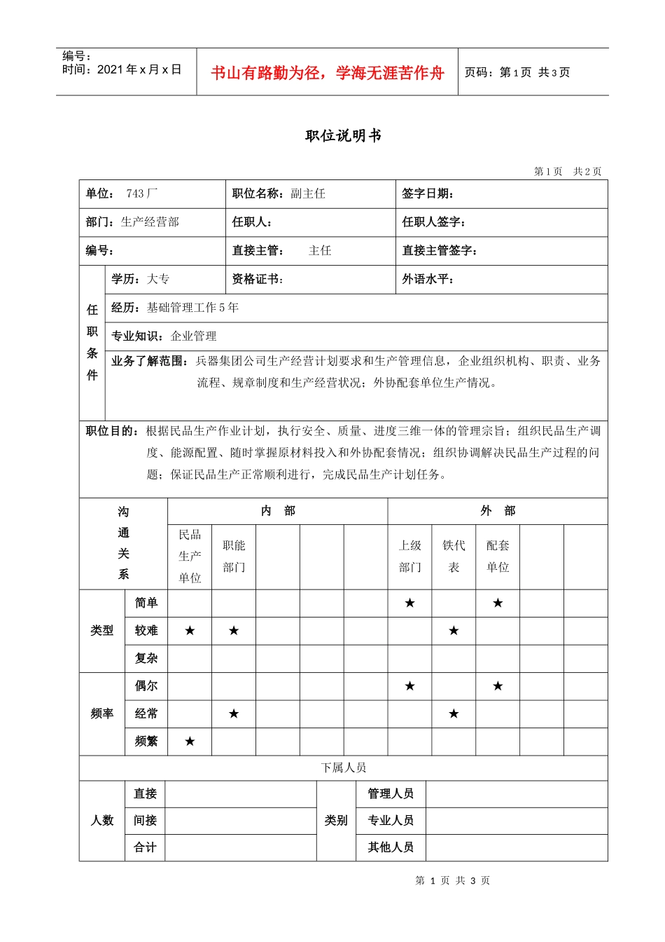
第1页共3页编号:时间:2021年x月x日书山有路勤为径,学海无涯苦作舟页码:第1页共3页职位说明书第1页共2页单位:743厂职位名称:副主任签字日期:部门:生产经营部任职人:任职人签字:编号:直接主管:主任直接主管签字:任职条件学历:大专资格证书:外语水平:经历:基础管理工作5年专业知识:企业管理业务了解范围:兵器集团公司生产经营计划要求和生产管理信息,企业组织机构、职责、业务流程、规章制度和生产经营状况;外协配套单位生产情况。职位目的:根据民品生产作业计划,执行安全、质量、进度三维一体的管理宗旨;组织民品生产调度、能源配置、随时掌握原材料投入和外协配套情况;组织协调解决民品生产过程的问题;保证民品生产正常顺利进行,完成民品生产计划任务。沟通关系内部外部民品生产单位职能部门上级部门铁代表配套单位类型简单★★较难★★★复杂频率偶尔★★经常★★频繁★下属人员人数直接类别管理人员间接专业人员合计其他人员第2页共3页第1页共3页编号:时间:2021年x月x日书山有路勤为径,学海无涯苦作舟页码:第2页共3页职位说明书第2页共2页职责范围说明:按职责重要程度列出每项职责及其目的责任程度衡量标准1.生产调度:根据民品生产作业计划,贯彻执行企业安全、质量、进度三维一体的管理宗旨,组织调度企业民品生产过程各要素,处理解决生产过程中的各种问题及在每天一次的生产调度会上讲评民品生产完成情况,保证民品生产的正常进行,完成民品生产计划任务。全责及时准确有效2.生产协调:根据民品生产作业计划,生产管理制度和民品生产单位的情况,组织对民品生产中发生的各种问题和突发事件协调处理解决,并将处理解决结果或重大问题及时向主任沟通、汇报,保证民品生产顺利进行,完成民品生产计划任务。全责及时有效3.能源配置:根据企业能源配置计划,民品生产作业计划和民品生产状态,对煤气、空气、蒸气、水、电等能源进行合理有效配置,以达到低耗高效民品安全生产的要求。全责能源消耗达标4.原材料投入:根据民品生产作业计划随时掌握原材料库存量和投入量的情况,确保当月生产配置所需原材料用量,协调处理民品原材料供给投入中的各种问题,保证满足民品正常生产需要的原材料投入。全责及时有效5.外协配套:根据企业的有关规定,民品生产作业计划,随时掌握外协配套供应情况,处理解决民品外协配套中发生的各种问题,保证满足民品生产的需要。全责及时有效6.生产计划:依据企业民品生产经营计划,提供民品生产情况,协助编制民品生产作业计划,并组织实施。保证民品生产均衡有序进行。全页准确全面7.现场管理:根据兵器行业生产现场管理标准,指导协助民品生产单位,开展生产现场管理、安全文明生产活动,并检查落实情况,保持现场管理四星级标准,争创达到五星级标准。全页达标第3页共3页第2页共3页编号:时间:2021年x月x日书山有路勤为径,学海无涯苦作舟页码:第3页共3页8.属员管理:(由人力资源部确认)9.

1、当您付费下载文档后,您只拥有了使用权限,并不意味着购买了版权,文档只能用于自身使用,不得用于其他商业用途(如 [转卖]进行直接盈利或[编辑后售卖]进行间接盈利)。
2、本站所有内容均由合作方或网友上传,本站不对文档的完整性、权威性及其观点立场正确性做任何保证或承诺!文档内容仅供研究参考,付费前请自行鉴别。
3、如文档内容存在违规,或者侵犯商业秘密、侵犯著作权等,请点击“违规举报”。

碎片内容

生产经营部副主任

确认删除?
VIP
微信客服
  • 扫码咨询
会员Q群
  • 会员专属群点击这里加入QQ群
客服邮箱
回到顶部