电脑桌面
添加小米粒文库到电脑桌面
安装后可以在桌面快捷访问

体育馆17鲁JJ_043地基钎探记录13车间VIP免费

体育馆17鲁JJ_043地基钎探记录13车间_第1页
1/50
体育馆17鲁JJ_043地基钎探记录13车间_第2页
2/50
体育馆17鲁JJ_043地基钎探记录13车间_第3页
3/50
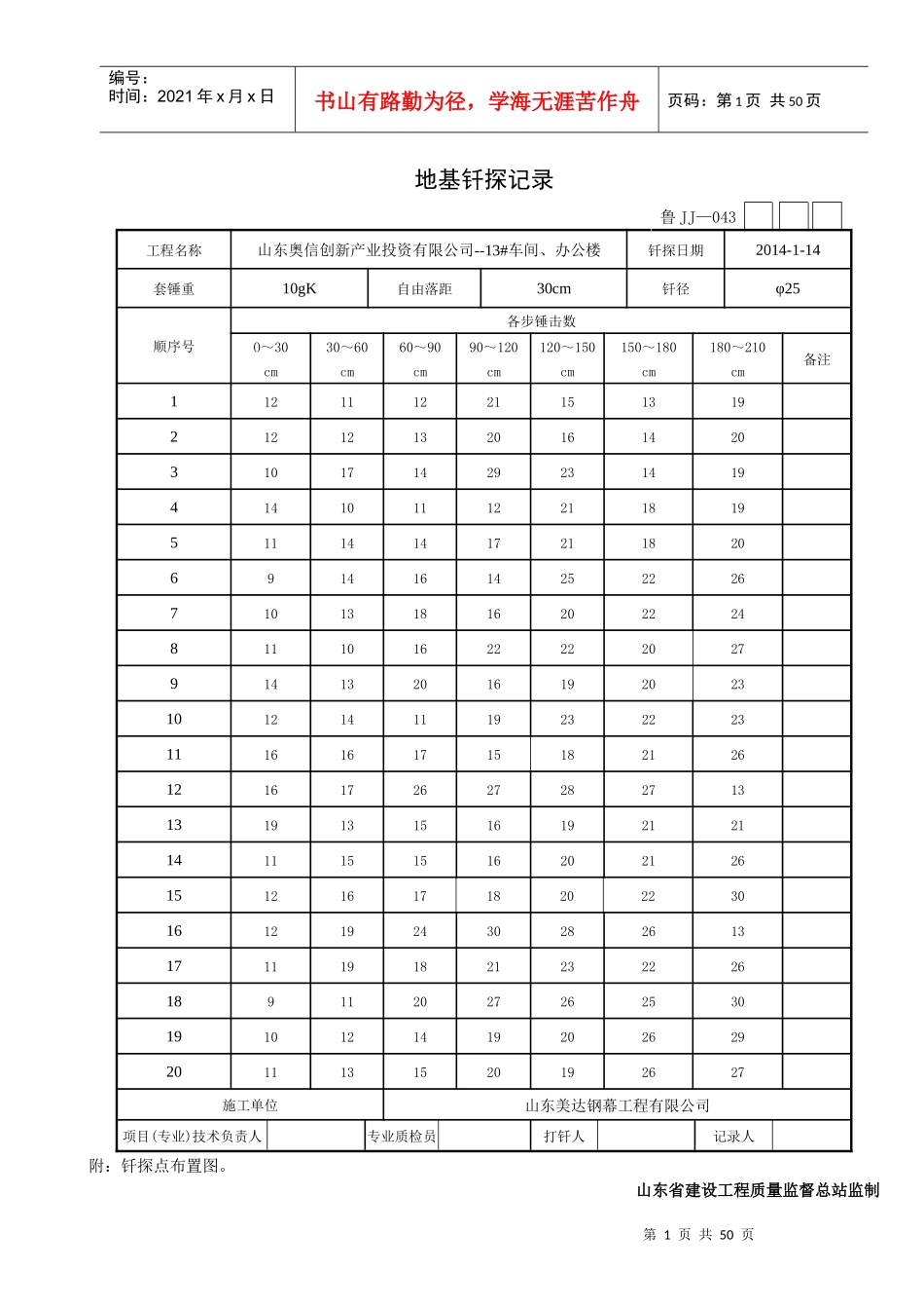
第1页共50页编号:时间:2021年x月x日书山有路勤为径,学海无涯苦作舟页码:第1页共50页地基钎探记录鲁JJ—043工程名称山东奥信创新产业投资有限公司--13#车间、办公楼钎探日期2014-1-14套锤重10gK自由落距30cm钎径φ25顺序号各步锤击数O~30cm30~60cm60~90cm90~120cm120~150cm150~180cm180~210cm备注112111221151319212121320161420310171429231419414101112211819511141417211820691416142522267101318162022248111016222220279141320161920231012141119232223111616171518212612161726272827131319131516192121141115151620212615121617182022301612192430282613171119182123222618911202726253019101214192026292011131520192627施工单位山东美达钢幕工程有限公司项目(专业)技术负责人专业质检员打钎人记录人附:钎探点布置图。山东省建设工程质量监督总站监制第2页共50页第1页共50页编号:时间:2021年x月x日书山有路勤为径,学海无涯苦作舟页码:第2页共50页地基钎探记录鲁JJ—043工程名称山东奥信创新产业投资有限公司--13#车间、办公楼钎探日期2014-1-14套锤重10gK自由落距30cm钎径φ25顺序号各步锤击数O~30cm30~60cm60~90cm90~120cm120~150cm150~180cm180~210cm备注21141426372526282215142030282726231518323330353424131618202830332514201925283035261319202527303327131516192527292813111622333231291316202526283030141821222028293111131820252631321714252624293233151415232826313413171913263033351413172220242936121414232428303715161520273035381414182231303339111618212225294010172020283332施工单位山东美达钢幕工程有限公司项目(专业)技术负责人专业质检员打钎人记录人第3页共50页第2页共50页编号:时间:2021年x月x日书山有路勤为径,学海无涯苦作舟页码:第3页共50页附:钎探点布置图。山东省建设工程质量监督总站监制地基钎探记录鲁JJ—043工程名称山东奥信创新产业投资有限公司--13#车间、办公楼钎探日期2014-1-14套锤重10gK自由落距30cm钎径φ25顺序号各步锤击数O~30cm30~60cm60~90cm90~120cm120~150cm150~180cm180~210cm备注41111316212325324212141723272830431115181922263244141325283231334512151924283033461115192428313447141419232830334812161922263034491015182226303350141723283031315113181923273133521215192426303353151615202730355411131820252932551015182126293156121720232629335711141820252730581215192328293259131619232726326011162024283033施工单位山东美达钢幕工程有限公司第4页共50页第3页共50页编号:时间:2021年x月x日书山有路勤为径,学海无涯苦作舟页码:第4页共50页项目(专业)技术负责人专业质检员打钎人记录人附:钎探点布置图。山东省建设工程质量监督总站监制地基钎探记录鲁JJ—043工程名称山东奥信创新产业投资有限公司--13#车间、办公楼钎探日期2014-1-14套锤重10gK自由落距30cm钎径φ25顺序号各步锤击数O~30cm30~60cm60~90cm90~120cm120~150cm150~180cm180~210cm备注6111131418232732621114182122242863111215181324296491315222133346515182123192629661221242527293167121416181625286812121618212529691211152428323370121116202126297111151624273033721111182718222673121112181820237410131420202428751111242728303376131217282831327712171828293032781112141619222879131216222528308013121728282728第5页共50页第4页共50页编号:时间:2021年x月x日书山有路勤为径,学海无涯苦作舟页码:第5页共50页施工单位山东美达钢幕工程有限公司项目(专业)技术负责人专业质检员打钎人记录人附:钎探点布置图。山东省建设工程质量监督总站监制地基钎探记录鲁JJ—043工程名称山东奥信创新产业投资有限公司--13#车间、办公楼钎探日期2014-1-14套锤重10gK自由落距30cm钎径φ25顺序号各步锤击数O~30cm30~60cm60~90cm90~120cm120~150cm150~180cm180~210cm备注811412141728273082131619202636358311172423243223841313171824263285111514262830338611121622283034871211152...

1、当您付费下载文档后,您只拥有了使用权限,并不意味着购买了版权,文档只能用于自身使用,不得用于其他商业用途(如 [转卖]进行直接盈利或[编辑后售卖]进行间接盈利)。
2、本站所有内容均由合作方或网友上传,本站不对文档的完整性、权威性及其观点立场正确性做任何保证或承诺!文档内容仅供研究参考,付费前请自行鉴别。
3、如文档内容存在违规,或者侵犯商业秘密、侵犯著作权等,请点击“违规举报”。

碎片内容

体育馆17鲁JJ_043地基钎探记录13车间

您可能关注的文档

确认删除?
VIP
微信客服
  • 扫码咨询
会员Q群
  • 会员专属群点击这里加入QQ群
客服邮箱
回到顶部