电脑桌面
添加小米粒文库到电脑桌面
安装后可以在桌面快捷访问

屋面防水施工作业指导书VIP专享VIP免费

屋面防水施工作业指导书_第1页
1/12
屋面防水施工作业指导书_第2页
2/12
屋面防水施工作业指导书_第3页
3/12
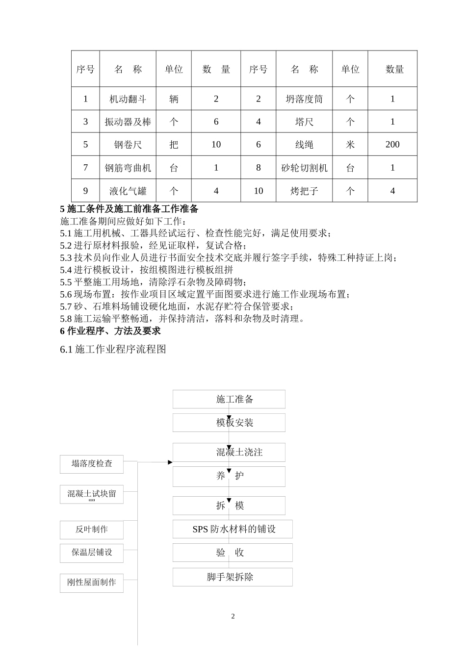
编制依据及引用标准1.1设计施工图纸434-B6019S-T0201,434-B6019S-T0202,434-B6019S-T02031.2国家电网公司输变电工程《施工工艺示范手册》变电工程分册(土建部分)1.3国家电网公司输变电工程《施工标准化作业手册》变电土建工程分册1.4《建筑施工手册》(缩印本)第四版1.5《砼结构工程施工质量验收规范》GB50204-20021.6《砼强度检验评定标准》GBJ107-871.7《建筑工程施工质量验收统一标准》GB50300-20011.8公司《质量、安全健康、环境管理手册》(2008-1-2)1.9《建筑施工手册》(缩订本)2工程概况及施工范围2.1工程概况:本工程为益阳灰山港变电站屋面防水工程,其中包括主控楼、10KV综合配电室、值守室、消防间的屋面。主控楼屋面、10KV综合配电室、值守室屋面均采用C25混凝土,消防间屋面采用C20混凝土进行浇灌。最后均用SPS防水材料进行铺设。2.2施工范围:包括屋面支模、混凝土浇灌、女儿墙反叶制作、屋面保温层铺设、刚性屋面制作,SPS防水材料铺设。3施工作业人员配备与人员资格及职责分工序号岗位名称单位数量备注1现场负责人人1全面负责施工现场人员调配及任务安排2技术员人1进行技术交底、确定施工方案、解决现场技术问题等3安全员人1安全监督4质检员人1施工质量监督检查5实验员人1负责试块预留送检、样品抽取等6木工人8负责模板拼装7混凝土工人8负责混凝土浇注施工8泥工人5女儿墙的砌筑9普工人5杂工4施工所需机械装备及工器具量具、安全防护用品配备1序号名称单位数量序号名称单位数量1机动翻斗辆22坍落度筒个13振动器及棒个64塔尺个15钢卷尺把106线绳米2007钢筋弯曲机台18砂轮切割机台19液化气罐个410烤把子个45施工条件及施工前准备工作准备施工准备期间应做好如下工作:5.1施工用机械、工器具经试运行、检查性能完好,满足使用要求;5.2进行原材料报验,经见证取样,复试合格;5.3技术员向作业人员进行书面安全技术交底并履行签字手续,特殊工种持证上岗;5.4进行模板设计,按组模图进行模板组拼5.5平整施工用场地,清除浮石杂物及障碍物;5.6现场布置:按作业项目区域定置平面图要求进行施工作业现场布置;5.7砂、石堆料场铺设硬化地面,水泥存贮符合保管要求;5.8施工运输平整畅通,并保持清洁,落料和杂物及时清理。6作业程序、方法及要求6.1施工作业程序流程图2施工准备模板安装混凝土浇注养护拆模塌落度检查混凝土试块留置反叶制作保温层铺设SPS防水材料的铺设验收脚手架拆除刚性屋面制作6.2作业内容及要求6.2.1钢筋工程6.2.1.1材料控制a.钢筋进场时必须带有出厂合格证,进场后应有材料员及时进行验收、整理、分类堆放,抽样送检,并做好标志,堆放场地全部硬化且排水通畅。b.钢筋经试验合格后方可使用,取样必须符合有关抽样复试规定。6.2.1.2钢筋加工钢筋由现场钢筋场加工制作,现场就位绑扎。钢筋下料前认真审查图纸绘出各处形状和规格的单根钢筋图并按要求加以编号,分别计算钢筋下料长度和根数,填好钢筋下料表,再进行下料,各种钢筋的下料长度必须按规范要求进行计算。按设计图纸核对加工的半成品钢筋,对其规格、形状、型号、品种经过检验,然后挂牌堆放好。6.2.1.3钢筋的接头受力钢筋的锚固长度(la)见下表(d为钢筋直径)混凝土强度等级钢筋类别钢筋直径C25C30C40≤25>25≤25>25≤25>25HPB23528d25d21dHRB33535d39d31d34d26d29d6.2.3.4钢筋绑扎(1)基础钢筋的绑扎顺序:划钢筋位置线→运钢筋到使用部位→绑扎钢筋网(2)钢筋绑扎前再次检验钢筋的型号、数量、制作精度等均应符合设计及有关规范要求。(3)钢筋绑扎:按图纸标示顺序进行绑扎,由一端向另一端依次进行。受力钢筋接头位置正确,其接头相互错开。每个接头的位置相应互相错开45d,接头钢筋面积的百分率小于50%。(4)钢筋保护层厚度:施工中钢筋要有足够的保护层,保护层可用高标号砂浆垫控制。垫块中预埋铅丝,砂浆垫块的长宽一般不小于50mm,间隔1m,侧面的垫块应与钢筋绑牢。(5)负弯矩钢筋用马蹬,防止钢筋踩踏变形。6.2.2模板工程本工程基础模板采用木胶合板模。施工前搞好交底和检查,保证模板应有的刚度、强度、稳定性。安装模板前先复查屋面标高及中心线位置,弹出屋面边线,屋...

1、当您付费下载文档后,您只拥有了使用权限,并不意味着购买了版权,文档只能用于自身使用,不得用于其他商业用途(如 [转卖]进行直接盈利或[编辑后售卖]进行间接盈利)。
2、本站所有内容均由合作方或网友上传,本站不对文档的完整性、权威性及其观点立场正确性做任何保证或承诺!文档内容仅供研究参考,付费前请自行鉴别。
3、如文档内容存在违规,或者侵犯商业秘密、侵犯著作权等,请点击“违规举报”。

碎片内容

屋面防水施工作业指导书

确认删除?
VIP
微信客服
  • 扫码咨询
会员Q群
  • 会员专属群点击这里加入QQ群
客服邮箱
回到顶部