电脑桌面
添加小米粒文库到电脑桌面
安装后可以在桌面快捷访问

江苏省南京市六校联合体2024届高三上学期10月联合调研化学含答案VIP免费

江苏省南京市六校联合体2024届高三上学期10月联合调研化学含答案_第1页
1/8
江苏省南京市六校联合体2024届高三上学期10月联合调研化学含答案_第2页
2/8
江苏省南京市六校联合体2024届高三上学期10月联合调研化学含答案_第3页
3/8
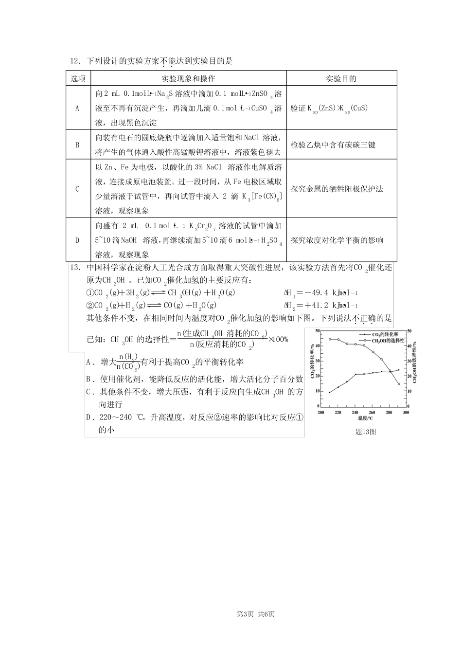
第1页共6页2023~2024学年第一学期10月六校联合调研试题高三化学可能用到的相对原子质量:H1C12O16Na23S32Zn65一、单项选择题:共13题,每题3分,共39分。1.CO2捕集与封存是CO2减排的重要手段。下列关于CO2综合利用与处理方法不正确...的是A.电化学氧化法B.环加成制聚碳酸酯C.碱液吸收法D.加氢制碳氢化合物2.下列有关化学用语的表述正确的是A.NH4Br的电子式:B.O3分子的球棍模型:C.NaBH4中H元素的化合价为+1D.CuSO4·5H2O中含离子键、共价键、配位键、氢键3.下列实验装置与操作正确的是A.用图甲所示装置分离CCl4和H2OB.用图乙所示装置干燥氨气C.用图丙所示装置做制取氯气的发生装置D.用图丁所示装置比较HCl、H2CO3、H2SiO3的酸性4.N、O、Na、Mg是周期表中的短周期主族元素。下列有关说法正确的是A.碱性:NaOH<Mg(OH)2B.第一电离能:I1(Na)<I1(Mg)C.原子半径:r(N)<r(O)D.N2、Na2O、Mg的晶体类型相同阅读下列材料,完成5~7题:周期表中ⅥA族元素及其化合物应用广泛。H2S(燃烧热为562.2kJ·mol-1)是一种易燃的有毒气体,可制取各种硫化物;硫酸、硫酸盐是重要化工原料;硫酰氯(SO2Cl2)是重要的化工试剂,常作氯化剂或氯磺化剂。硒(34Se)和碲(52Te)的单质及其化合物在电子、冶金、材料等领域有广阔的发展前景,工业上以精炼铜的阳极泥(含CuSe)为原料回收Se,以电解强碱性Na2TeO3溶液制备Te。5.下列说法正确的是A.H2O2是非极性分子B.SO3中的∠O-S-O与SO2-3中的相等C.基态Se原子核外价电子排布式为4s24p4D.ⅥA族元素氢化物的沸点从上到下依次增大图甲图乙图丙图丁第2页共6页6.下列化学反应表示正确的是A.Cu和浓硫酸反应:Cu+2H2SO4(浓)=====△CuSO4+2H2O+SO2↑B.H2S的燃烧:2H2S(g)+3O2(g)===2SO2(g)+2H2O(g)ΔH=−1124.4kJ·mol-1C.电解强碱性Na2TeO3溶液的阴极反应:TeO2-3+4e-+6H+===Te+3H2OD.SO2Cl2遇水强烈水解生成两种酸:SO2Cl2+2H2O===4H++SO2-3+2Cl-7.下列有关物质的性质与用途具有对应关系的是A.硫化钠具有还原性,可用作Hg2+沉淀剂B.浓硫酸具有吸水性,可用于干燥二氧化硫C.硫黄为淡黄色固体,可用作制硫磺皂D.二氧化硫具有氧化性,可用于漂白纸浆8.某过渡金属(M)—锂离子电池的结构如图所示,总反应式为LixCn+LiyMO2放电充电Lix-1Cn+Liy+1MO2,下列说法不正确...的是A.放电时电子从Cn流入Al,还原电极B中的金属元素MB.充电时B电极的反应式为:Liy+1MO2-e-===LiyMO2+Li+C.电解质不能用水溶液,但可用离子液体D.当Li+移向电极A时,化学能转化为电能9.Y是合成药物查尔酮类抑制剂中间体,由X在一定条件下反应制得。下列叙述正确的是A.K2CO3是为了结合反应产生的HBrB.FeCl3溶液不能鉴别X和YC.Y存在顺反异构体D.X与H2完全加成所得产物分子中含2个手性碳原子10.750℃时,NH3和O2发生以下两个反应:①4NH3(g)+5O2(g)4NO(g)+6H2O(g)ΔH1②4NH3(g)+3O2(g)2N2(g)+6H2O(g)ΔH2下列说法正确的是A.反应①的平衡常数可表示为K1=c4(NO)c4(NH3)·c5(O2)B.反应②的ΔS<0C.反应①中每生成2molNO,转移电子数约为6.02×1024D.反应②的ΔH2=2E(N≡N)+12E(H-O)-12E(N-H)-3E(O=O)11.实验室向CaSO4悬浊液中加入过量(NH4)2CO3溶液,充分搅拌后过滤得到CaCO3。已知室温时,Ksp(CaSO4)=9.0×10-6,Ksp(CaCO3)=3.0×10-9。下列说法正确的是A.(NH4)2CO3溶液中存在:c(OH-)=c(H+)+c(HCO-3)+2c(H2CO3)B.CaSO4悬浊液中存在:c(Ca2+)<10-5mol·L-1C.反应CaSO4+CO2-3CaCO3+SO2-4正向进行,需满足cSO2-4cCO2-3<3.0×103D.过滤后所得滤液中一定存在:c(H+)+c(NH+4)=c(OH-)+2c(SO2-4)第3页共6页12.下列设计的实验方案不能..达到实验目的是选项实验现象和操作实验目的A向2mL0.1mol·L-1Na2S溶液中滴加0.1mol·L-1ZnSO4溶液至不再有沉淀产生,再滴加几滴0.1mol·L-1CuSO4溶液,出现黑色沉淀验证Ksp(ZnS)>Ksp(CuS)B向装有电石的圆底烧瓶中逐滴加入适量饱和NaCl溶液,将产生的气体通入酸性高锰酸钾溶液中,溶液紫色褪去检验乙炔中含有碳碳三键C以Zn、Fe为电极,以...

1、当您付费下载文档后,您只拥有了使用权限,并不意味着购买了版权,文档只能用于自身使用,不得用于其他商业用途(如 [转卖]进行直接盈利或[编辑后售卖]进行间接盈利)。
2、本站所有内容均由合作方或网友上传,本站不对文档的完整性、权威性及其观点立场正确性做任何保证或承诺!文档内容仅供研究参考,付费前请自行鉴别。
3、如文档内容存在违规,或者侵犯商业秘密、侵犯著作权等,请点击“违规举报”。

碎片内容

江苏省南京市六校联合体2024届高三上学期10月联合调研化学含答案

您可能关注的文档

文达天下+ 关注
实名认证
内容提供者

各类试题、文摘、指南、行业规范

确认删除?
VIP
微信客服
  • 扫码咨询
会员Q群
  • 会员专属群点击这里加入QQ群
客服邮箱
回到顶部