电脑桌面
添加小米粒文库到电脑桌面
安装后可以在桌面快捷访问

化学一模试题分类汇编——化学反应速率与化学平衡综合及详细答案VIP免费

化学一模试题分类汇编——化学反应速率与化学平衡综合及详细答案_第1页
1/14
化学一模试题分类汇编——化学反应速率与化学平衡综合及详细答案_第2页
2/14
化学一模试题分类汇编——化学反应速率与化学平衡综合及详细答案_第3页
3/14
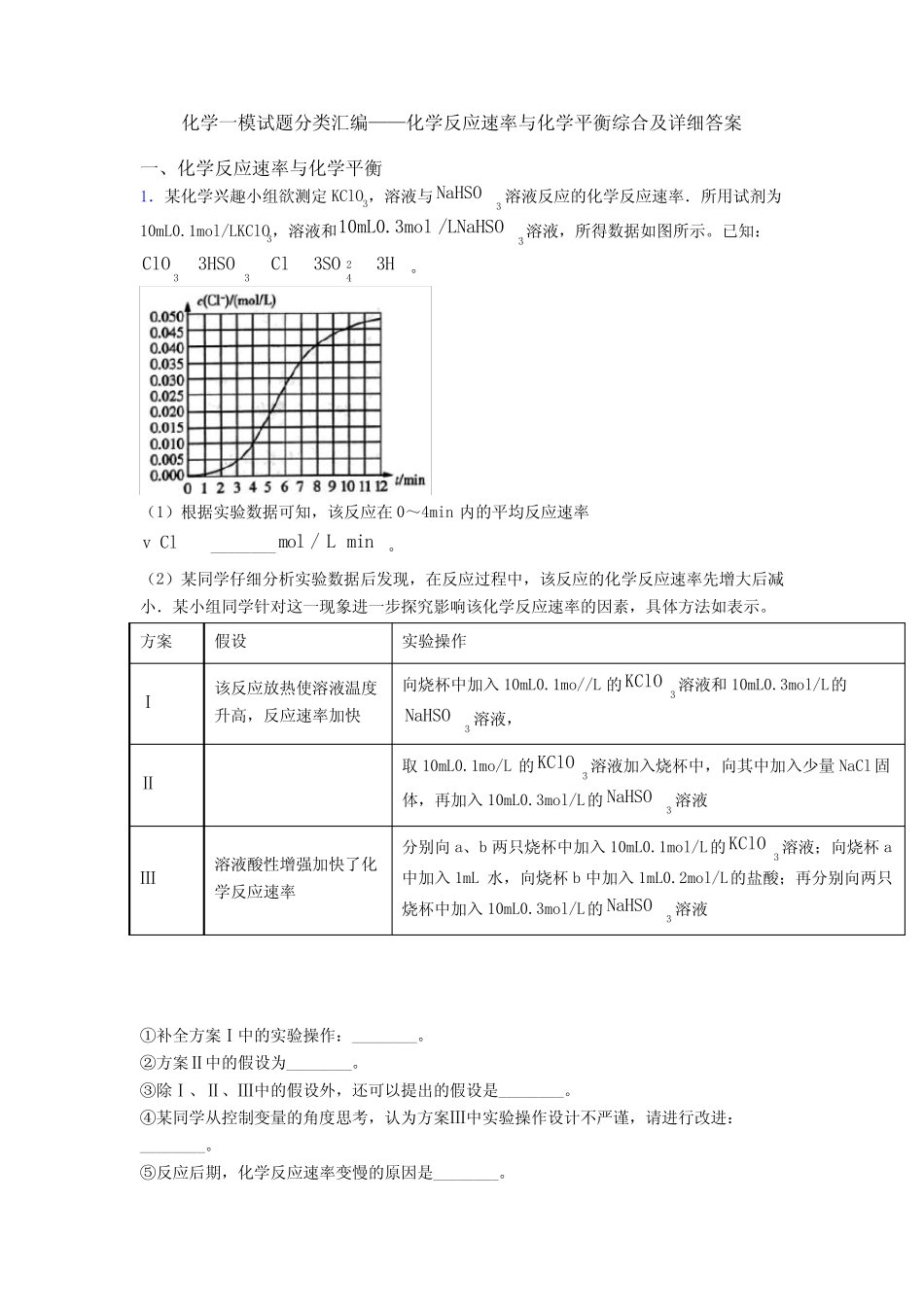
化学一模试题分类汇编——化学反应速率与化学平衡综合及详细答案一、化学反应速率与化学平衡1.某化学兴趣小组欲测定KClO3,溶液与3NaHSO溶液反应的化学反应速率.所用试剂为10mL0.1mol/LKClO3,溶液和310mL0.3mol/LNaHSO溶液,所得数据如图所示。已知:2334ClO3HSOCl3SO3H。(1)根据实验数据可知,该反应在0~4min内的平均反应速率Clv________mol/Lmin。(2)某同学仔细分析实验数据后发现,在反应过程中,该反应的化学反应速率先增大后减小.某小组同学针对这一现象进一步探究影响该化学反应速率的因素,具体方法如表示。方案假设实验操作Ⅰ该反应放热使溶液温度升高,反应速率加快向烧杯中加入10mL0.1mo//L的3KClO溶液和10mL0.3mol/L的3NaHSO溶液,Ⅱ取10mL0.1mo/L的3KClO溶液加入烧杯中,向其中加入少量NaCl固体,再加入10mL0.3mol/L的3NaHSO溶液Ⅲ溶液酸性增强加快了化学反应速率分别向a、b两只烧杯中加入10mL0.1mol/L的3KClO溶液;向烧杯a中加入1mL水,向烧杯b中加入1mL0.2mol/L的盐酸;再分别向两只烧杯中加入10mL0.3mol/L的3NaHSO溶液①补全方案Ⅰ中的实验操作:________。②方案Ⅱ中的假设为________。③除Ⅰ、Ⅱ、Ⅲ中的假设外,还可以提出的假设是________。④某同学从控制变量的角度思考,认为方案Ⅲ中实验操作设计不严谨,请进行改进:________。⑤反应后期,化学反应速率变慢的原因是________。【答案】0.0025插入温度计生成的Cl加快了化学反应速率生成的24SO加快了化学反应速率将1mL水改为1mL0.2mol/L的NaCl溶液反应物浓度降低【解析】【分析】【详解】(1)根据实验数据可知,该反应在0~4min内生成氯离子的浓度是0.010mol/L,所以平均反应速率Cl0.010mol/L4min0.0025mol/Lminc;(2)①由于是假设该反应放热,使溶液温度升高,反应速率加快,因此需要测量反应过程中溶液温度的变化;②方案I、Ⅱ相比较,Ⅱ中加入了少量氯化钠,所以方案Ⅱ中的假设为生成的Cl加快了化学反应速率;③由于反应中还有硫酸根离子生成,则除I、Ⅱ、Ⅲ中的假设外,还可以提出的假设是生成的硫酸根离子加快了化学反应速率;④为防止氯离子对实验的干扰,则改进措施是将1mL水改为1mL0.2mol/L的NaCl溶液;⑤反应后期反应物浓度减小,因此化学反应速率变慢。【点睛】对于多因素(多变量)的问题,常常采用控制因素(变量)的方法,把多因素的问题变成多个单因素的问题。每一次只改变其中的某一个因素,而控制其余几个因素不变,从而研究被改变的这个因素对事物的影响,分别加以研究,最后再综合解决,这种方法叫控制变量法。它是科学探究中的重要思想方法,广泛地运用在各种科学探索和科学实验研究之中。2.某化学小组为了研究外界条件对化学反应速率的影响,进行了如下实验:【实验原理】2KMnO4+5H2C2O4+3H2SO4=K2SO4+2MnSO4+10CO2↑+8H2O【实验内容及记录】实验编号实验温度试管中所加试剂及其用量/mL溶液褪至无色所需时间/min0.6mol/LH2C2O4溶液H2O3mol/L稀H2SO4溶液0.05mol/LKMnO4溶液①253.0V12.03.01.5②252.03.02.03.02.7③502.0V22.03.01.0(1)请完成此实验设计,其中:V1=,V2=。(2)实验①、②探究的是对化学反应速率的影响,根据上表中的实验数据,可以得到的结论是_________________________________________________________。(3)探究温度对化学反应速率的影响,应选择________________(填实验编号)。(4)利用实验1中的数据,计算用KMnO4表示的化学反应速率为____________________。(5)该小组同学根据经验绘制了n(Mn2+)随时间变化的趋势如图1所示,但有同学查阅已有的实验资料发现,该实验过程中n(Mn2+)随时间变化的实际趋势如图2所示。该小组同学根据图2所示信息提出了新的假设,并设计以下实验方案继续进行实验探究。实验编号实验温度/℃试管中所加试剂及其用量再向试管中加入某种固体溶液褪至无色所需时间/min0.6mol/LH2C2O4溶液H2O3mol/L稀H2SO4溶液0.05mol/LKMnO4溶液④252.03.02.03.0MnSO4t①该小组同学提出的假设是________________________________________________。②若该小组同学提出的假设成立...

1、当您付费下载文档后,您只拥有了使用权限,并不意味着购买了版权,文档只能用于自身使用,不得用于其他商业用途(如 [转卖]进行直接盈利或[编辑后售卖]进行间接盈利)。
2、本站所有内容均由合作方或网友上传,本站不对文档的完整性、权威性及其观点立场正确性做任何保证或承诺!文档内容仅供研究参考,付费前请自行鉴别。
3、如文档内容存在违规,或者侵犯商业秘密、侵犯著作权等,请点击“违规举报”。

碎片内容

化学一模试题分类汇编——化学反应速率与化学平衡综合及详细答案

您可能关注的文档

文达天下+ 关注
实名认证
内容提供者

各类试题、文摘、指南、行业规范

确认删除?
VIP
微信客服
  • 扫码咨询
会员Q群
  • 会员专属群点击这里加入QQ群
客服邮箱
回到顶部