电脑桌面
添加小米粒文库到电脑桌面
安装后可以在桌面快捷访问

气瓶安全监察规程doc-江苏质监信息网VIP免费

气瓶安全监察规程doc-江苏质监信息网_第1页
1/24
气瓶安全监察规程doc-江苏质监信息网_第2页
2/24
气瓶安全监察规程doc-江苏质监信息网_第3页
3/24
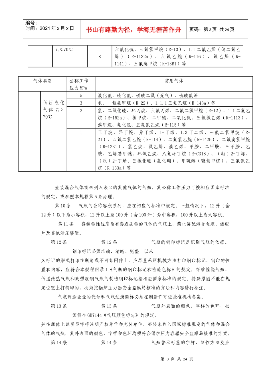
第1页共24页编号:时间:2021年x月x日书山有路勤为径,学海无涯苦作舟页码:第1页共24页气瓶安全监察规程质技监局锅发[2000]250号总则第1条为了加强气瓶的安全监察,保证气瓶安全使用,促进国民经济的发展,保护人身和财产安全,根据《产品质量法》、《锅炉压力容器安全监察暂行条例》的规定,制订本规程。第2条本规程适用于正常环境温度(-40~60℃)下使用的、公称工作压力为1.0~30Mpa(表压,下同)、公称容积为0.4~3000L、盛装永久气体、液化气体或混合气体的无缝、焊接和特种气瓶(“特种气瓶”指车用气瓶、低温绝热气瓶、纤维缠绕气瓶和非重复充装气瓶等,其中低温绝热气瓶的公称工作压力的下限为0.2MPa)。本规程不适用于盛装溶解气体、吸附气体的气瓶,以及机器设备上附属的瓶式压力容器。第3条本规程的规定是对气瓶安全的基本要求。气瓶的设计、制造、充装、运输、储存、经销、使用和检验等,均应符合本规程的规定。各有关部门和单位,必须认真贯彻执行本规程,各级质量技术监督行政部门负责监督检查。第4条气瓶产品应符合相应国家标准的规定。标准中应包括产品型式试验的内容和要求。暂时没有国家标准的产品,由制造企业采用或参照国际标准或国外先进标准制订企业标准。企业标准需经全国气瓶标准化技术委员会评审备案。第5条研制、开发气瓶及其附件新产品,应在试验研究并取得成果的基础上进行产品试制。试制品应符合产品标准的要求,并按本规程附录3《气瓶型式试验技术评定的内容和要求》,由国家质量技术监督局锅炉压力容器安全监察局授权的单位组织专家进行技术评定。经型式试验技术评定合格的气瓶,允许在省级锅炉压力容器安全监察机构指定的范围和规定时间内试用。试用期满后,按程序办理制造资格认可手续。第6条进口气瓶的管理按《进口锅炉压力容器安全质量许可制度实施办法》和《进出口锅炉压力容器监督管理办法》执行。向我国出口气瓶及其附件的境外制造企业,必须取得中华人民共和国国家质量技术监督局颁发的安全质量许可证书。第一章第一章一般规定第2页共24页第1页共24页编号:时间:2021年x月x日书山有路勤为径,学海无涯苦作舟页码:第2页共24页第7条瓶装气体的分类按GB16163《瓶装压缩气体分类》规定。按其临界温度可划分为三类:1.临界温度小于-10℃的为永久气体;2.临界温度大于或等于-10℃,且小于或等于70℃的为高压液化气体;3.临界温度大于70℃的为低压液化气体。第8条气瓶的压力系列如表1规定。气瓶的水压试验压力,一般应为公称工作压力的1.5倍;特殊情况者,按相应国家标准的具体规定。表1(MPa)压力类别高压低压公称工作压力30201512.585321水太试验压力453022.518.8127.54.531.5第9条气瓶的公称工作压力,对于盛装永久气体的气瓶,系指在基准温度时(一般为20℃),所盛装气体的限定充装压力;对于盛装液化气体的气瓶,系指温度为60℃时瓶内气体压力的上限值。盛装高压液化气体的气瓶,其公称工作压力不得小于8MPa。盛装有毒和剧毒危害的液化气体的气瓶,其公称工作压力的选用应适当提高。常用气体气瓶的公称工作压力如表2规定。表2气体类别公称工作压力MPa常用气体永久气体Tc<-10℃30空气、氧、氢、氮、氩、氦、氖、氪、甲烷、煤气、天然气、氟等2015空气、氧、氢、氮、氩、、氦、氖、甲烷、煤气、三氟化硼、四氟甲烷(R-14)、一氧化碳、一氧化氮、氘(重氢)、氪等20二氧化碳、一氧化二氮(氧化亚氮)、乙烷、乙烯、硅烷、磷烷、乙硼烷等15液化气体Tc≥-10℃高压液化气体~10℃≤12.5氙、一氧化二氮(氧化亚氮)、六氟化硫、氯化氢、乙烷、乙烯、三氟氯甲烷(R-13)、三氟甲烷(R-23)、六氟乙烷(R-116)、1.1二氟乙烯(偏二氟乙烯)(R-1132a)、氟乙烯(R-1141)、三氟溴甲烷(R-13B1)等第3页共24页第2页共24页编号:时间:2021年x月x日书山有路勤为径,学海无涯苦作舟页码:第3页共24页Tc≤70℃8六氟化硫、三氟氯甲烷(R-13)、1.1二氟乙烯(偏二氟乙烯)(R-1132a)、六氟乙烷(R-116)、氟乙烯(R-1141)、三氟溴甲烷(R-13B1)等气体类别公称工作压力MPa常用气体低压液化气体Tc>70℃5溴化氢、硫化氢、碳酰二氯(光气)、硫酰氟等3...

1、当您付费下载文档后,您只拥有了使用权限,并不意味着购买了版权,文档只能用于自身使用,不得用于其他商业用途(如 [转卖]进行直接盈利或[编辑后售卖]进行间接盈利)。
2、本站所有内容均由合作方或网友上传,本站不对文档的完整性、权威性及其观点立场正确性做任何保证或承诺!文档内容仅供研究参考,付费前请自行鉴别。
3、如文档内容存在违规,或者侵犯商业秘密、侵犯著作权等,请点击“违规举报”。

碎片内容

气瓶安全监察规程doc-江苏质监信息网

您可能关注的文档

确认删除?
VIP
微信客服
  • 扫码咨询
会员Q群
  • 会员专属群点击这里加入QQ群
客服邮箱
回到顶部