电脑桌面
添加小米粒文库到电脑桌面
安装后可以在桌面快捷访问

表一、闭路电视监控及周界防报警综合安全防范子系统VIP免费

表一、闭路电视监控及周界防报警综合安全防范子系统_第1页
1/3
表一、闭路电视监控及周界防报警综合安全防范子系统_第2页
2/3
表一、闭路电视监控及周界防报警综合安全防范子系统_第3页
3/3
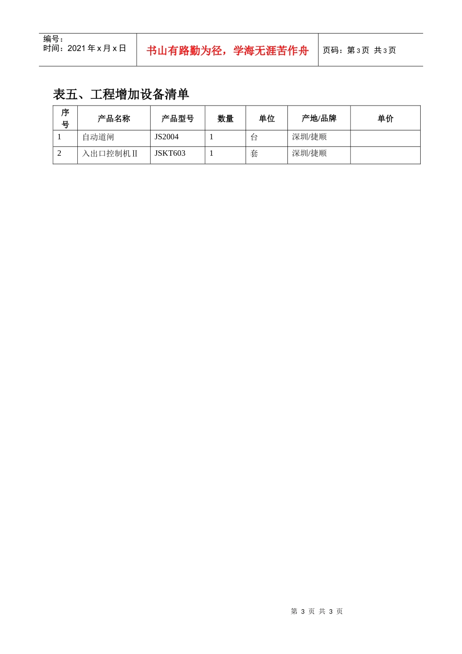
第1页共3页编号:时间:2021年x月x日书山有路勤为径,学海无涯苦作舟页码:第1页共3页表一、闭路电视监控及周界防报警综合安全防范子系统序号产品名称产品型号数量单位产地/品牌单价一、闭路电视监控系统设备1.三星1/3〞黑白数字式摄像机(550线0.2Lux)SBC—331AP7台天津组装2.三星1/3〞彩色数字式(480线0.7Lux)SCC—101AP12台天津组装3.三星17〞纯平显示器783MB2台天津组装4.精工自动光圈镜头8mm19只日本组装5.摄像机室外防护罩(球罩)6只6.铝合金摄像机室外防护罩13只7.豪华型锌铝圆座L型支架148MMWA—NG1419只8.16路数字硬盘录像机MY5001台深圳产9.8路数字硬盘录像机MY4001台深圳产10.UPS3KVAWYJ—30051台二、周界防盗报警系统设备1124防区防盗报警控制通讯主机VIST-1201台美国原产12ADENCO24防区布撤防键盘N6119V1M66601块美国原产13100米双光束红外线对射探测器艾礼富10对深圳组装1480米双光束红外线对射探测器艾礼富10对深圳组装1515米双光束红外线对射探测器艾礼富4对深圳组装昆明智网网络科技有限公司王永华(0871-5350445、6643034)第2页共3页第1页共3页编号:时间:2021年x月x日书山有路勤为径,学海无涯苦作舟页码:第2页共3页表二、停车场管理子系统序号产品名称产品型号数量单位产地/品牌单价1自动道闸JSZD0042台深圳/捷顺2数字车辆检测器JS8002台深圳/捷顺3入口控制机ⅠJSKT6001套深圳/捷顺4出口控制机ⅡJSKT6011套深圳/捷顺5发卡器JS6221C1台深圳/捷顺6RS485通讯卡JS7601片深圳/捷顺7停车场管理软件JSZN-20001套深圳/捷顺8彩色数码摄像机SCC-101AP2台NEP9手动光圈镜光SSE04122台精工10视频补捉卡FLYVIDEO-EZ1张台湾11室外支架、护罩KL70157102套自制12投光灯HL64202套广东14人行道闸3表三、联网式可视对讲子系统序号产品名称产品型号数量单位产地/品牌单价1编码可视联网门口主机JB-2000ML62台厦门/立林2小区可视管理主机JB-24001台厦门/立林3视频放大器JB-2000F20台厦门/立林4视频分配器JB-2001F-3449台厦门/立林5编码可视联网室内分机JB-2002V1003台厦门/立林6主机不间断电源JB-2000D62台厦门/立林7电控锁LCJ62把珠海宏达8闭门器700262个日本/朗尼表四、中央计算机网络及物业管理子系统序号产品名称产品型号数量单位单价1智能物业管理软件Deson-IPMS1套第3页共3页第2页共3页编号:时间:2021年x月x日书山有路勤为径,学海无涯苦作舟页码:第3页共3页表五、工程增加设备清单序号产品名称产品型号数量单位产地/品牌单价1自动道闸JS20041台深圳/捷顺2入出口控制机ⅡJSKT6031套深圳/捷顺

1、当您付费下载文档后,您只拥有了使用权限,并不意味着购买了版权,文档只能用于自身使用,不得用于其他商业用途(如 [转卖]进行直接盈利或[编辑后售卖]进行间接盈利)。
2、本站所有内容均由合作方或网友上传,本站不对文档的完整性、权威性及其观点立场正确性做任何保证或承诺!文档内容仅供研究参考,付费前请自行鉴别。
3、如文档内容存在违规,或者侵犯商业秘密、侵犯著作权等,请点击“违规举报”。

碎片内容

表一、闭路电视监控及周界防报警综合安全防范子系统

精品中小学文档+ 关注
实名认证
内容提供者

精品资料,值得下载

相关文档

确认删除?
VIP
微信客服
  • 扫码咨询
会员Q群
  • 会员专属群点击这里加入QQ群
客服邮箱
回到顶部