电脑桌面
添加小米粒文库到电脑桌面
安装后可以在桌面快捷访问

巴镇工程初步竣工验收申请表18VIP免费

巴镇工程初步竣工验收申请表18_第1页
1/34
巴镇工程初步竣工验收申请表18_第2页
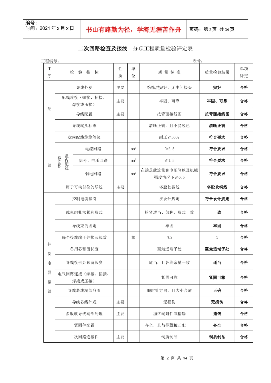
2/34
巴镇工程初步竣工验收申请表18_第3页
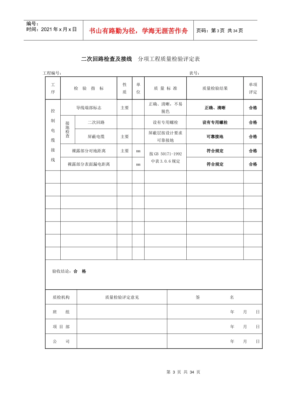
3/34
第1页共34页编号:时间:2021年x月x日书山有路勤为径,学海无涯苦作舟页码:第1页共34页SZLB40初步竣工验收申请表工程初步竣工验收申请表工程名称:35KV巴镇变综自改造工程编号:致苏州科诚建设监理咨询有限公司监理项目部:我方已按合同要求完成了:35KV巴镇变综自改造工程,经公司自检验收合格,请予以初步竣工验收。附件:专检报告施工项目部(章):项目经理:日期:监理项目部审核意见:监理项目部(章):总监理工程师:日期:注本表一式____份,由施工项目部填报,监理项目部存____份,施工项目部存____份。第2页共34页第1页共34页编号:时间:2021年x月x日书山有路勤为径,学海无涯苦作舟页码:第2页共34页二次回路检查及接线分项工程质量检验评定表工程编号:表号:工序检验指标性质单位质量标准质量检验结果单项评定配线导线外观主要绝缘层完好,无中间接头完好合格配线连接(螺接、插接、焊接或压接)主要牢固、可靠牢固、可靠合格导线配置主要按背面接线图按背面接线图合格导线端头标志清晰正确,且不易脱色清晰正确合格盘内配线绝缘等级耐压≥500V符合要求合格盘内配线截面积电流回路mm2≥2.5符合要求合格信号、电压回路mm2≥1.5符合要求合格弱电回路mm2在满足载流量和电压降以及机械强度情况下≥0.5符合要求合格用于可动部位的导线主要多股软铜线多股软铜线合格控制电缆接线控制电缆接引按设计规定符合设计规定合格线束绑扎松紧和形式松紧适当、匀称,形式一致一致合格导线束的固定牢固牢固合格每个接线端子并接芯线数根≤21合格备用芯预留长度至最远端子处至最远端子处合格导线接引处预留长度适当,且各线余量一致适当合格电气回路连接(螺接、插接、焊接或压接)紧固可靠紧固可靠合格导线芯线端部弯圈顺时针方向,且大小合适正确合格导线芯线外观主要无损伤无损伤合格多股软导线端部处理主要加终端附件或搪锡搪锡合格紧固件配置齐全,且与导线截面相匹配齐全合格二次回路连接件主要铜质制品铜质制品合格第3页共34页第2页共34页编号:时间:2021年x月x日书山有路勤为径,学海无涯苦作舟页码:第3页共34页二次回路检查及接线分项工程质量检验评定表工程编号:表号:工序检验指标性质单位质量标准质量检验结果单项评定控制电缆接线导线端部标志主要正确、清晰,不易脱色正确、清晰合格接地检查二次回路设有专用螺栓设有专用螺栓合格屏蔽电缆主要屏蔽层按设计要求可靠接地可靠接地合格裸露部分对地距离主要mm按GB50171-1992中表3.0.6规定符合规定合格裸露部分表面漏电距离mm符合规定合格验收结论:合格质检机构质量检验评定意见签名班组年月日项目部年月日公司年月日第4页共34页第3页共34页编号:时间:2021年x月x日书山有路勤为径,学海无涯苦作舟页码:第4页共34页105I电容器分项工程质量检验评定表工程编号:表号:工序检验指标性质单位质量标准质量检验结果单项评定配线导线外观主要绝缘层完好,无中间接头完好合格配线连接(螺接、插接、焊接或压接)主要牢固、可靠牢固、可靠合格导线配置主要按背面接线图按背面接线图合格导线端头标志清晰正确,且不易脱色清晰正确合格盘内配线绝缘等级耐压≥500V符合要求合格盘内配线截面积电流回路mm2≥2.5符合要求合格信号、电压回路mm2≥1.5符合要求合格弱电回路mm2在满足载流量和电压降以及机械强度情况下≥0.5符合要求合格用于可动部位的导线主要多股软铜线多股软铜线合格控制电缆接线控制电缆接引按设计规定符合设计规定合格线束绑扎松紧和形式松紧适当、匀称,形式一致一致合格导线束的固定牢固牢固合格每个接线端子并接芯线数根≤21合格备用芯预留长度至最远端子处至最远端子处合格导线接引处预留长度适当,且各线余量一致适当合格电气回路连接(螺接、插接、焊接或压接)紧固可靠紧固可靠合格导线芯线端部弯圈顺时针方向,且大小合适正确合格导线芯线外观主要无损伤无损伤合格多股软导线端部处理主要加终端附件或搪锡搪锡合格紧固件配置齐全,且与导线截面相匹配齐全合格二次回路连接件主要铜质制品铜质制品合格第5页共34页第4页共34页编号:时间:2021年x月x日书山有路勤为径,学海无涯苦作舟页码:第5页共34页105I...

1、当您付费下载文档后,您只拥有了使用权限,并不意味着购买了版权,文档只能用于自身使用,不得用于其他商业用途(如 [转卖]进行直接盈利或[编辑后售卖]进行间接盈利)。
2、本站所有内容均由合作方或网友上传,本站不对文档的完整性、权威性及其观点立场正确性做任何保证或承诺!文档内容仅供研究参考,付费前请自行鉴别。
3、如文档内容存在违规,或者侵犯商业秘密、侵犯著作权等,请点击“违规举报”。

碎片内容

巴镇工程初步竣工验收申请表18

您可能关注的文档

确认删除?
VIP
微信客服
  • 扫码咨询
会员Q群
  • 会员专属群点击这里加入QQ群
客服邮箱
回到顶部