电脑桌面
添加小米粒文库到电脑桌面
安装后可以在桌面快捷访问

产品价格管理规则VIP免费

产品价格管理规则_第1页
1/14
产品价格管理规则_第2页
2/14
产品价格管理规则_第3页
3/14
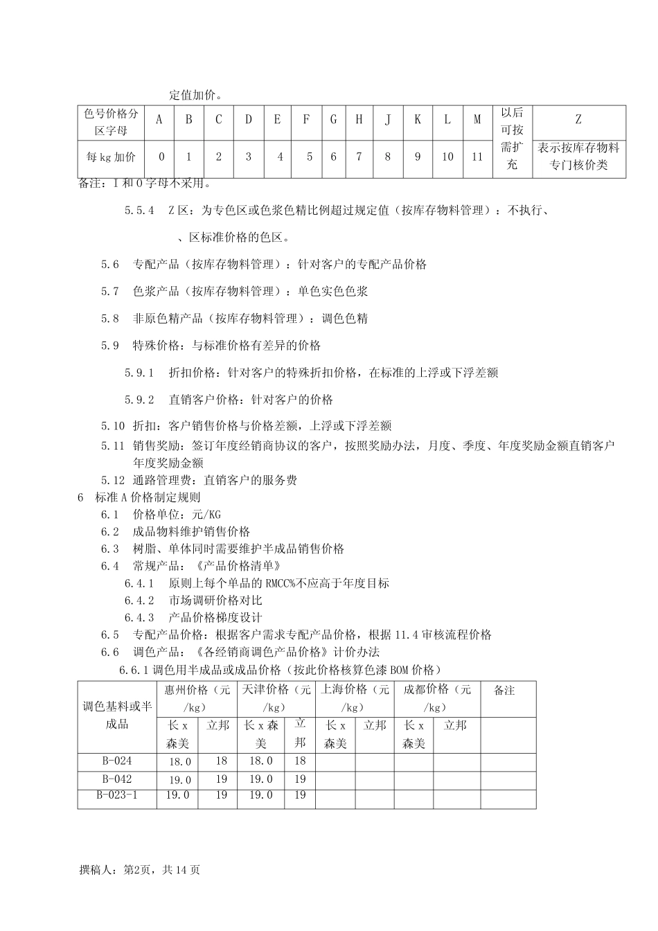
撰稿人:第1页,共14页产品价格管理规则1目的规范产品的价格制定与管理规则。2范围适用于涂料各公司3过程管理职责3.1本过程由运营管理部负责,包括过程策划、文件编制/修订及发布控制。4职责4.1研发中心:产品价格成本核算、SAP系统价格维护标准A价格4.2营销中心:市场价格调研4.3运营组:标准价格通过后的发布,SAP系统特殊价格维护4.4销售部:客户价格报价4.5财务部:事后返折扣预提5定义标准价格:含税含中国境内运费的产品价格。5.1常规产品:非调色产品、白色调蓝产品5.2调色产品:加入着色颜料的有颜色产品5.3色漆可配置:指一个色漆产品主代号:如:J-501MA-5与若干个不同色号进行搭配,维护主数据时只需维护一个色漆产品主代号和此产品对应的若干个色号。如【HA0086A(橙黄3分光);HA0087B(橙黄5分光);HA0088c(铁红)】,色漆产品主代号和色号作为二个部件分开维护,这样大大减少了色漆产品主代号的维护数据。5.4库存物料管理办法:指色漆采用非可配置,视同其他常规产品一样将单个色漆产品主代号和对应色号组合在一起作为一个产品数据维护,如JT204-3-HA0086A(橙黄3分光)建立产品相关数据。5.5色号价格分区:主剂或基料调色,根据色浆或色精比例不同的成本,定义不同色区价格5.5.1基准标准价格;基准标准价格=基料价格+每公斤调色加价。维护每个产品价格主数据时需按对应的调色基料加上每公斤调色加价作为标准价格进行维护。5.5.2色号分区字母定义:A、B、C、D、E、F、G、H、J、K、L、M、N...区(表示色号A、B、C、D、E...区对应加价额度,以后区间可按实际需要增加):5.5.3色号价格分区加价规则:此部份加价系统根据色号的对应后缀字母自动按表中规撰稿人:第2页,共14页定值加价。色号价格分区字母ABCDEFGHJKLM以后可按需扩充Z每kg加价01234567891011表示按库存物料专门核价类备注:I和O字母不采用。5.5.4Z区:为专色区或色浆色精比例超过规定值(按库存物料管理):不执行、、区标准价格的色区。5.6专配产品(按库存物料管理):针对客户的专配产品价格5.7色浆产品(按库存物料管理):单色实色色浆5.8非原色精产品(按库存物料管理):调色色精5.9特殊价格:与标准价格有差异的价格5.9.1折扣价格:针对客户的特殊折扣价格,在标准的上浮或下浮差额5.9.2直销客户价格:针对客户的价格5.10折扣:客户销售价格与价格差额,上浮或下浮差额5.11销售奖励:签订年度经销商协议的客户,按照奖励办法,月度、季度、年度奖励金额直销客户年度奖励金额5.12通路管理费:直销客户的服务费6标准A价格制定规则6.1价格单位:元/KG6.2成品物料维护销售价格6.3树脂、单体同时需要维护半成品销售价格6.4常规产品:《产品价格清单》6.4.1原则上每个单品的RMCC%不应高于年度目标6.4.2市场调研价格对比6.4.3产品价格梯度设计6.5专配产品价格:根据客户需求专配产品价格,根据11.4审核流程价格6.6调色产品:《各经销商调色产品价格》计价办法6.6.1调色用半成品或成品价格(按此价格核算色漆BOM价格)调色基料或半成品惠州价格(元/kg)天津价格(元/kg)上海价格(元/kg)成都价格(元/kg)备注长x森美立邦长x森美立邦长x森美立邦长x森美立邦B-02418.01818.018B-04219.01919.019B-023-119.01919.019撰稿人:第3页,共14页SR-G300020.02021.021CJ-400011.01112.012CJ-4000C/立邦P9400014.01515.016B-02319.01919.019B-04319.01919.019B-043-119.01919.019B-05118.01818.018CJ-1001(D-01)按成品价CJ-423-5/立邦P931-X按对应品牌的成品价CJ-311X/立邦P930按对应品牌的成品价SR-100373738P500303032SR-72按库存物料单独核价按库存物料单独核价SR252/SR253(廊坊)6.6.2PU透明有色系列6.6.2.1PU亮光透明有色面漆、PU哑光透明有色面漆、PU修色面漆色漆通用产品编码产品类型调色基料基准价格价定价原则调色介质最低订货量长、(森美)PU亮光透明有色面漆基料价格元(规格另加元)国产色精长、(森美)PU哑光透明有色面漆长(森美)立邦修色面漆色精比例标准价格元价色区价订货量价格优惠元W

1、当您付费下载文档后,您只拥有了使用权限,并不意味着购买了版权,文档只能用于自身使用,不得用于其他商业用途(如 [转卖]进行直接盈利或[编辑后售卖]进行间接盈利)。
2、本站所有内容均由合作方或网友上传,本站不对文档的完整性、权威性及其观点立场正确性做任何保证或承诺!文档内容仅供研究参考,付费前请自行鉴别。
3、如文档内容存在违规,或者侵犯商业秘密、侵犯著作权等,请点击“违规举报”。

碎片内容

产品价格管理规则

您可能关注的文档

文达天下+ 关注
实名认证
内容提供者

各类试题、文摘、指南、行业规范

确认删除?
微信客服
  • 扫码咨询
会员Q群
  • 会员专属群点击这里加入QQ群