电脑桌面
添加小米粒文库到电脑桌面
安装后可以在桌面快捷访问

上海广播电视大厦空调设计简介VIP免费

上海广播电视大厦空调设计简介_第1页
1/5
上海广播电视大厦空调设计简介_第2页
2/5
上海广播电视大厦空调设计简介_第3页
3/5
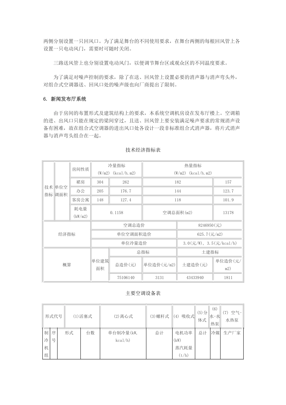
上海广播电视大厦空调设计简介摘要:建筑面积约为30000m2,主楼地面上17层,地下1层,建筑高度约100m,裙房3层,屋面高度约34m。包括冷热源及空调水系统、播音室/调音室系统、多功能厅、新闻发布厅系统等。关键词:广播电视大厦冷热源播音室多功能厅新闻发布厅一、概况建筑面积约为30000m2,主楼地面上17层,地下1层,建筑高度约100m,裙房3层,屋面高度约34m。主楼平面呈三角形,采用三个钢筋混凝土筒体支撑的大型桁架结构体系,使主楼内形成一个600m2左右的大空间。大楼为电视台业务用房,内容有:多功能综合演播厅、新闻发布厅、新闻中心、新闻演播区、新闻配音、播音区、广播电视播出中心、国际广播电视交流及陈列、国际广播电视节目编辑及制作、餐厅酒吧等。地下层为设备用房,内容有:交配电室、冷冻机房、水泵房、冷库等。二、设计标准1.温湿度计算机中心机房、电影机房、播出磁带库等t=18~24℃,ф=40%~65%;门厅、陈列厅、休息厅、交流厅t=14~28℃其他房间t=16~27℃;2.噪声播音室NR≤15dB调音室NR≤25dB新闻演播室NR≤25dB新闻发布厅NR≤25dB多功能演播厅NR≤25dB三、工程设计1.空调系统根据不同使用情况,考虑不同的空调方式。电视记者编辑用房,国际广播电视节目编辑及制作用房等为风机盘管加新风系统。送风方式为顶送回或上侧送顶回。餐厅、语言播音、调音室、新闻发布厅、展览厅、门厅、交流厅、多功能厅等为低速全空气系统。送风方式为顶送下侧回。播出中心机房、电影放映机房等为整体式空调机组系统。活动地板下送风,上部回风。2.冷热源及空调水系统冷源为1570kW(135×104kcal/h)离心式冷水机组2台,698kW(60×104kcal/h)活塞式冷水机组1台,可满足不同负荷时的使用要求(夏季冷水供水温度为7℃)。冬季热源是原有锅炉房供应的蒸汽,水系统经气-水换热器后获得60℃温水供冬季采暖用。空调水系统为冷、热二管制、一次泵、闭式循环系统。供、回水管分二路,一路供主楼,一睡供裙房。3.控制风机盘管配有温控器,能进行冬、夏转换,并通过电动二通阀控制室温。空调机水路上设有带温度传感器的电动二通调节阀以控制回风温度。新同机组则控制送风温度。冷冻机房供、回水管间设有用压差控制的电动二通旁通阀。4.播音室、调音室系统为了满足对噪声控制的要求,除播音室、调音室全部采用房中房全浮筑隔声结构外,空调机房地坪也采用浮筑楼板以隔绝固体传声。所有产生振动的设备均配置减振器、减振垫。空调机上送、回风口设软接管,供、回水接口设双向挠性橡胶软接管。管道穿墙、穿楼板处作了弹性处理。风管、水管等均采用弹性吊支架支承,以减弱振动及固体传声。在所有送、回风管上设置了必要数量的消声器及消声弯头,并采取措施,防止各室这间串声干扰。5.多功能厅系统本多功能厅面积约为1050m2,分成舞台区、活动舞台区、观众区三部分,功能上要求能满足:<1>.电视演播<2>.一般戏剧演出<3>.举办音乐会等社会活动设计人数800,照明安装容量400kW。该系统采用65000m3/h组合式空调器两套,送风管敷设在屋顶网架里面。干管分成三路,一路供观众区,另二路供舞台区。回风大部分经设在观众区卒位下的条缝风口进入下面的静压箱,再通过风管回到空调器。另外,在舞台两侧分别设置一只回风口。为了满足舞台的不同使用要求,在舞台两侧的每根回风管上各设置一只电动风门,需要时可随时关闭。三路送风管上也分别设置电动风门,以便调节舞台区或观众区的不同温度要求。为了满足对噪声控制的要求,除了在送、回风管上设置必要的消声器与消声弯头外,对组合式空调器送、回风口处的噪声级也向厂商提出了限制。6.新闻发布厅系统由于房间的布置形式及建筑结构上的要求,本系统空调机房设在发布厅楼上。空调箱的进、出风口只能在规定的梁间穿过,且送、回风管上要安装满足噪声要求的常规消声设备有困难,故在组合式空调器的进出风口处各设计一段非标准组合式消声器,将片式消声器与消声弯头组合在一起。技术经济指标表技术指标单位空调面积房间性质冷量指标(W/m2)(kcal/h.m2)热量指标(W/m2)(kcal/h.m2)裙房304262182157办公205176.7144123.7客房公寓148127.4118101.9耗电量(kW/m2)0.1158空...

1、当您付费下载文档后,您只拥有了使用权限,并不意味着购买了版权,文档只能用于自身使用,不得用于其他商业用途(如 [转卖]进行直接盈利或[编辑后售卖]进行间接盈利)。
2、本站所有内容均由合作方或网友上传,本站不对文档的完整性、权威性及其观点立场正确性做任何保证或承诺!文档内容仅供研究参考,付费前请自行鉴别。
3、如文档内容存在违规,或者侵犯商业秘密、侵犯著作权等,请点击“违规举报”。

碎片内容

上海广播电视大厦空调设计简介

您可能关注的文档

确认删除?
VIP
微信客服
  • 扫码咨询
会员Q群
  • 会员专属群点击这里加入QQ群
客服邮箱
回到顶部