电脑桌面
添加小米粒文库到电脑桌面
安装后可以在桌面快捷访问

地面防洪安全技术措施VIP免费

地面防洪安全技术措施_第1页
1/5
地面防洪安全技术措施_第2页
2/5
地面防洪安全技术措施_第3页
3/5
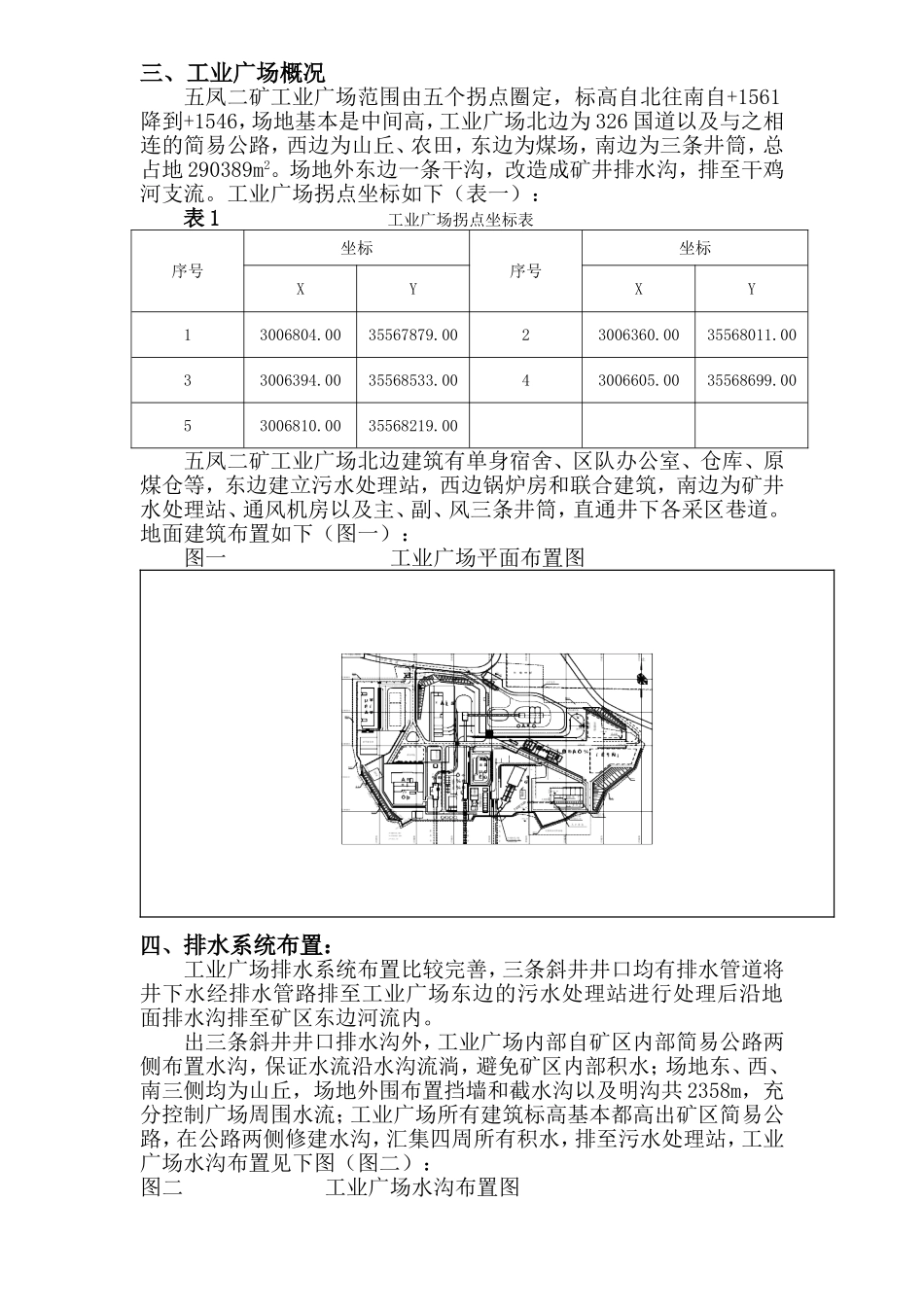
永贵五凤煤业五凤二矿地面防洪安全技术措施工程名称:五凤二矿地面工程组织单位:二矿调度室技术负责:二矿生产技术部编制:时间:五凤二矿地面防洪安全技术措施审核意见一、地面概况:五凤二矿矿区位于贵州省大方县城东12km,行政区划属大方县六龙镇管辖,矿区距大方县城12km,326国道从矿区北部经过、321国道从矿区西部经过,矿区有简易公路与326国道相连通、交通方便。南北长4.6km,东西宽4km,面积11.5平方公里。矿区南边干鸡河发育,最大流量为445.69l/s,最小流量为28.3l/s,矿区内流经长度约4km,其支流较少,标高约为1400米。雨季山洪飞溅,河水暴涨,暴落,枯水季流量甚微,河水直接接受大气降水补给。南边干鸡河一条支流,流量较小,气标高为+1340左右。二、气象概况:矿区内气候宜人,冬无严寒、夏无酷暑,雨量充沛,属亚热带季风气候区。据大方县气象站资料:年平均气温11.9℃,日极端最高气温32.7℃(1988年),日极端最低气温-8.2℃(1991年);年平均降雨量1107.6mm,年最大降水量1440.2mm(2001年),年最小降水量为843.4mm(1996年);平均相对湿度85%,无霜期240天。见表1-4:表1-4气象资料综合统计表项目数量年份项目数量年份年最大降水量1440.2mm2001年极端最高气温32.7℃1988年年最小降水量843.4mm1996年极端最低气温-8.2℃1991年年平均降水量1107.6mm平均气温11.9℃平均相对湿度85%无霜期240天注:资料统计时间段为1982-2002年编制施工负责人安监通防部技术负责人调度室生产技术部救护队总工三、工业广场概况五凤二矿工业广场范围由五个拐点圈定,标高自北往南自+1561降到+1546,场地基本是中间高,工业广场北边为326国道以及与之相连的简易公路,西边为山丘、农田,东边为煤场,南边为三条井筒,总占地290389m2。场地外东边一条干沟,改造成矿井排水沟,排至干鸡河支流。工业广场拐点坐标如下(表一):表1工业广场拐点坐标表序号坐标序号坐标XYXY13006804.0035567879.0023006360.0035568011.0033006394.0035568533.0043006605.0035568699.0053006810.0035568219.00五凤二矿工业广场北边建筑有单身宿舍、区队办公室、仓库、原煤仓等,东边建立污水处理站,西边锅炉房和联合建筑,南边为矿井水处理站、通风机房以及主、副、风三条井筒,直通井下各采区巷道。地面建筑布置如下(图一):图一工业广场平面布置图四、排水系统布置:工业广场排水系统布置比较完善,三条斜井井口均有排水管道将井下水经排水管路排至工业广场东边的污水处理站进行处理后沿地面排水沟排至矿区东边河流内。出三条斜井井口排水沟外,工业广场内部自矿区内部简易公路两侧布置水沟,保证水流沿水沟流淌,避免矿区内部积水;场地东、西、南三侧均为山丘,场地外围布置挡墙和截水沟以及明沟共2358m,充分控制广场周围水流;工业广场所有建筑标高基本都高出矿区简易公路,在公路两侧修建水沟,汇集四周所有积水,排至污水处理站,工业广场水沟布置见下图(图二):图二工业广场水沟布置图五、主要水源:五凤二矿工业广场标高自北,标高为+1561~+1546,相对四周标高较高,为三面环沟型地段,周围河流较少,水量较小,南边两公里处为干鸡河河谷,河谷标高约+1400,流量28.3~445.691l/s;东边400m处为干鸡河支流河谷,河谷标高约+1435,流量较小。除此之外,矿区内无其他河流,工业广场基本不受河流水量变化影响。五凤二矿矿区内气候属亚热带季风气候区,夏季雨量充沛,历年最大降水量1440.2mm,为五凤二矿工业广场主要水量来源。夏季为雷雨季节,短时间内水量增加较大,工业场地面临巨大考验,主要受水害威胁区域为主、副、风三条斜井。六、安全技术措施:五凤二矿工业广场主要受水害威胁的主、副、风三条斜井井口布置在工业广场南边,井口标高分别为:副井井口标高+1555.7,主井井口标高为+1555.7,风井井口标高为+1552.5,基本位于南边挡墙内较低的位置。雷雨季节水量突然增加,措施不到位可能造成地面积水倒灌井下,影响井下安全生产,矿区准备幷实施了以下预防措施,根据本矿区实际地形,采取截、堵、疏、排:一、工业广场布置了完善的地面排水系统,其中包括地面明渠和建筑排水管网;且为防...

1、当您付费下载文档后,您只拥有了使用权限,并不意味着购买了版权,文档只能用于自身使用,不得用于其他商业用途(如 [转卖]进行直接盈利或[编辑后售卖]进行间接盈利)。
2、本站所有内容均由合作方或网友上传,本站不对文档的完整性、权威性及其观点立场正确性做任何保证或承诺!文档内容仅供研究参考,付费前请自行鉴别。
3、如文档内容存在违规,或者侵犯商业秘密、侵犯著作权等,请点击“违规举报”。

碎片内容

地面防洪安全技术措施

您可能关注的文档

确认删除?
VIP
微信客服
  • 扫码咨询
会员Q群
  • 会员专属群点击这里加入QQ群
客服邮箱
回到顶部