电脑桌面
添加小米粒文库到电脑桌面
安装后可以在桌面快捷访问

地基验槽记录表VIP免费

地基验槽记录表_第1页
1/50
地基验槽记录表_第2页
2/50
地基验槽记录表_第3页
3/50
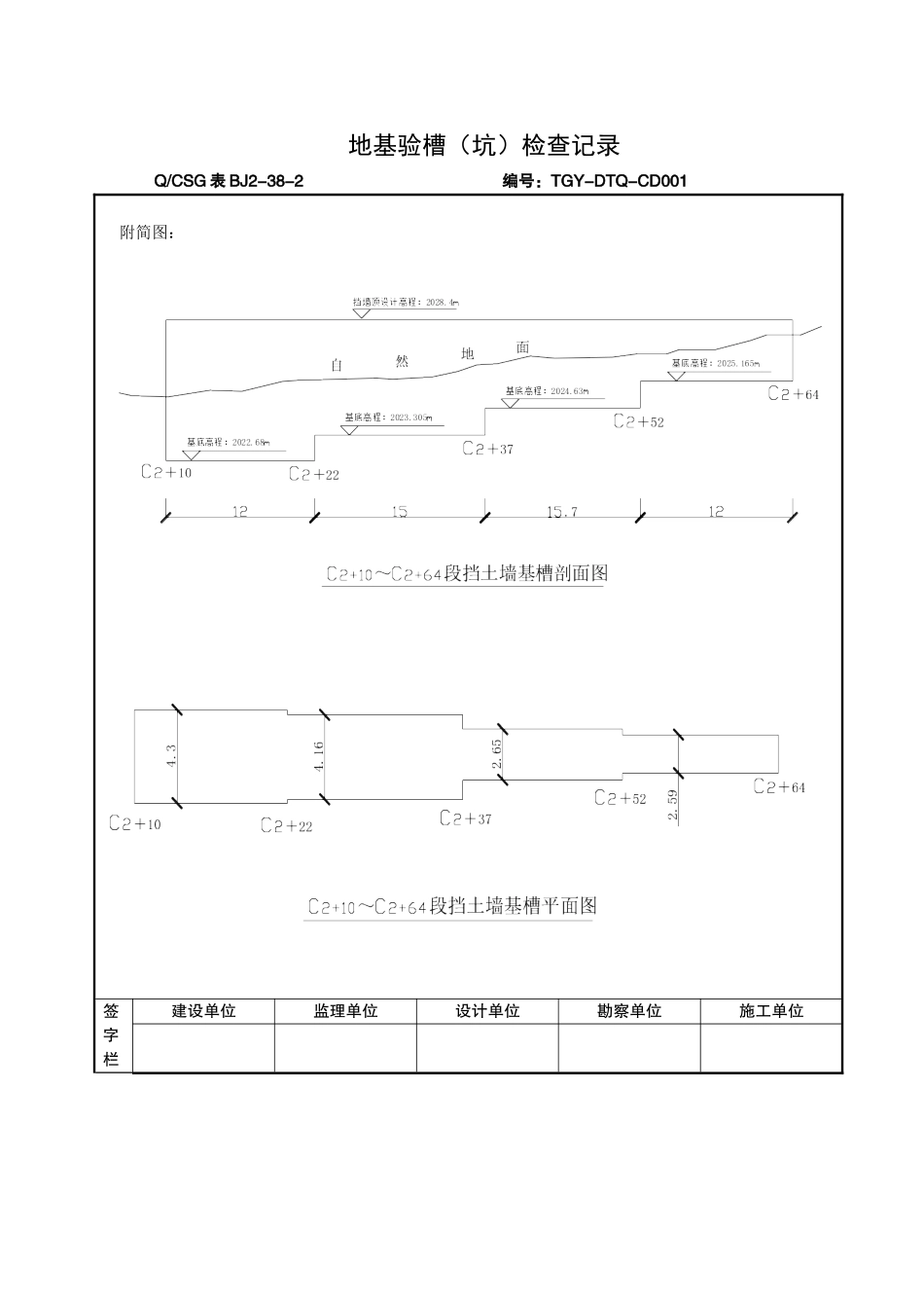
地基验槽(坑)检查记录Q/CSG表BJ2-38-1编号:001工程名称灵昆新市镇一期、二期围墙工程挡土墙验槽(坑)日期2016年4月20日施工单位江西省亿达建设工程有限公司依据:施工图图号(施工图纸号)、设计变更/洽商(编号)及有关规范、规程。序号轴线部位基底尺寸(m)标高(m)轴线偏移(mm)土质地下水边坡备注基底长L基底宽B123456检查意见:检查结论:□无异常,可进行下道工序□需要地基处理签字栏建设单位监理单位设计单位勘察单位施工单位地基验槽(坑)检查记录Q/CSG表BJ2-38-2编号:TGY-DTQ-CD001附简图:签字栏建设单位监理单位设计单位勘察单位施工单位地基验槽(坑)检查记录Q/CSG表BJ2-38-1编号:TGY-DTQ-CD002工程名称中国南方电网昆明特高压试验研究基地工程场平工程验槽(坑)日期2008年3月18日施工单位云南省送变电工程公司依据:施工图图号(施工图纸号B4781S-Z0101A-02、B4781S-Z0101A-03、B4781S-Z0101A-04)、设计变更/洽商(编号)及有关规范、规程。序号轴线部位基底尺寸(m)标高(m)轴线偏移(mm)土质地下水边坡备注基底长L基底宽B1C2+64~C2+76122.32025.699灰岩层无符合要求检查意见:检查结论:□无异常,可进行下道工序□需要地基处理签字栏建设单位监理单位设计单位勘察单位施工单位地基验槽(坑)检查记录Q/CSG表BJ2-38-2编号:TGY-DTQ-CD002附简图:签建设单位监理单位设计单位勘察单位施工单位字栏地基验槽(坑)检查记录Q/CSG表BJ2-38-1编号:TGY-DTQ-CD003工程名称中国南方电网昆明特高压试验研究基地工程场平工程验槽(坑)日期2008年3月23日施工单位云南省送变电工程公司依据:施工图图号(施工图纸号B4781S-Z0101A-02、B4781S-Z0101A-03、B4781S-Z0101A-04)、设计变更/洽商(编号)及有关规范、规程。序号轴线部位基底尺寸(m)标高(m)轴线偏移(mm)土质地下水边坡备注基底长L基底宽B1C4+8~C4+14832023.505粘土层无符合要求2C4+14~C4+205.85.32021.637粘土层无符合要求3C4+20~C4+266.262019.688粘土层无符合要求4C4+26~C4+3610.66.22019.684粘土层无符合要求5C4+36~C4+4812.462019.686粘土层无符合要求检查意见:检查结论:□无异常,可进行下道工序□需要地基处理签字栏建设单位监理单位设计单位勘察单位施工单位地基验槽(坑)检查记录Q/CSG表BJ2-38-2编号:TGY-DTQ-CD003附简图:签字栏建设单位监理单位设计单位勘察单位施工单位地基验槽(坑)检查记录Q/CSG表BJ2-38-1编号:TGY-DTQ-CD004工程名称中国南方电网昆明特高压试验研究基地工程场平工程验槽(坑)日期2008年3月27日施工单位云南省送变电工程公司依据:施工图图号(施工图纸号B4781S-Z0101A-02、B4781S-Z0101A-03、B4781S-Z0101A-04)、设计变更/洽商(编号)及有关规范、规程。序号轴线部位基底尺寸(m)标高(m)轴线偏移(mm)土质地下水边坡备注基底长L基底宽B1C2+76~C2+88121.82026.353灰岩层无符合要求2C2+88~C3+8121.82026.595灰岩层无符合要求3C3+8~C3+20121.652026.558灰岩层无符合要求4C3+20~C4+8121.62025.004灰岩层无符合要求检查意见:该基坑坑底土质均匀密实,符合地堪报告的要求,土质为2-2层(粘土层),基坑的平面位置、坑边尺寸、轴线、坑底标高经检查符合设计要求。同意地基验坑检查结论:□无异常,可进行下道工序□需要地基处理签字栏建设单位监理单位设计单位勘察单位施工单位地基验槽(坑)检查记录Q/CSG表BJ2-38-2编号:TGY-DTQ-CD004附简图:签字栏建设单位监理单位设计单位勘察单位施工单位地基验槽(坑)检查记录Q/CSG表BJ2-38-1编号:TGY-DTQ-CD005工程名称中国南方电网昆明特高压试验研究基地工程场平工程验槽(坑)日期2008年3月30日施工单位云南省送变电工程公司依据:施工图图号(施工图纸号B4781S-Z0101A-02、B4781S-Z0101A-03、B4781S-Z0101A-04)、设计变更/洽商(编号)及有关规范、规程。序号轴线部位基底尺寸(m)标高(m)轴线偏移(mm)土质地下水边坡备注基底长L基底宽B1C1+1~C1+15142.22030.058灰岩层无符合要求2C1+15~C1+28132.252028.894灰岩层无符合要求3C1+28~C1+40122.052027.553灰岩层无符合要求4C1+40~C1+52122.752024.505灰岩层无符合要求检查...

1、当您付费下载文档后,您只拥有了使用权限,并不意味着购买了版权,文档只能用于自身使用,不得用于其他商业用途(如 [转卖]进行直接盈利或[编辑后售卖]进行间接盈利)。
2、本站所有内容均由合作方或网友上传,本站不对文档的完整性、权威性及其观点立场正确性做任何保证或承诺!文档内容仅供研究参考,付费前请自行鉴别。
3、如文档内容存在违规,或者侵犯商业秘密、侵犯著作权等,请点击“违规举报”。

碎片内容

地基验槽记录表

您可能关注的文档

确认删除?
VIP
微信客服
  • 扫码咨询
会员Q群
  • 会员专属群点击这里加入QQ群
客服邮箱
回到顶部