电脑桌面
添加小米粒文库到电脑桌面
安装后可以在桌面快捷访问

地基与基础分部划分VIP免费

地基与基础分部划分_第1页
1/6
地基与基础分部划分_第2页
2/6
地基与基础分部划分_第3页
3/6
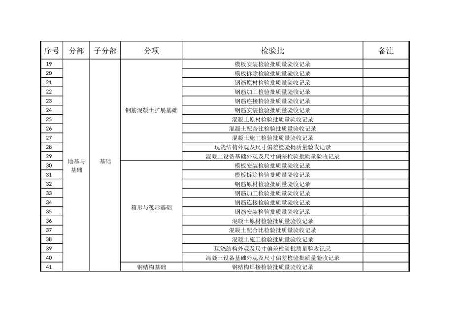
地基与基础分部详解(依据建筑工程施工质量验收统一标准GB50300-2013分部分项工程的划分)序号分部子分部分项检验批备注1地基与基础地基素土、灰土地基素土、灰土地基检验批质量验收记录2砂和砂石地基砂和砂石地基检验批质量验收记录3土工合成材料地基土工合成材料地基检验批质量验收记录4粉煤灰地基粉煤灰地基检验批质量验收记录5强夯地基强夯地基检验批质量验收记录6注浆地基注浆地基检验批质量验收记录7预压地基预压地基检验批质量验收记录8砂石桩复合地基砂石桩复合地基检验批质量验收记录9高压旋喷注浆地基高压旋喷注浆地基检验批质量验收记录10水泥土搅拌桩地基水泥土搅拌桩地基检验批质量验收记录11土和灰土挤密桩复合地基土和灰土挤密桩复合地基检验批质量验收记录12水泥粉煤灰碎石桩复合地基水泥粉煤灰碎石桩复合地基检验批质量验收记录13夯实水泥土桩复合地基夯实水泥土桩复合地基检验批质量验收记录14基础无筋扩展基础砖砌体检验批质量验收记录15混凝土小型空心砌块砌体检验批质量验收记录16石砌体检验批质量验收记录17配筋砌体检验批质量验收记录18填充墙砌体检验批质量验收记录序号分部子分部分项检验批备注19地基与基础基础钢筋混凝土扩展基础模板安装检验批质量验收记录20模板拆除检验批质量验收记录21钢筋原材检验批质量验收记录22钢筋加工检验批质量验收记录23钢筋连接检验批质量验收记录24钢筋安装检验批质量验收记录25混凝土原材检验批质量验收记录26混凝土配合比检验批质量验收记录27混凝土施工检验批质量验收记录28现浇结构外观及尺寸偏差检验批质量验收记录29混凝土设备基础外观及尺寸偏差检验批质量验收记录30箱形与筏形基础模板安装检验批质量验收记录31模板拆除检验批质量验收记录32钢筋原材检验批质量验收记录33钢筋加工检验批质量验收记录34钢筋连接检验批质量验收记录35钢筋安装检验批质量验收记录36混凝土原材检验批质量验收记录37混凝土配合比检验批质量验收记录38混凝土施工检验批质量验收记录39现浇结构外观及尺寸偏差检验批质量验收记录40混凝土设备基础外观及尺寸偏差检验批质量验收记录41钢结构基础钢结构焊接检验批质量验收记录序号分部子分部分项检验批备注42地基与基础基础钢结构基础焊钉(栓钉)焊接工程检验批质量验收记录43紧固件连接检验批质量验收记录44高强度螺栓连接检验批质量验收记录45钢零部件加工检验批质量验收记录46钢构件组装检验批质量验收记录47钢构件预拼接检验批质量验收记录48压型金属板检验批质量验收记录49防腐涂料涂装检验批质量验收记录50防火涂料涂装检验批质量验收记录51钢管混凝土结构基础钢管混凝土构件现场拼接检验批质量验收记录52钢管混凝土构件现场拼装检验批质量验收记录53钢管混凝土柱柱脚锚固检验批质量验收记录54钢管混凝土构件安装检验批质量验收记录55钢管混凝土柱与钢筋混凝土梁连接检验批质量验收记录56钢管内钢筋骨架检验批质量验收记录57钢管内混凝土浇筑检验批质量验收记录58型钢混凝土结构基础型钢混凝土结构焊接检验批质量验收记录59型钢混凝土结构紧固件连接检验批质量验收记录60型钢混凝土结构型钢与钢筋连接检验批质量验收记录61型钢混凝土结构型钢构件组装及预拼装型钢混凝土结构型钢62型钢混凝土结构型钢构件安装检验批质量验收记录63型钢混凝土结构模板检验批质量验收记录64型钢混凝土结构混凝土检验批质量验收记录序号分部子分部分项检验批备注65地基与基础基础钢筋混凝土预制桩基础钢筋混凝土预制桩(钢筋骨架)检验批质量验收记录66钢筋混凝土预制桩检验批质量验收记录67泥浆护壁成孔灌注桩基础钢筋混凝土(钢筋笼)检验批质量验收记录68混凝土灌注桩检验批质量验收记录69干作业成孔桩基础钢筋混凝土(钢筋笼)检验批质量验收记录70混凝土灌注桩检验批质量验收记录71长螺旋钻孔压灌桩基础钢筋混凝土(钢筋笼)检验批质量验收记录72混凝土灌注桩检验批质量验收记录73沉管灌注桩基础钢筋混凝土(钢筋笼)检验批质量验收记录74混凝土灌注桩检验批质量验收记录75钢桩基础钢桩(成品)检验批质量验收记录76钢桩检验批质量验收记录77锚杆静压桩基础锚杆静压桩检验批质量验收记录78岩石锚杆...

1、当您付费下载文档后,您只拥有了使用权限,并不意味着购买了版权,文档只能用于自身使用,不得用于其他商业用途(如 [转卖]进行直接盈利或[编辑后售卖]进行间接盈利)。
2、本站所有内容均由合作方或网友上传,本站不对文档的完整性、权威性及其观点立场正确性做任何保证或承诺!文档内容仅供研究参考,付费前请自行鉴别。
3、如文档内容存在违规,或者侵犯商业秘密、侵犯著作权等,请点击“违规举报”。

碎片内容

地基与基础分部划分

您可能关注的文档

确认删除?
VIP
微信客服
  • 扫码咨询
会员Q群
  • 会员专属群点击这里加入QQ群
客服邮箱
回到顶部