电脑桌面
添加小米粒文库到电脑桌面
安装后可以在桌面快捷访问

地基注浆加固方案VIP专享VIP免费

地基注浆加固方案_第1页
1/4
地基注浆加固方案_第2页
2/4
地基注浆加固方案_第3页
3/4
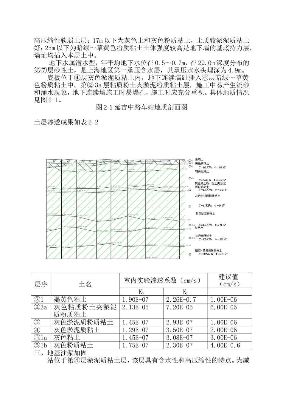
目录一、概况二、地质资料三、地基注浆加固四、注浆加固施工步骤五、注浆施工管理六、主要人员、机械设备表七、安全生产与文明施工措施八、质量保证措施一、工程概况:1.1设计概况根据工程地质、水文地质条件和交通组织情况,本站主要采用明挖顺作法施工,其中~轴之间,考虑到靖宇东路翻交,采用盖挖逆作法施工。围护结构采用800mm厚地下连续墙,兼作使用阶段的箱体侧墙。车站为地下二层岛式中间折返站,标准段站厅层高4.15m,站台层高5.77m,站台宽10.0m,高1.49m;总建筑高度12.22m。车站标准段为单柱、双跨箱体结构,折返段部分为双柱三跨箱体钢筋砼结构,站中心覆土厚约2.5m,底板埋深14.52m,端头井埋深16.058~17.003m。1.3气候、气象资料上海年均气温15.7℃,最高温度38.9℃,最低温度-10.1℃;年均降雨量1123.7mm,年均降雨日132天,年最大降水量1673mm,日最大降水量204.4mm,日降水量大于25mm的天数为28天;降水主要集中在每年3月至9月。最大风速30.4m/s,台风最大风速43.9m/s;年相对湿度80%。二、地质资料本站范围内工程地基均属第四系河口~滨海浅海相沉积层,主要由饱和粘性土、粉性土及砂土组成。在车站范围内,各沉积地层厚度、成份、土的物理力学性质及各项指标大致趋同,总体上呈现地面下3.0m为杂填土;3.0m~8.0m之间主要以饱和粉性砂土夹粘土为主,呈松散性,稳定性差,土质不均匀;8.0m以下均为饱和状态淤泥质粘性土层,局部夹少量薄层粉细砂及贝壳屑,具有高灵敏度、高含水量及弱渗漏性的特点,车站地基土属中~高压缩性软弱土层;17m以下为灰色土和灰色粉质粘土,土质较淤泥质粘土好;25m以下为暗绿~草黄色粉质粘土土体强度较高是地下墙的基底持力层,墙址均插入本层土中。地下水属潜水型,年平均地下水位在0.5~0.7m,在29.0m深度分布的第⑦层砂性土,是上海地区第一承压含水层,其承压水水头埋深为4.9m。底板位于④层灰色淤泥质粘土内,地下连续墙趾插入⑥层暗绿~草黄色粉质粘土中。第②3a层粘质粉土夹淤泥粉质粘土层,施工中易产生流砂和涌水现象,地下连续墙施工时易塌孔,施工时应充分重视。具体地质情况见图2-1。图2-1延吉中路车站地质剖面图土层渗透成果如表2-2层序土名室内实验渗透系数(cm/s)建议值(cm/s)KVKH②1褐黄色粘土1.90E-072.26E-0.71.00E-06②3a灰色粘质粉土夹淤泥质粉质粘土2.13E-057.20E-056.00E-05③灰色淤泥质粉质粘土1.45E-072.93E-071.00E-06④灰色淤泥质粘土1.29E-073.50E-072.00E-06⑤1a灰色粘土1.45E-073.08E-073.00E-06⑤1b灰色粉质粘土1.75E-072.30E-074.00E-0.6三、地基注浆加固站位于第④层淤泥质粘土层,该层具有含水性和高压缩性的特点。为减少连续墙侧向变位同时提高基底承载力,对基底进行注浆加固。基坑内抽条加固有效范围长17.2m,宽30m注浆孔距1.2m,排距1.0m,钻孔平均深18m,注浆加固土体深度为基坑底面下3.0m。在端头井连续墙转角处外侧因斜撑作用而形成的大抗力被动区同样采用双液注浆加固,加固深度为地面下3m。南北端头井基坑内,平均钻深23m,注浆加固厚度为3m。四、注浆加固施工步骤用自下向下的注浆法,施工步骤如下:(1)放样定位;(2)钻机与注浆设备就位;(3)钻孔至设计深度后,从钻杆内灌入封闭泥浆;(4)插入单向塑料阀管至设计标高;(5)待封闭浆液凝固后,搅拌水泥浆向塑料插入双向密封注浆芯管,进行注浆;(6)提升0.3m,注浆;(7)提升、孔内浆液充填至孔口。五.注浆施工管理5.1注浆技术参数(1)注浆压力:0.1~0.4Mpa(2)注浆流量:15~20L/min(3)注浆量:80L/节(30cm)(4)孔位布置:行距×排距=1.2m×1.0m(5)浆液配比A液:水/水泥/膨润土=0.6/1/0.03B液:350Be水玻璃双液体积比:A液/B液=1/1施工中按上述技术参数布孔配浆注浆5.2工艺要求⑴注浆管先用φ160mm无缝钢管,振冲锤振动下管;⑵为了保证注浆的连续进行,采用专用的注浆支架,深度3m范围内注浆加固一次完成;⑶使用前对注浆芯管的聚氨脂密封圈进行检查,应无残缺的大量气泡现象,上部密封圈裙边向下,下部密封圈裙边向上,且都应抹上黄油,所有注浆管接头螺纹要保持有充分的油脂,这样既可保证丝牙寿命,又...

1、当您付费下载文档后,您只拥有了使用权限,并不意味着购买了版权,文档只能用于自身使用,不得用于其他商业用途(如 [转卖]进行直接盈利或[编辑后售卖]进行间接盈利)。
2、本站所有内容均由合作方或网友上传,本站不对文档的完整性、权威性及其观点立场正确性做任何保证或承诺!文档内容仅供研究参考,付费前请自行鉴别。
3、如文档内容存在违规,或者侵犯商业秘密、侵犯著作权等,请点击“违规举报”。

碎片内容

地基注浆加固方案

您可能关注的文档

确认删除?
VIP
微信客服
  • 扫码咨询
会员Q群
  • 会员专属群点击这里加入QQ群
客服邮箱
回到顶部