电脑桌面
添加小米粒文库到电脑桌面
安装后可以在桌面快捷访问

地质调查项目预算标准2009VIP免费

地质调查项目预算标准2009_第1页
1/62
地质调查项目预算标准2009_第2页
2/62
地质调查项目预算标准2009_第3页
3/62
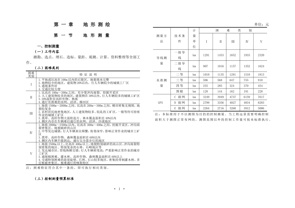
地质调查项目预算标准(2010年试用)中国地质调查局二〇〇九年十月目录第一章地形测绘1第一节地形测量1第二节制图2第二章地质测量5第一节区域地质调查5第二节专项地质测量5第三节区域水文地质、生态环境地质调查6第四节专项水文地质、生态环境地质测量7第五节区域工程地质、环境地质调查8第六节专项工程地质、环境地质、地质灾害测量9第三章遥感地质10第一节航空遥感彩色摄影10第二节遥感地质解译11第四章物化探12第一节地形等级划分12第二节物探13第三节化探21第四节物化探测网与剖面布设23第五节航空物探24第五章钻探26第一节矿产地质钻探26第二节水文地质钻探28第三节地热钻探30第四节工程地质钻探30第五节原位测试31第六章山地工程34第一节坑探34第二节浅井35第三节槽探36第七章岩矿试验37第一节岩矿分析37第二节化探分析39第三节土壤分析40第四节水质分析42第五节光谱半定量分析43第六节非金属矿物性测试44第七节煤质分析45第八节岩矿鉴定与试验46第九节选冶试验49第八章其他地质工作50第九章工地建筑51第十章地区调整系数51第十一章地质调查综合研究52第一章地形测绘第一节地形测量一、控制测量(一)工作内容踏勘、选点、埋石、造标、量距、观测、计算、资料整理等全部工作。(二)困难类别困难类别特征说明Ⅰ1.平地或比高在100m以内的丘陵区,地貌基本完整2.地物较少的地区,建筑物20%以内,行人车辆较少的城镇工厂区3.通视条件好4.交通比较方便Ⅱ1.比高在100m~200m之间,有少量冲沟雨裂,挖掘开采区2.人工建筑物较多的地区,建筑物在30%以内,行人车辆较多的城镇工矿区3.20%面积有高杆作物、林地4.通行有困难的水网、沼泽、梯田区Ⅲ1.海拔1500m~2000m之间,比高在200m~300m之间,梯田密集无规则,地貌较复杂2.农村居民地密集地区,人工建筑物较多、较乱的工矿区,一般等待可持续作业的城镇工矿区3.蒿草、高杆作物大面积连片、林木覆盖面积在40%以内4.测区内存在车辆难以通行的水网、沼泽、沙漠地区Ⅳ1.海拔2000m~2500m以内,比高在300m~400m之间,挖掘开采区、冲沟雨裂密集区、地貌破碎的山区2.中等发达城镇,行人车辆来往频繁,街巷深窄,影响正常作业的城市工矿区3.蒿草、高杆作物、森林覆盖面积在60%以内4.测区内车辆不能到达,通行完全靠步行的地区Ⅴ1.海拔2500m以上,比高在400m以上,地貌特别破碎的高山区、冲沟雨裂特别密集的地区、特别复杂的石林、石峰地区等2.发达城市区,管线纵横交错,行人车辆密度高,严重影响正常作业的城市工矿区3.通视极困难,灌木林、高杆作物、森林覆盖面积在60%以上4.交通特别困难的悬崖陡壁,石林、石山较多地区,密集的带刺灌木林、多层植被密集区,极难通行的喀斯特区注:困难特征符合其中一条的,即可执行相应类别。(三)控制测量预算标准单位:元测量方法技术条件计量单位困难类别ⅠⅡⅢⅣⅤ导线测量一级导线km12911453165219332320二级导线km9071016115713521624水准测量二等km10101135129115101813三等km506568647755910四等km255285324379454图根km128144162191228GPSC级网km32493949473761597617D级网km27993356402748346283E级网km22642716326039125086注:本标准用于不以测图为目的的控制测量。当工程远景需要明确控制面积大于测图正常布网的,测图范围以外的控制工作量可按本标准执行。·1·二、地形测量(一)工作内容基本控制测量、图根测量、测图、计算、资料整理、绘图并提供100份以内印刷纸图。(二)困难类别困难类别特征说明同控制测量。(三)地形测量预算标准单位:元/km2比例尺困难类别ⅠⅡⅢⅣⅤ1:100002777361248746824102371:500047506173833611643174641:200013349173542343032725490861:100020606267863616250627759401:50030506396575353674951112429注:1.数字化测图,按以上标准提高30%计算。2.采用航测方法时,以上标准包括摄影资料费。3.地形图草测按以上标准的65%计算。第二节制图一、地形图编绘(一)工作内容资料搜集、展点、拼贴、编绘、照相、填表、整饰、校验、印刷全过程。(二)困难类别困难类别特征说明Ⅰ(1)地形平坦、等高线图形简单、土壤植被单一、符号简单的地区,或有大片沙漠...

1、当您付费下载文档后,您只拥有了使用权限,并不意味着购买了版权,文档只能用于自身使用,不得用于其他商业用途(如 [转卖]进行直接盈利或[编辑后售卖]进行间接盈利)。
2、本站所有内容均由合作方或网友上传,本站不对文档的完整性、权威性及其观点立场正确性做任何保证或承诺!文档内容仅供研究参考,付费前请自行鉴别。
3、如文档内容存在违规,或者侵犯商业秘密、侵犯著作权等,请点击“违规举报”。

碎片内容

地质调查项目预算标准2009

您可能关注的文档

确认删除?
VIP
微信客服
  • 扫码咨询
会员Q群
  • 会员专属群点击这里加入QQ群
客服邮箱
回到顶部