电脑桌面
添加小米粒文库到电脑桌面
安装后可以在桌面快捷访问

地质勘查(地矿)危险源辨识与风险评价表VIP免费

地质勘查(地矿)危险源辨识与风险评价表_第1页
1/32
地质勘查(地矿)危险源辨识与风险评价表_第2页
2/32
地质勘查(地矿)危险源辨识与风险评价表_第3页
3/32
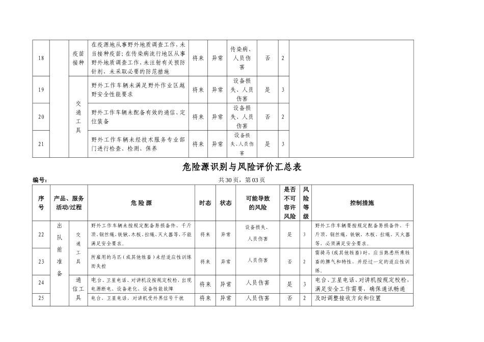
危险源辨识与风险评价表号共30页,第01页序号产品、服务活动/过程危险源时态状态可能导致的风险是否不可容许风险风险等级控制措施01出队前准备管理安全管理野外作业前不按规定对野外作业人员进行安全培训,使其对工作区域的自然环境、地理、交通、治安、人文等情况不了解,不具备相应的防护、自救、互救应急基本技能将来异常人员伤害是3严格遵守院《野外地质勘探安全管理规定》第(一)条第7款野外作业前必须按规定对野外作业人员进行安全培训,使其了解工作区域的自然环境、地理、交通、治安、人文等情况,具备相应的防护、自救、互救应急基本技能02地质调查项目立项报告及项目施工组织设计没有职业安全健康专篇,野外作业无章可依;地质调查项目实施没有制定安全应急预案且演练将来异常人员伤害是3严格遵守《地质勘探安全规程》4.9、4.10、4.11条款03物资设备搬运忽视警告标志、警告信号冒险作业将来异常人员伤害否2按照《物资设备搬运安全操作规程》作业04作业场所狭窄、作业场地杂乱将来异常人员伤害否205个人防护用品、用具缺少或有缺陷将来异常人员伤害是306作业场地奔跑作业将来异常人员伤害否207酒后作业将来异常人员伤害否208客货混载将来异常人员伤害是309用手代替工具操作将来异常人员伤否2害10作业场地地面湿滑将来异常人员伤害否211库房内吸烟失火将来异常人员伤害否212攀、坐不安全位置将来异常人身伤害否2危险源识别与风险评价汇总表编号:共30页,第02页序号产品、服务活动/过程危险源时态状态可能导致的风险是否不可容许风险风险等级控制措施13出队前准备管理健康体检患有器质性心脏病、呼吸系统疾病、癫痫、消化道溃疡病、胃肠炎、严重的神经衰弱和患有肝脾、肾、内分泌等疾病的人员,进入高原地区从事野外地质调查工作而导致疾病。将来异常人员伤害是3一、严格遵守《院野外地质勘探安全管理规定》第一条第(一)款野外地质工作的基本安全要求相关内容二、院《车辆运输安全管理规定》三、院《驾驶员安全管理规定》14患有明显心、肺、肝、肾等疾病和高血压病Ⅱ期、严重贫血者进入高山、高原低气压地区进行野外地质调查工作。将来异常人员伤害是315患有感冒进入高原地带作业将来异常人员伤害是316心理异常、辨识功能缺陷将来异常人员伤害否217药品氧气配备没按规定配备保健箱和急救包将来异常人员伤害是318疫苗接种在疫源地从事野外地质调查工作,未当接种疫苗;在传染病流行地区从事野外地质调查工作,未注射有关预防针剂,未采取必要的防范措施将来异常传染病、人员伤害否219交通工具野外工作车辆未满足野外作业区越野安全性能要求将来异常设备损失、人员伤害是320野外工作车辆未配备有效的通信、定位装备将来异常设备损失、人员伤害否221野外工作车辆未经技术服务专业部门进行检查、检测、保养将来异常设备损失、人员伤害是3危险源识别与风险评价汇总表编号:共30页,第03页序号产品、服务活动/过程危险源时态状态可能导致的风险是否不可容许风险风险等级控制措施22出队前准备交通工具野外工作车辆未按规定配备易损备件、千斤顶、钢丝绳、铁锹、木板、拉绳、灭火器等,不能满足安全要求。将来异常设备损失、人员伤害是3野外工作车辆要按规定配备易损备件、千斤顶、钢丝绳、铁锹、木板、拉绳、灭火器等,必须满足安全要求。23所雇用的马匹(或其他牲畜)未经适应性训练而失控将来异常人员伤害否2需骑马(或其他牲畜)时,应当熟悉所乘牲畜的脾气和特性,并经过一定的适应性训练。24通信工具电台、卫星电话、对讲机没按规定校检,出现电源断电、设备老化、设备性能故障将来异常人员伤害是3电台、卫星电话、对讲机按规定校检,满足安全工作需要,确保通讯畅通25电台、卫星电话、对讲机受外界信号干扰将来异常人员伤害否2及时调整接收方向和位置26个人装备手持式GPS没按规定校检,发生性能故障将来异常人员迷失、伤害是3手持式GPS按规定校检,满足定位工作需要27野外工作服、登山鞋、太阳帽、雨鞋、水壶、饭盒、手电、睡袋、帐篷等损坏而失效将来异常人员伤害否2按规定配备野外工作服、登山鞋、太阳帽、雨鞋、水壶、饭盒、手电、睡袋、帐篷等保障装备。28出队过程车辆...

1、当您付费下载文档后,您只拥有了使用权限,并不意味着购买了版权,文档只能用于自身使用,不得用于其他商业用途(如 [转卖]进行直接盈利或[编辑后售卖]进行间接盈利)。
2、本站所有内容均由合作方或网友上传,本站不对文档的完整性、权威性及其观点立场正确性做任何保证或承诺!文档内容仅供研究参考,付费前请自行鉴别。
3、如文档内容存在违规,或者侵犯商业秘密、侵犯著作权等,请点击“违规举报”。

碎片内容

地质勘查(地矿)危险源辨识与风险评价表

您可能关注的文档

确认删除?
VIP
微信客服
  • 扫码咨询
会员Q群
  • 会员专属群点击这里加入QQ群
客服邮箱
回到顶部