电脑桌面
添加小米粒文库到电脑桌面
安装后可以在桌面快捷访问

地质灾害野外调查表VIP免费

地质灾害野外调查表_第1页
1/20
地质灾害野外调查表_第2页
2/20
地质灾害野外调查表_第3页
3/20
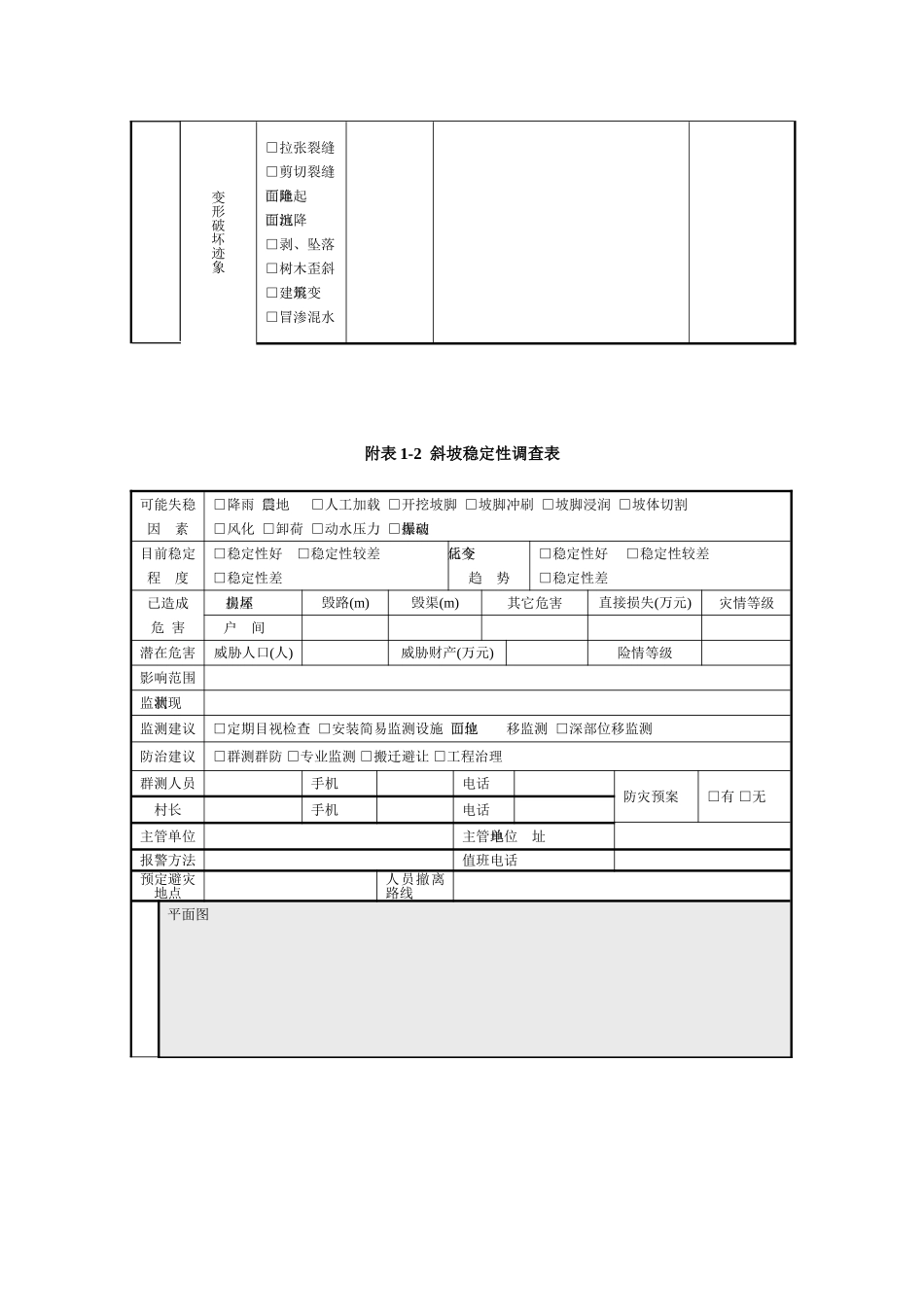
附表1-1斜坡稳定性调查表名称地理位置省县(市)乡村社野外编号斜坡类型□自然□人工□岩质□土质坐标(m)X:Y:标高(m)坡顶坡脚室内编号经度:°′″纬度:°′″周边交通情况斜坡环境地质环境地层岩性地质构造微地貌地下水类型时代岩性产状构造部位地震烈度□陡崖□陡坡□缓坡□平台□孔隙水□裂隙水□岩溶水地理环境降雨量(mm)水文土地利用年均最大降雨量丰水位(m)枯水位(m)斜坡与河流位置□耕地□草地□灌木□森林□裸露□建筑日时□左岸□右岸□凹岸□凸岸斜坡基本特征外形特征坡高(m)坡长(m)坡宽(m)坡度(°)坡向(°)坡面形态□凸□凹□直□阶结构特征岩质岩体结构斜坡结构类型结构类型厚度裂隙组数块度(长×宽×高(m))控制面结构全风化带深度(m)卸荷裂缝深度(m)类型产状长度(m)间距(m)土质土的名称及特征下伏基岩特征名称密实度稠度时代岩性产状埋深(m)□密□中□稍□松地下水埋深(m)露头补给类型□上升泉□下降泉□湿地□降雨□地表水□融雪□人工现今名称部位特征初现时间变形破坏迹象□拉张裂缝□剪切裂缝□地面隆起□地面沉降□剥、坠落□树木歪斜□建筑变形□冒渗混水附表1-2斜坡稳定性调查表可能失稳因素□降雨□地震□人工加载□开挖坡脚□坡脚冲刷□坡脚浸润□坡体切割□风化□卸荷□动水压力□爆破振动目前稳定程度□稳定性好□稳定性较差□稳定性差今后变化趋势□稳定性好□稳定性较差□稳定性差已造成危害损坏房屋毁路(m)毁渠(m)其它危害直接损失(万元)灾情等级户间潜在危害威胁人口(人)威胁财产(万元)险情等级影响范围监测现状监测建议□定期目视检查□安装简易监测设施□地面位移监测□深部位移监测防治建议□群测群防□专业监测□搬迁避让□工程治理群测人员手机电话防灾预案□有□无村长手机电话主管单位主管单位地址报警方法值班电话预定避灾地点人员撤离路线平面图示意图剖面图人员撤离路线图调查负责人:填表人:审核人:填表日期:年月日附表2-1滑坡(潜在滑坡)调查表名称地理位置省县(市)乡村社野外编号室内编号坐标(m)X:Y:标高(m)冠趾滑坡年代发生时间:□老滑坡□现代滑坡年月日时分经度:°′″纬度:°′″周边交通情况滑坡类型□滑动□侧向扩离□流动□复合滑体性质□岩质□碎块石□土质滑坡环境地质环境地层岩性地质构造微地貌地下水类型时代岩性产状构造部位地震烈度□陡崖□陡坡□缓坡□平台□孔隙水□潜水□裂隙水□承压水□岩溶水□上层滞水自然地理环境降水量(mm)水文年均日最大时最大洪水位(m)枯水位(m)滑坡相对河流位置□左□右□凹□凸原始斜坡坡高(m)坡度(°)坡形斜坡结构类型控滑结构面□凸形□凹形□平直□阶状类型产状滑坡基本特征外形特征长度(m)宽度(m)厚度(m)面积(m2)体积(m3)规模等级坡度(°)坡向(°)平面形态剖面形态□半圆□矩形□舌形□不规则□凸形□凹形□直线□阶梯□复合结构特征滑体特征滑床特征岩性结构碎石含量(%)块度(cm)岩性时代产状□可辨层次□零乱(体积百分比)滑面及滑带特征形态埋深(m)倾向(°)倾角(°)厚度(m)滑带土名称滑带土性状地下水埋深(m)露头补给类型□上升泉□下降泉□溢水点□降雨□地表水□人工□融雪土地使用□旱地□水田□草地□灌木□森林□裸露□建筑现名称部位特征初现时间今变形迹象□拉张裂缝□剪切裂缝□地面隆起□地面沉降□剥、坠落□树木歪斜□建筑变形□渗冒混水附表2-2滑坡(潜在滑坡)调查表影响因素地质因素□节理极度发育□结构面走向与坡面平行□结构面倾角小于坡角□软弱基座□透水层下伏隔水层□土体/基岩接触□破碎风化岩/基岩接触□强/弱风化层界面地貌因素□斜坡陡峭□坡脚遭侵蚀□超载堆积物理因素□风化□融冻□胀缩□累进性破坏造成的抗剪强度降低□孔隙水压力高□洪水冲蚀□水位陡降陡落□地震人为因素□削坡过陡□坡脚开挖□坡后加载□蓄水位降落□植被破坏□爆破振动□渠塘渗漏□灌溉渗漏主导因素□暴雨□地震□工程活动稳定性分析复活引发因素□降雨□地震□人工加载□开挖坡脚□坡脚冲刷□坡脚浸润□坡体切割□风化□卸荷□动水压力□爆破振动目前稳定状况□稳定性好□稳定性较差□稳定性差已造成危害毁坏房屋(间)死亡人口(人)直接损失(万元)灾情等级发展趋势分析□稳...

1、当您付费下载文档后,您只拥有了使用权限,并不意味着购买了版权,文档只能用于自身使用,不得用于其他商业用途(如 [转卖]进行直接盈利或[编辑后售卖]进行间接盈利)。
2、本站所有内容均由合作方或网友上传,本站不对文档的完整性、权威性及其观点立场正确性做任何保证或承诺!文档内容仅供研究参考,付费前请自行鉴别。
3、如文档内容存在违规,或者侵犯商业秘密、侵犯著作权等,请点击“违规举报”。

碎片内容

地质灾害野外调查表

您可能关注的文档

确认删除?
VIP
微信客服
  • 扫码咨询
会员Q群
  • 会员专属群点击这里加入QQ群
客服邮箱
回到顶部