电脑桌面
添加小米粒文库到电脑桌面
安装后可以在桌面快捷访问

地质灾害野外调查细则VIP免费

地质灾害野外调查细则_第1页
1/29
地质灾害野外调查细则_第2页
2/29
地质灾害野外调查细则_第3页
3/29
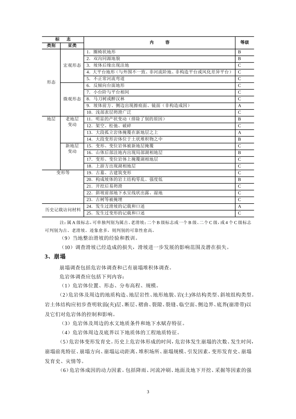
1地质灾害野外调查细则第一章调查要点1、不稳定斜坡调查的内容包括:构成斜坡的地层岩性、风化程度、厚度、软弱夹层岩性及产状;断裂、节理、裂隙发育特征及产状;风化残坡积层岩性、厚度;山坡坡型、坡度、坡向和坡高;岩土体中结构面与斜坡坡向的组合关系。不稳定斜坡与建筑物的平面关系(如:房屋与高陡边坡的距离)。调查斜坡周围,特别是斜坡上部暴雨、地表水渗入或地下水对斜坡稳定的影响、人为工程活动对斜坡的破坏情况等。对可能构成崩塌、滑坡的结构面的边界条件、坡体异常情况等进行调查分析,以此判断斜坡发生崩塌、滑坡、泥石流等地质灾害的危险性及可能的影响范围。斜坡稳定性调查表中有关栏目填写要求如表1。有下列情况之一者,应视为该斜坡具备失稳条件:(1)各种类型的危岩体;(2)斜坡岩体中有倾向坡外、倾角小于坡角的结构面存在;(3)斜坡被两组或两组以上结构面切割,形成不稳定棱体,其底棱线倾向坡外,且倾角小于斜坡坡角;(4)斜坡后缘已产生拉裂缝;(5)顺坡走向卸荷裂隙发育的高陡斜坡或凹腔深度大于裂隙带;(6)岸边裂隙发育、表层岩体已发生蠕动或变形的斜坡;(7)坡足或坡基存在缓倾的软弱层;(8)位于库岸或河岸水位变动带,渠道沿线或地下水溢出带附近,工程建成后可能经常处于浸湿状态的软质岩石或第四系沉积物组成的斜坡;(9)其它根据地貌、地质特征分析或用图解法初步判定为可能失稳的斜坡。表1《斜坡稳定性调查表》填写说明条目填写内容名称以距离调查点最近的地名命名地理位置详细到乡、村、组(社),地理坐标以调查范围的中心点为准,在地形图上量取野外编号以所在县(市)名称汉语拼音的声母加上调查表的顺序号作为野外编号。如:巴东县BDl、BD2、……,攀枝花市PZHl、PZH2、……室内编号按邮政编码方式(地质灾害信息系统建设数据编码要求)编码成因时代第四系地层时代代号加成因代号,如第四系全新统坡积物代号为Q4dl;基岩标注到组,如侏罗系蓬莱镇组代号为J3p产状用倾向、倾角表示,如:倾向125º、倾角30º,表示为125º30°∠地震烈度可用国家地震局1990年编制的50年内超越概率为10%的地震烈度区划数据微地貌>60°为陡崖,25°~60°为陡坡,8°~25°为缓坡,≤8°为平台坡形指斜(边)坡剖面形态,分为凸形、凹形、线形、阶状等形态坡向指主体坡面倾向,用方位角表示构造部位指与调查点附近主要构造的关系,如某断层的上盘、下盘或断裂带上;某背斜、向斜的某翼、轴部或倾伏端等土地使用填写调查点及其附近的土地使用现状结构类型分为块体状、块状、层状和软弱基座等4种基本类型;层状斜坡结构根据岩层(或其他结构面)倾角大小及与坡面的关系可再分为顺向坡、逆向坡、斜向坡、横向坡和近水平岩层斜坡2等5个亚型;顺向坡还可再细分为缓倾顺向坡和陡倾顺向坡控滑结构面类型分为层理面、片(劈)理面、节理裂隙面、松散盖层与基岩接触面、泥化夹层、层内错动带、构造错动带、断层、老滑坡面等密实度分为密实、中密、稍密、松散4级2、滑坡(1)调查的范围应包括滑坡区及其邻近稳定地段,一般包括滑坡后壁外一定距离(滑坡滑动会影响和危害的区域),滑坡体两侧自然沟谷和滑坡舌前缘一定距离或江、河、湖水边;(2)注意查明滑坡的发生与地层结构、岩性、断裂构造(岩体滑坡尤为重要)、地貌及其演变、水文地质条件、地震和人为活动因素的关系,找出引起滑坡或滑坡复活的主导因素;(3)调查滑坡体上各种裂缝的分布特征,发生的先后顺序、切割和组合关系,分清裂缝的力学属性,如拉张、剪切、鼓胀裂缝等,藉以作为滑坡体平面上分块、分条和纵剖面分段的依据,分析滑坡的形成机制;(4)通过裂缝的调查,藉以分析判断滑动面的深度和倾角大小。滑坡体上裂缝纵横,往往是滑动面埋藏不深的反映;裂缝单一或仅见边界裂缝,则滑动面埋深可能较大;如果基础埋深不大的挡土墙开裂,则滑动面往往不会很深;如果斜坡已有明显位移,而挡土墙等依然完好,则滑动面埋深较深;滑坡壁上的平缓擦痕的倾角,与该处滑动面倾角接近一致;滑坡体的差速裂缝两壁也会出现缓倾角擦痕,同样是下部滑动面倾角的反映;(5)对岩体滑坡应注意调查缓倾角的层理面、...

1、当您付费下载文档后,您只拥有了使用权限,并不意味着购买了版权,文档只能用于自身使用,不得用于其他商业用途(如 [转卖]进行直接盈利或[编辑后售卖]进行间接盈利)。
2、本站所有内容均由合作方或网友上传,本站不对文档的完整性、权威性及其观点立场正确性做任何保证或承诺!文档内容仅供研究参考,付费前请自行鉴别。
3、如文档内容存在违规,或者侵犯商业秘密、侵犯著作权等,请点击“违规举报”。

碎片内容

地质灾害野外调查细则

您可能关注的文档

确认删除?
VIP
微信客服
  • 扫码咨询
会员Q群
  • 会员专属群点击这里加入QQ群
客服邮箱
回到顶部