电脑桌面
添加小米粒文库到电脑桌面
安装后可以在桌面快捷访问

地质灾害治理工程验收程序及资料目录VIP免费

地质灾害治理工程验收程序及资料目录_第1页
1/5
地质灾害治理工程验收程序及资料目录_第2页
2/5
地质灾害治理工程验收程序及资料目录_第3页
3/5
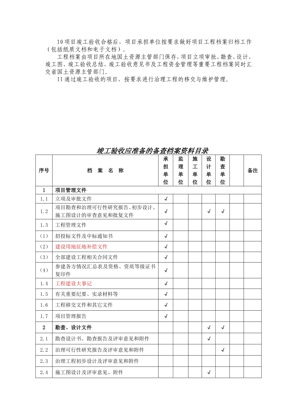
地质灾害治理工程验收程序1.治理工程验收分为竣工初步验收和竣工验收两个阶段。在治理工程完工且质量评定与自验合格后,进行竣工初步验收;试运行一个水文年后,进行竣工验收。2.工程质量按评定标准进行检验评定,工程质量等级划分为优良、合格等级3.治理工程验收按照工程实体完好性、质量评定结果、资料档案完整程度、工程治理效果、项目组织与资金使用情况等进行综合评价,予以通过或不予通过4地质灾害治理工程竣工验收由国土资源主管部门分级负责组织。中央财政支持项目,由省国土资源主管部门负责组织竣工验收,并报国土资源部备案。省级财政支持项目由省国土资源主管部门负责组织验收,可委托或联合市(州)国土资源主管部门进行验收。5承担单位负责按规定组织治理工程项目的竣工初步验收。6验收组由相关管理部门人员和专家构成,验收专家根据项目规模,自省地质灾害防治专家库中随机确定3~5名。7地质灾害治理工程竣工验收的基本程序:(1)现场查验地质灾害治理工程实体质量与运行状况,必要时对工程实体进行无损原位检测或破坏性检验;(2)听取承担单位和施工、监理、设计、勘查、监测单位项目实施情况的汇报;(3)查验地质灾害治理工程档案,重点查看项目招投标文件、原材料半成品等检验报告、关键工序及隐蔽工程验收和施工记录、工程实体的检验报告、设计变更程序文件、重大质量事故处理记录、工程决算与审计、验收整改和工程监测、维护与运行情况等内容;(4)讨论验收组验收意见,形成验收意见书。8竣工初步验收1)承担单位在工程完工一个月内,负责组织项目相关部门和参建单位进行竣工初步验收。2)竣工初步验收必须具备以下条件:(1)完成治理工程设计要求(含经批准的治理工程变更设计要求)和施工合同约定的工程量及整改内容;(2)工程使用的主要原材料、半成品、构配件和设备的合格证及进场复验报告齐全;(3)按照质量评定标准进行了质量检验评定,其中抗滑桩、预应力锚索、锚杆等工程进行实体无损检测,检测报告齐全;(4)承担单位完成治理工程项目竣工总结报告。竣工总结报告应重点说明项目来源、组织建设程序、实际完成工程量、工程质量检验评定、工程档案、资金使用、初步验收意见等内容,经项目负责人签字、承担单位法定代表人审核、签字,并加盖单位公章;(5)施工单位完成治理工程项目施工总结报告。施工总结报告应重点说明工程的组织实施、实际完成工程量、工程质量检验评定、施工档案、执行合同设计规范情况、工程质量自评价等,并附竣工图和典型照片。施工总结报告必须经项目经理签字,施工单位法定代表人审核、签字,并加盖单位公章;(6)监理单位完成治理工程项目监理总结报告。监理总结报告应重点对工程实施过程各项控制、保证工程质量的检查验收、见证采样检测、设计变更、工程质量检验评定、监理档案等进行说明。监理总结报告必须经总监理工程师签字,监理单位法定代表人审核、签字,并加盖单位公章;(7)设计单位完成治理工程项目设计总结报告。设计总结报告应重点总结施工图设计是否符合批复的初步设计、变更设计的必要性以及手续是否符合有关规定、执行设计情况及效果等。设计总结报告必须经设计负责人签字,单位总工程师(技术负责人)审核、设计单位法定代表人签字,并加盖单位公章;(8)勘查单位完成治理工程项目勘查总结报告。勘查总结报告应重点阐述,通过施工地质编录和验槽,对实际揭露地质条件的新认识和结论,原有勘查成果的准确性,以及变更设计的地质依据。勘查总结报告必须经勘查负责人签字,单位总工程师(技术负责人)审核、勘查单位法定代表人签字,并加盖单位公章;(9)已按合同约定已办理工程款结算,并与施工单位签署的工程质量保修书对施工单位编报的工程决算进行了审核;(11)按照省厅要求,完成了治理工程资料的整理与立卷归档;3)竣工初步验收时,应提交以下资料:(1)项目立项批准文件及任务书;(2)经批准的项目设计;(3)项目参建单位确定的文件、中标通知书及合同;(4)工程参加单位相应的资质复印件;(5)开工报告、施工日志、监理日志、实验检验报告、关键工序检验记录、重点工程的原始施工记录、...

1、当您付费下载文档后,您只拥有了使用权限,并不意味着购买了版权,文档只能用于自身使用,不得用于其他商业用途(如 [转卖]进行直接盈利或[编辑后售卖]进行间接盈利)。
2、本站所有内容均由合作方或网友上传,本站不对文档的完整性、权威性及其观点立场正确性做任何保证或承诺!文档内容仅供研究参考,付费前请自行鉴别。
3、如文档内容存在违规,或者侵犯商业秘密、侵犯著作权等,请点击“违规举报”。

碎片内容

地质灾害治理工程验收程序及资料目录

您可能关注的文档

确认删除?
VIP
微信客服
  • 扫码咨询
会员Q群
  • 会员专属群点击这里加入QQ群
客服邮箱
回到顶部