电脑桌面
添加小米粒文库到电脑桌面
安装后可以在桌面快捷访问

地铁明挖区间测量方案VIP免费

地铁明挖区间测量方案_第1页
1/11
地铁明挖区间测量方案_第2页
2/11
地铁明挖区间测量方案_第3页
3/11
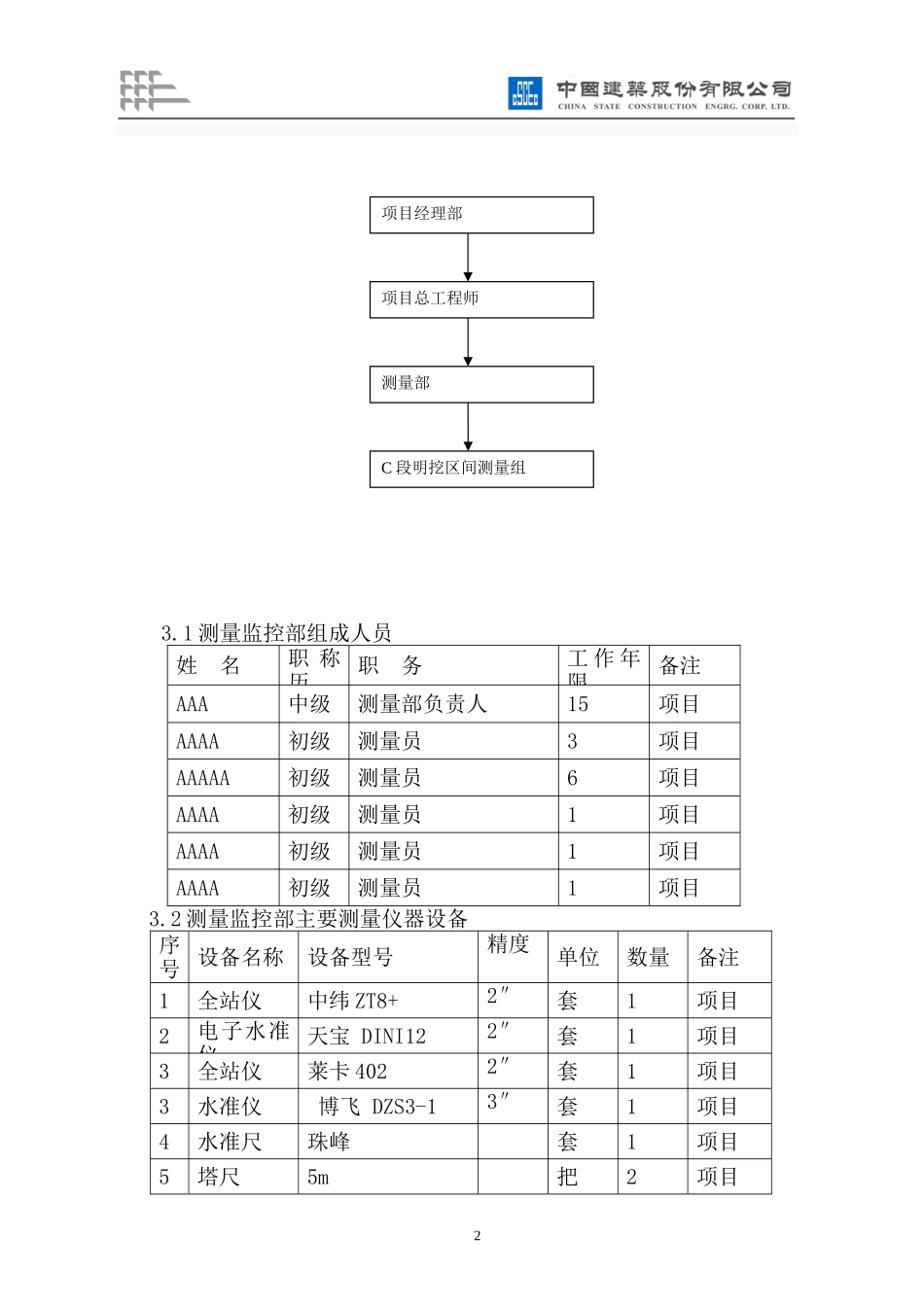
目录一、工程概况....................................................1二、编制依据....................................................1三、测量组织体系和仪器配备......................................2四、AA南站枢纽工程施工测量......................................3五、竣工测量...................................................11六、测量安全及管理.............................................14一、工程概况1、工程简述本区间采用明挖法施工,基坑总长226m,左线基坑宽6.2m,右线基坑宽5.9m,基坑开挖面去地下一层开发结构基础褥垫层底标高,开挖深度约6m~9m。基坑采用排桩+内支撑的支护形式,基坑安全等级:二级。二、编制依据1)AA市市政工程设计研究院交桩资料;2)依据北京城建设计院有限公司出图资料;3)业主提供的设计施工图纸;4)《城市轨道交通工程测量规范》GB50308-2008;5)《工程测量规范》GB50026-2007;6)《建筑变形测量规范》JGJ8-2007;7)《新建铁路工程测量规范》TB10101-99;8)《城市测量规范》CJJ8-2009;9)《地铁限界标准》CJJ96-2003;10)《地下铁道工程施工及验收规范》GB50299-1999;11)《全球定位系统(GPS)测量规范》GB/T18314-2001;12)国家现行其他测量规范、强制性标准;三、测量组织体系和仪器配备为确保地铁建筑物空间位置及几何尺寸的准确性,将误差控制在规定范围之内,保证施工测量的精度。本项目将派具有地下工程测量经验的专业测量工程师和经专业培训持测绘证的测量人员组成测量部。建立内部二级复核制度。C段明挖区间分包设测量组。专业分包测量组由项目经理部测量组统一管理。根据工程项目施工进度需要统一将测量人员逐次报审监理单位,并建立本标段测量人员和测量仪器配备台账实施动态监管。本标段测量监控体系组织见下图:13.1测量监控部组成人员姓名职称历职务工作年限备注AAA中级测量部负责人15项目AAAA初级测量员3项目AAAAA初级测量员6项目AAAA初级测量员1项目AAAA初级测量员1项目AAAA初级测量员1项目3.2测量监控部主要测量仪器设备序号设备名称设备型号精度单位数量备注1全站仪中纬ZT8+2″套1项目2电子水准仪天宝DINI122″套1项目3全站仪莱卡4022″套1项目3水准仪博飞DZS3-13″套1项目4水准尺珠峰套1项目5塔尺5m把2项目项目经理部项目总工程师测量部C段明挖区间测量组26钢卷尺50m把2项目四、AA南站综合交通枢纽工程施工测量4.1交接桩地面控制网点复测4.1.1平面控制网复测依据交桩单位(AA市市政工程设计研究院)移交的控制点点作为平面控制网。共计5个点,即G1、G2、G3、G5、G6。精密导线控制点采用附合线路进行导线复测,由起始边G1、G2附和至终止边G5、G6,每测站6个测回,所用仪器为中玮ZT80+全站仪。数据成果采用严密平差软件计算,软件起算参数输入:平差方式为严密平差;测角中误差2.5″,测距方式为测距仪;测距中误差2mm+2mm/Km*D(km)。复测执行《城市轨道交通工程测量规范》GB50308-2008精密导线测量技术要求。导线控制测量是满足“先控制后碎步”的原则,进行AA南站站-中心街站区间C段明挖区间结构线路中心线控制,具体步骤满足精密导线控制测量主要技术要求见下表:精密导线测量主要技术要求平均边长(m)闭合或附和导线总长度(km)每边测距中误差(mm)测边相对中误差测角中误差(″)测回数方位角闭合差(″)全长相对闭合差相邻点的相对点位中误差Ⅰ级全站仪Ⅱ级全站仪3503~4±41/100000±2.546±51/40000±8注:n为导线的角度个数,一般不超过12。AA南站西广场控制点坐标起始于C2222,G23为1954AA独立坐标系、2000年大沽高程系。施工流程如下:3图--施工测量流程图4.1.2高程控制网复测依据交桩单位(AA市市政工程设计研究院)移交的水准控制点作高程控制网。共计5个点,即G1、G2、、G3、G5、G6、。二等高程控制网点采用闭合水准路线,即G1-G2-JM1-G3-G5-G6,观测方法为后前前后,所用仪器为天宝DINI12电子精密水准仪。数据成果采用严密平差软件计算,软件起算参数输入:观测方式为附和线路水准。复测执行《城市轨道交通工程测量规范》GB50308-2008二等水准测量技术要求。水准测量主要技术要...

1、当您付费下载文档后,您只拥有了使用权限,并不意味着购买了版权,文档只能用于自身使用,不得用于其他商业用途(如 [转卖]进行直接盈利或[编辑后售卖]进行间接盈利)。
2、本站所有内容均由合作方或网友上传,本站不对文档的完整性、权威性及其观点立场正确性做任何保证或承诺!文档内容仅供研究参考,付费前请自行鉴别。
3、如文档内容存在违规,或者侵犯商业秘密、侵犯著作权等,请点击“违规举报”。

碎片内容

地铁明挖区间测量方案

您可能关注的文档

确认删除?
VIP
微信客服
  • 扫码咨询
会员Q群
  • 会员专属群点击这里加入QQ群
客服邮箱
回到顶部