电脑桌面
添加小米粒文库到电脑桌面
安装后可以在桌面快捷访问

地下车库结构设计及计算实例VIP免费

地下车库结构设计及计算实例_第1页
1/5
地下车库结构设计及计算实例_第2页
2/5
地下车库结构设计及计算实例_第3页
3/5
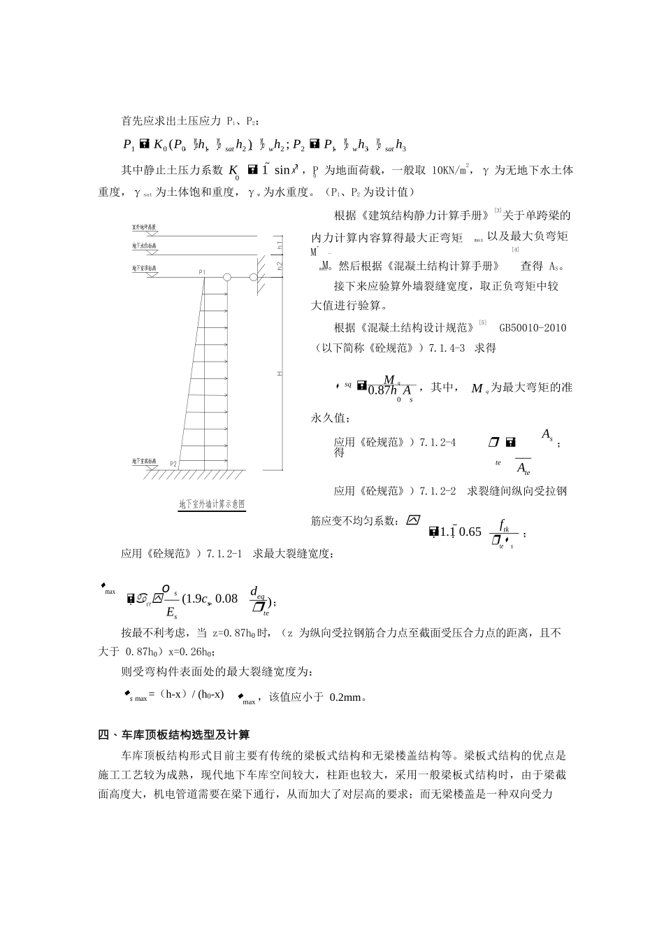
w地下车库结构设计及计算实例[摘要]本文通过上海某楼盘地下车库的结构设计计算实例,参考了国内相应的规范和规程,并比较与分析了不同的车库顶板以及基础设计方案。[关键词]地下室外墙;无梁楼盖;梁板式楼盖;筏板;抗冲切;抗剪;抗浮;地基承载力本工程为上海某楼盘独立地下车库,地下一层,上部设绿化覆土带。车库顶板采用无梁楼盖加柱帽结构,基础采用独立柱基加抗水板的做法。以下为该地下车库的设计计算分析过程:一、抗浮验算由于本工程为一层独立地下室,因此该地下车库需要进行局部抗浮计算,取单个混凝土柱子进行验算。水浮力FwwhA其中,γ取10KN/m2;h为地下室底板标高至地下水位标高之间的距离;A为单根柱子所属底板面积。抗浮力∑G=(G1+G2+G3+G4)A+F1+F2+F3其中,G1为顶板上覆土重荷载(包括地下水自重);G2为顶板自重荷载;G3为底板自重荷载;G4为底板上素砼面层荷载;F1为柱自重;F2为顶板柱帽重;F3为底板柱帽重。(如有底板外挑压土自重应考虑进行)分别根据上海市工程建设规范《地基基础设计规范》[1]DGJ08-11-2010(以下简称《规范》)12.3.2条以及《高层建筑筏形与箱形基础技术规范》[2]JGJ6-2011的5.5.4条规定,满足1.05F≤∑G即无须设置抗拔桩。(取1.05为综合考虑有关规范规定所选取的经验值)二、地基承载力验算以基底持力土层的抗剪强度指标计算地基承载力(考虑深度修正),并以此计算值作为本次设计的地基承载力设计值。根据《规范》5.2.3-1求得fd(1/2)NrrbNqq0dNccCd上部荷载作用下地基净反力为N/Awdh应小于fd,(∑N为基本组合)则地基承载力满足要求。三、地下室外墙计算地下室外墙计算简图见下图,取外墙单位长度为计算单元。00maxA首先应求出土压应力P1、P2:P1K0(P0h1sath2)wh2;P2P1wh3sath3其中静止土压力系数K1sin,P为地面荷载,一般取10KN/m2,γ为无地下水土体重度,γsat为土体饱和重度,γw为水重度。(P1、P2为设计值)根据《建筑结构静力计算手册》[3]关于单跨梁的内力计算内容算得最大正弯矩M+M-以及最大负弯矩[4]max。然后根据《混凝土结构计算手册》查得AS。接下来应验算外墙裂缝宽度,取正负弯矩中较大值进行验算。根据《混凝土结构设计规范》[5]GB50010-2010(以下简称《砼规范》)7.1.4-3求得Mqsq0.87hA,其中,Mq为最大弯矩的准0s永久值;应用《砼规范》)7.1.2-4得As;tete应用《砼规范》)7.1.2-2求裂缝间纵向受拉钢筋应变不均匀系数:应用《砼规范》)7.1.2-1求最大裂缝宽度:1.10.65ftk;tesmaxoscrEs(1.9cs0.08deq);te按最不利考虑,当z=0.87h0时,(z为纵向受拉钢筋合力点至截面受压合力点的距离,且不大于0.87h0)x=0.26h0;则受弯构件表面处的最大裂缝宽度为:smax=(h-x)/(h0-x)max,该值应小于0.2mm。四、车库顶板结构选型及计算车库顶板结构形式目前主要有传统的梁板式结构和无梁楼盖结构等。梁板式结构的优点是施工工艺较为成熟,现代地下车库空间较大,柱距也较大,采用一般梁板式结构时,由于梁截面高度大,机电管道需要在梁下通行,从而加大了对层高的要求;而无梁楼盖是一种双向受力0w102楼盖,在楼盖中不设梁,楼板与柱构成板柱结构体系,具有整体性好,建筑空间大的特点,近年来发展较为迅速。目前根据很多已建项目可知,同样的项目梁板式结构与无梁楼盖结构形式在混凝土用量上几乎接近,而在钢筋用量上无梁楼盖结构明显较梁板式结构节省。因此该项目车库顶板选用厚板加柱帽的结构形式,下面主要介绍该顶板的结构验算。1.顶板配筋计算(地下水位高于地下室顶板)通常顶板配筋须经有限元分析软件进行计算而得,这里仅介绍简单的手算复核方法。顶板面荷载P=P0+P土-P水=P0+γ土h1-γwh2其中,P为地面荷载,一般取10KN/m2;γ取10KN/m2;h为地下室顶板至地面标高之间的距离;h2值)满足设计计算条件有:为地下室顶板至地下水位标高的距离。(该荷载为设计1)每个方向至少有3个连续跨;2)任一区格内的长边与短边之比不大于2;3)同一方向上的相邻跨度的中至中跨长的变化不超过较长跨内的1/3;4...

1、当您付费下载文档后,您只拥有了使用权限,并不意味着购买了版权,文档只能用于自身使用,不得用于其他商业用途(如 [转卖]进行直接盈利或[编辑后售卖]进行间接盈利)。
2、本站所有内容均由合作方或网友上传,本站不对文档的完整性、权威性及其观点立场正确性做任何保证或承诺!文档内容仅供研究参考,付费前请自行鉴别。
3、如文档内容存在违规,或者侵犯商业秘密、侵犯著作权等,请点击“违规举报”。

碎片内容

地下车库结构设计及计算实例

您可能关注的文档

文章天下+ 关注
实名认证
内容提供者

各种文档应有尽有

确认删除?
VIP
微信客服
  • 扫码咨询
会员Q群
  • 会员专属群点击这里加入QQ群
客服邮箱
回到顶部