电脑桌面
添加小米粒文库到电脑桌面
安装后可以在桌面快捷访问

地下车库施工组织设计VIP免费

地下车库施工组织设计_第1页
1/72
地下车库施工组织设计_第2页
2/72
地下车库施工组织设计_第3页
3/72
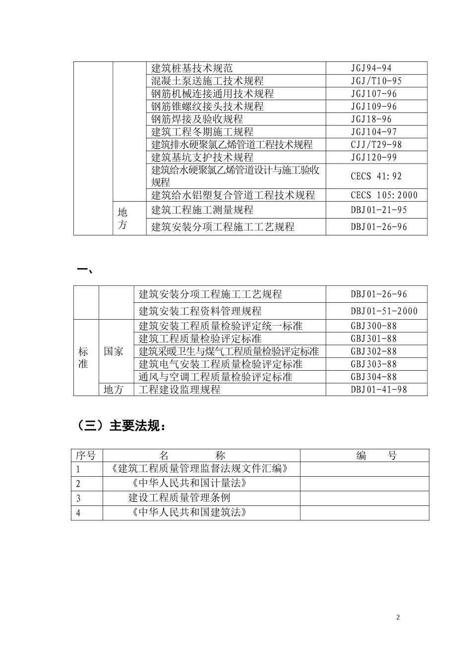
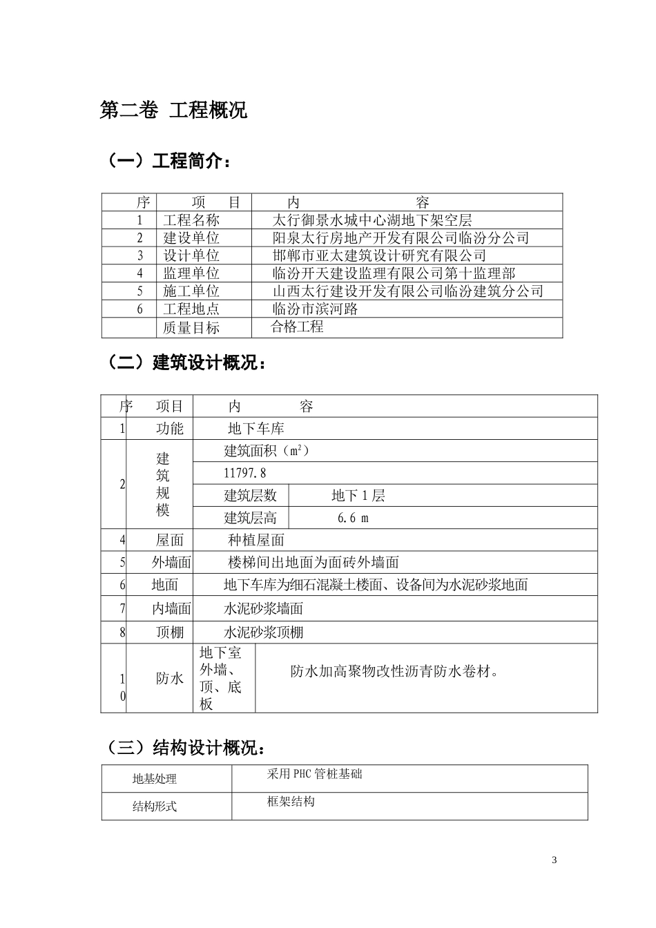
第一卷编制依据(一)建筑设计有限公司设计的结构、建筑、水暖、电气图纸:图纸名称图纸编号出图日期建筑施工图1-132010、6结构施工图1-152010、6暖卫专业施工图1-3、1-142010、2电气专业施工图1-182010、2(二)主要图集、标准、规程、规范:类别名称图集国家钢筋混凝土结构预埋件建筑产品优选集第一节05系列建筑标准设计图集木质防火门图集第二节木质防火门图集钢筋混凝土过梁国03G322-1规范规程国家采暖与卫生工程施工及验收规范GBJ242-82土方与爆破工程施工及验收规范GBJ201-83地基与基础工程施工及验收规范GBJ202-83地下防水工程施工及验收规范GBJ208-83喷射混凝土支护技术规范GBJ86-85地下工程防水技术规范GBJ108-87混凝土结构工程施工及验收规范GB50204-92建筑地面工程施工及验收规范GB50209-95电气装置安装工程施工及验收规范GB50254-59-96通风与空调工程施工及验收规范GB50243-97汽车库、修车库、停车场设计防火规范GB50067-97砌体工程施工及验收规范GB50203-98行业建筑机械使用安全技术规程JGJ33-86施工现场临时用电安全技术规范JGJ46-88建筑装饰工程施工及验收规范JBJ73-91建筑桩基技术规范JGJ94-94混凝土泵送施工技术规程JGJ/T10-95钢筋机械连接通用技术规程JGJ107-96钢筋锥螺纹接头技术规程JGJ109-96钢筋焊接及验收规程JGJ18-96建筑工程冬期施工规程JGJ104-97建筑排水硬聚氯乙烯管道工程技术规程CJJ/T29-98建筑基坑支护技术规程JGJ120-99建筑给水硬聚氯乙烯管道设计与施工验收规程CECS41:92建筑给水铝塑复合管道工程技术规程CECS105:2000地方建筑工程施工测量规程DBJ01-21-95建筑安装分项工程施工工艺规程DBJ01-26-96一、建筑安装分项工程施工工艺规程DBJ01-26-96建筑安装工程资料管理规程DBJ01-51-2000标准国家建筑安装工程质量检验评定统一标准GBJ300-88建筑工程质量检验评定标准GBJ301-88建筑采暖卫生与煤气工程质量检验评定标准GBJ302-88建筑电气安装工程质量检验评定标准GBJ303-88通风与空调工程质量检验评定标准GBJ304-88地方工程建设监理规程DBJ01-41-98(三)主要法规:序号名称编号1《建筑工程质量管理监督法规文件汇编》2《中华人民共和国计量法》3建设工程质量管理条例4《中华人民共和国建筑法》2第二卷工程概况(一)工程简介:序项目内容1工程名称太行御景水城中心湖地下架空层2建设单位阳泉太行房地产开发有限公司临汾分公司3设计单位邯郸市亚太建筑设计研究有限公司4监理单位临汾开天建设监理有限公司第十监理部5施工单位山西太行建设开发有限公司临汾建筑分公司6工程地点临汾市滨河路质量目标合格工程(二)建筑设计概况:序项目内容1功能地下车库2建筑规模建筑面积(m2)11797.8建筑层数地下1层建筑层高6.6m4屋面种植屋面5外墙面楼梯间出地面为面砖外墙面6地面地下车库为细石混凝土楼面、设备间为水泥砂浆地面7内墙面水泥砂浆墙面8顶棚水泥砂浆顶棚10防水地下室外墙、顶、底板防水加高聚物改性沥青防水卷材。(三)结构设计概况:地基处理采用PHC管桩基础结构形式框架结构3基础埋深-8.2m构造特点本工程为超长钢筋混凝土无缝施工。对底板和楼板设膨胀加强带,连续浇灌混凝土;对于边墙设后浇加强带,14天后用CEA-B膨胀混凝土浇筑。钢筋接头型式水平筋当d≤Φ25、d≥Φ12时采用焊接连接,当d≤Φ10时,采用搭接连接,d>Φ25时采用锥螺纹机械连接。竖向筋当d≥Φ16时,采用电渣压力焊;当d≤Φ14时,采用搭接连接。加气混凝土砌块墙150mm多孔粘土砖墙240mm砼强度等级垫层C10砼楼梯、楼板C35砼桩承台、剪力墙、框架梁、柱C35砼地下室底板、顶板及外墙C35砼、防水S8(三)水暖专业设计概况:1、暖卫系统:系统名称管材连接方式保温防腐采暖焊接钢管DN≤32丝接DN≥40焊接岩棉瓦防锈漆银粉各两道给水镀锌钢管丝接消火栓焊接钢管焊接防锈漆银粉各两道自动喷洒镀锌钢管DN≤100丝接DN>100法兰连接排水直排UPVC管粘接聚乙烯泡沫防锈漆银粉各两道压力焊接钢管焊接2、通风空调系统:系统名称管材连接方式保温防腐送排风镀锌钢板法兰连接(四)电气专业设计概况:序项目系统介绍1变配电系统380V/220V电源进线,设Л接室及配电间,保护系统为TN-C-S。2动力系统干...

1、当您付费下载文档后,您只拥有了使用权限,并不意味着购买了版权,文档只能用于自身使用,不得用于其他商业用途(如 [转卖]进行直接盈利或[编辑后售卖]进行间接盈利)。
2、本站所有内容均由合作方或网友上传,本站不对文档的完整性、权威性及其观点立场正确性做任何保证或承诺!文档内容仅供研究参考,付费前请自行鉴别。
3、如文档内容存在违规,或者侵犯商业秘密、侵犯著作权等,请点击“违规举报”。

碎片内容

地下车库施工组织设计

您可能关注的文档

确认删除?
VIP
微信客服
  • 扫码咨询
会员Q群
  • 会员专属群点击这里加入QQ群
客服邮箱
回到顶部