电脑桌面
添加小米粒文库到电脑桌面
安装后可以在桌面快捷访问

地下工程测量思考题与习题VIP免费

地下工程测量思考题与习题_第1页
1/15
地下工程测量思考题与习题_第2页
2/15
地下工程测量思考题与习题_第3页
3/15
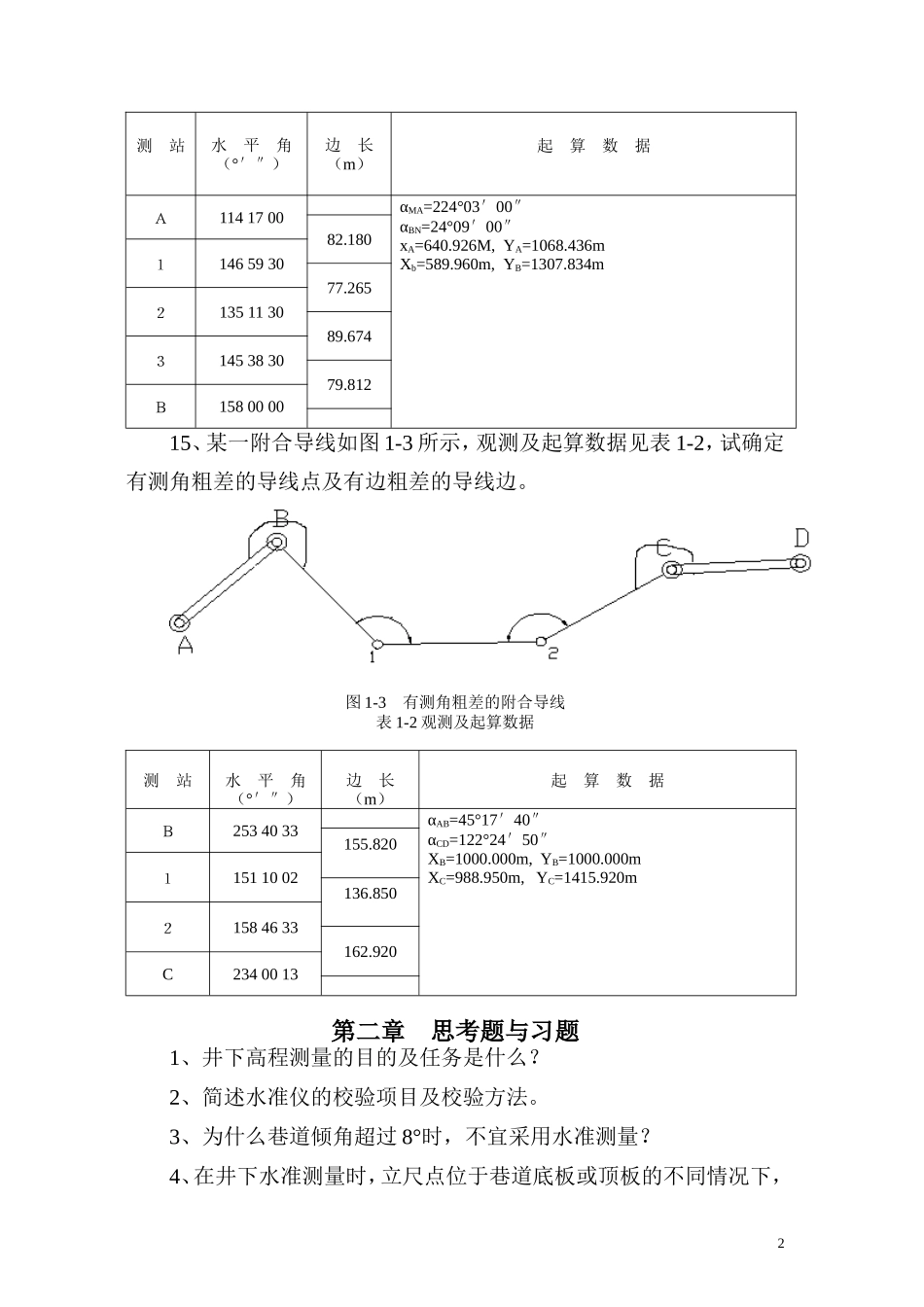
第一章思考题与习题1、井下平面控制测量的基本原则及特点?2、简述井下平面控制测量的等级、布设和精度要求。3、井下经纬仪导线有哪几种类型?4、简述矿用经纬仪的主要校验项目及校验方法。5、简述井下测量水平角的方法及步骤。6、井下钢尺测量边时应加入哪些改正?如何计算?7、简述松垂距f的实地测量方法?8、井下选设导线点时应考虑哪些因数?9、简述井下导线施测方法及精度要求。10、井下导线测量的内业包括哪些内容?11、简述用“三架法”进行导线测量的具体方法。12、如图1-1所示为某矿施测的15″级空间交叉闭合导线,沿A—1—2……7—B方向,均测左角,问所测角度总和在什么范围内可满足精度要求?13、某矿施测了如图1-2所示的15″级附合导线,起算及观测数据见表1-1,试按所介绍的几种简易平方差法计算各点的坐标并进行比较。图1-115″级空间交叉闭合导线图1-215″级附合导线14、如图1-2中,A、B两点为巷道中的残留点,经检查确认,该两点未发生移动,点位可靠,可作为坚强点。1、2、3为欲恢复的导线点,观测及起算数据见表1-1,试计算其坐标。表1-1起算及观测数据1测站水平角(°′″)边长(m)起算数据A1141700αMA=224°03′00″αBN=24°09′00″xA=640.926M,YA=1068.436mXb=589.960m,YB=1307.834m82.1801146593077.2652135113089.6743145383079.812B158000015、某一附合导线如图1-3所示,观测及起算数据见表1-2,试确定有测角粗差的导线点及有边粗差的导线边。图1-3有测角粗差的附合导线表1-2观测及起算数据测站水平角(°′″)边长(m)起算数据B2534033αAB=45°17′40″αCD=122°24′50″XB=1000.000m,YB=1000.000mXC=988.950m,YC=1415.920m155.82011511002136.85021584633162.920C2340013第二章思考题与习题1、井下高程测量的目的及任务是什么?2、简述水准仪的校验项目及校验方法。3、为什么巷道倾角超过8°时,不宜采用水准测量?4、在井下水准测量时,立尺点位于巷道底板或顶板的不同情况下,2计算两点间高差的公式。5、用变更仪器高法进行水准测量时,每一站均符合要求,由此能否判定整个路线的水准测量符合精度要求?6、简述测绘纵断面图的外业及内业。7、地面三角高程测量与井下三角高程测量有何异同?为什么井下三角高程测量一般都与经纬仪导线测量同时进行?第三章思考题与习题1、联系测量的目的和任务是什么?为什么要进行联系测量?2、采用几何法定向时,从近井点推算的两次独立定向结果的互差对一井定向和两井定向分别不得超过±2′和±1′,那么一次定向的中误差应为多少?3、近井点和高程基点的埋设有哪些要求?对近井点的精度要求如何?4、一井定向包括哪些工作?对所用设备有何要求?如何总体布置?5、何谓投点误差?减小投点误差的措施有哪些?6、何谓连接三角形?怎样才能构成最有利的连接三角形?7、试述连接三角形的解算步骤和方法。γ图3-1一井定向井上下连接8.某矿用连接三角形法进行一井定向,其井上下连接如图3-1所示,地面连测导线的有关数据是:a=15.439m,b=21.551m,c=6,125m,γ=1°12′40″,∠DCA=185°28′433″,αDC=53°52′09″,xc=2025.09,yc=552.670;井下连接导线中的数导线中的数据:a′=16.861m,b′=22.986m,c′=6.124m,r′=0°1′25″,∠BC′D′=180°45′38″,LC′D′=25.450m,试求井下导线边C′D′的方位角及D′点的平面坐标。9.与一井定向相比,两井定向有哪些优越性?10.如何进行两井定向的误差预计?11.如图3-2所示,某矿利用主副立井进行了两井定向。地面测设了近井点D和连接点C,测得xc=4840.529m,yc=72941.692m,αCD=97°46′02″。由C点与两井筒中的垂球线A、B连接,∠DCA=115°05′07″,∠BCD=32°26′05″,LCA=28.515m,LCB=22.790m,井下按7″级导线施测,β1=270°40′14″,β2=177°55′17″,La1=31.035m,L12=12.987m,L2B=26.440m。试求井下1—2边的坐标方位角和1、2点的平面坐标。图3-2两井定向示意图Xa=4816.574,ya=72926.223,αcb=65°19′57"xb=4850.040,yb=72962.402αab=47°13′51"x´1=31.035,y´1=0,a´12=270°40′14″,x´2=31.187,y´2=-12.986,x´b=32.455,y´b=-39...

1、当您付费下载文档后,您只拥有了使用权限,并不意味着购买了版权,文档只能用于自身使用,不得用于其他商业用途(如 [转卖]进行直接盈利或[编辑后售卖]进行间接盈利)。
2、本站所有内容均由合作方或网友上传,本站不对文档的完整性、权威性及其观点立场正确性做任何保证或承诺!文档内容仅供研究参考,付费前请自行鉴别。
3、如文档内容存在违规,或者侵犯商业秘密、侵犯著作权等,请点击“违规举报”。

碎片内容

地下工程测量思考题与习题

您可能关注的文档

确认删除?
VIP
微信客服
  • 扫码咨询
会员Q群
  • 会员专属群点击这里加入QQ群
客服邮箱
回到顶部