电脑桌面
添加小米粒文库到电脑桌面
安装后可以在桌面快捷访问

地下管道防腐施工方案VIP免费

地下管道防腐施工方案_第1页
1/15
地下管道防腐施工方案_第2页
2/15
地下管道防腐施工方案_第3页
3/15
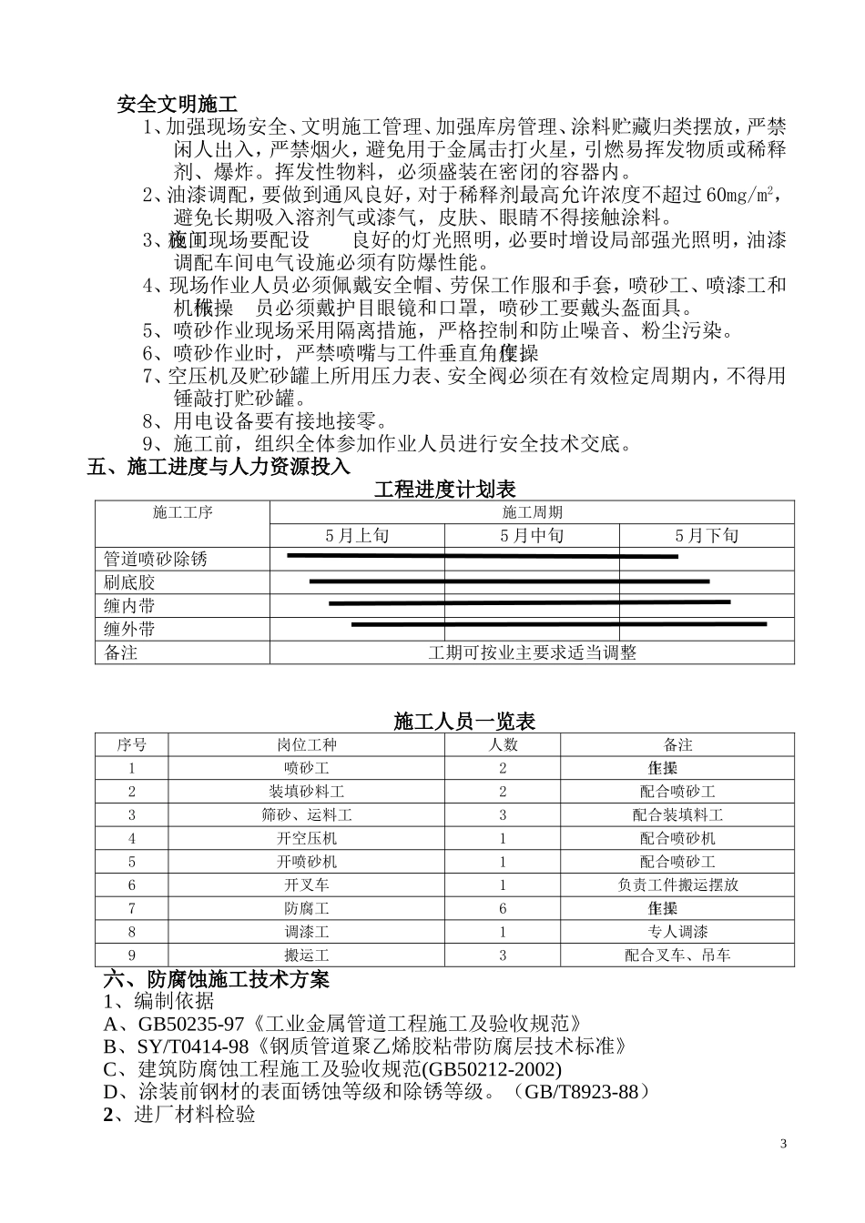
中海油三聚甲醛新合成技术项目地下管道防腐施工方案一、工程概况:三聚甲醛新合成技术项目地下管道,材质为Q235、ST20、镀锌钢管部分管线根据设计要求及相关标准需作防腐处理,防腐前,基面处理为喷砂除锈,等级为Sa2.5级。防腐层做法为:一层内带,一层外带,搭接宽度为50%。总厚度不小于1.4毫米。执行标准《钢质管道聚乙烯胶粘带防腐层技术标准》SY/T0414-98。本工程防腐材料有业主供货,开工日期为管道及防腐材料到货日期,从开工日期起,根据施工要求陆续将安装单位委托的管道、管件交付安装现场。二、施工现场布置中海石油三聚甲醛项目中昊建设工程有限公司施工现场平面布置图待加工件存放区施工用道路成品存放区公司办公楼公司大道空气罐喷砂操作间磨料(河砂)存放处防腐作业区空气压缩机砂罐三、施工准备工作1、通过技术交底完善于防腐设计,防腐设计是腐蚀全面控制有龙头。在防腐蚀施工开始之前的技术准备阶段,对防腐设计进行会审。进一走完善防腐设计是防腐蚀工程质量全过程监控的第一步。2、公司与各施工队签定《化工防腐蚀工程质量管理责任书》,要求各施工队严格履行。3、文件与生产控制:根据施工现场施工情况,按照施工规范及相关标准,在施工中首先向监理部门呈交所用材料合格证明,生产与质量控制检查紧密配合。4、材料的前期准备:本工程主材料属于甲方供给的形式,我们严格按照程序领料入库,辅材将按照工程的施工要求备齐。5、原材料质量检查,在施工之前必须按照防腐设计要求对施工所用原材料的种类、规格逐一进行核查,同时还要检查原材料的生产及出厂日期、产品合格证等,原材料的质量标准应符合产品说明书或施工规范的规定。在检查确定其准确无误后方可使用。原材料的质量检查不仅限于施工开始之前,而必须贯穿于施工始终。对那些在施工中购入原材料应该加强随时随地检查,发现问题及时解决,切实把住质量关。在原材料质量检查的同时,对原材料的存放提出具体要求,如防火、防雨、防晒、通风、干燥等,保证原材的质量善始善终及施工使用安全。6、机械设备的准备工作根据工程建设及工程进度需要,本公司将投入精良的机械和设备,标准的1西南冈东北监测和检验仪器,确保工程质量达到优良。所以投入的施工机具及标准探测仪器如下:序号名称型号产地单位数量1干膜涂层测厚仪345FB-S1英国ELCOMTOR台12湿膜梳115英国ELCOMTOR台13表面粗糙度测量仪123机械型英国ELCOMTOR台14附着力测试仪106机械型英国ELCOMTOR台15空压机SA520(固定式)英国ELCOMTOR台16喷砂机GPBBR-4英国ELCOMTOR台17手提风动搅拌器GC-25柳州台48农用运输车海口辆19工具车解放1026沈阳辆110高压无气喷涂机GPQ6C四川台1四、施工组织机构及HSE措施海南中昊CO2项目施工组织图项目经理全面负责项目施工的各项工作,现场施工HSE经理负责施工的安全、质量、进度,协调各单位之间施工问题。施工队长1名,安全员1人,质检员1人,计划日工作人数不低于15人。能够保障连续不间断施工,提高施工进度。项目经理施工经理施工部质量部安全部采购部质量经理安全总监行政经理采购经理财务部行政办公2安全文明施工1、加强现场安全、文明施工管理、加强库房管理、涂料贮藏归类摆放,严禁闲人出入,严禁烟火,避免用于金属击打火星,引燃易挥发物质或稀释剂、爆炸。挥发性物料,必须盛装在密闭的容器内。2、油漆调配,要做到通风良好,对于稀释剂最高允许浓度不超过60mg/m2,避免长期吸入溶剂气或漆气,皮肤、眼睛不得接触涂料。3、夜间施工现场要配设良好的灯光照明,必要时增设局部强光照明,油漆调配车间电气设施必须有防爆性能。4、现场作业人员必须佩戴安全帽、劳保工作服和手套,喷砂工、喷漆工和机械操作员必须戴护目眼镜和口罩,喷砂工要戴头盔面具。5、喷砂作业现场采用隔离措施,严格控制和防止噪音、粉尘污染。6、喷砂作业时,严禁喷嘴与工件垂直角度操作。7、空压机及贮砂罐上所用压力表、安全阀必须在有效检定周期内,不得用锤敲打贮砂罐。8、用电设备要有接地接零。9、施工前,组织全体参加作业人员进行安全技术交底。五、施工进度与人力资源投入工程进度计划表施工工序施工周期5月上旬5月中旬5月下旬管...

1、当您付费下载文档后,您只拥有了使用权限,并不意味着购买了版权,文档只能用于自身使用,不得用于其他商业用途(如 [转卖]进行直接盈利或[编辑后售卖]进行间接盈利)。
2、本站所有内容均由合作方或网友上传,本站不对文档的完整性、权威性及其观点立场正确性做任何保证或承诺!文档内容仅供研究参考,付费前请自行鉴别。
3、如文档内容存在违规,或者侵犯商业秘密、侵犯著作权等,请点击“违规举报”。

碎片内容

地下管道防腐施工方案

您可能关注的文档

文章天下+ 关注
实名认证
内容提供者

各种文档应有尽有

确认删除?
VIP
微信客服
  • 扫码咨询
会员Q群
  • 会员专属群点击这里加入QQ群
客服邮箱
回到顶部