电脑桌面
添加小米粒文库到电脑桌面
安装后可以在桌面快捷访问

多层及高层钢结构安装工程工艺标准VIP免费

多层及高层钢结构安装工程工艺标准_第1页
1/10
多层及高层钢结构安装工程工艺标准_第2页
2/10
多层及高层钢结构安装工程工艺标准_第3页
3/10
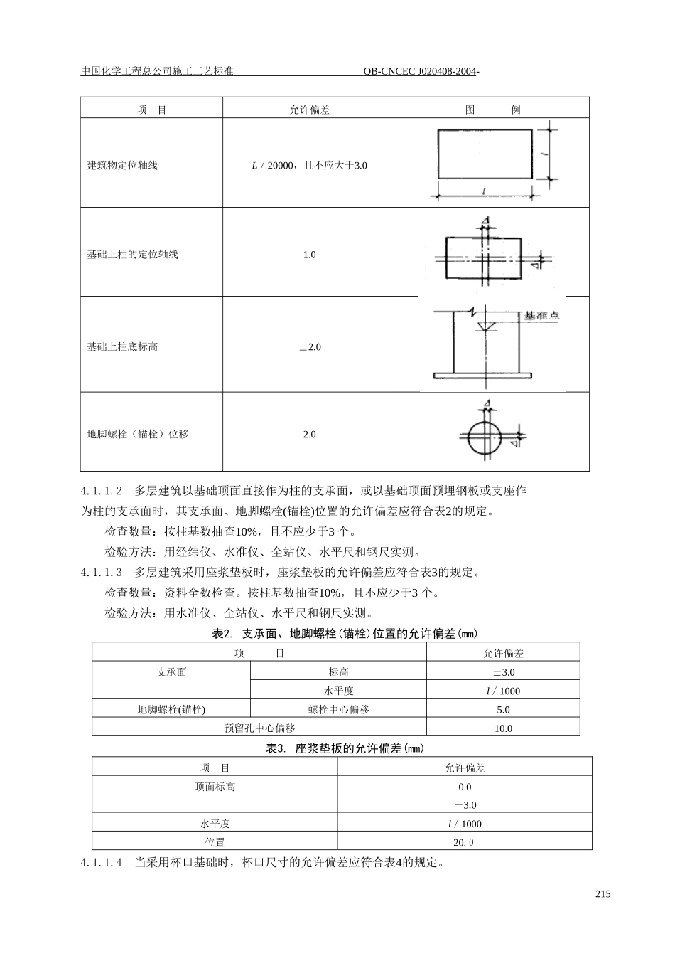
中国化学工程总公司施工工艺标准QB-CNCECJ020408-2004-多层及高层钢结构安装施工工艺标准(QB-CNCECJ020408-2004)1适用范围本工艺标准适用于多层及高层钢结构的主体结构、地下钢结构、檩条及墙架等次要构件、钢平台、钢梯、防护栏杆等安装工程。2施工准备2.1材料:合格零部件、构件、连接材料;其它材料:各种规格垫铁等。2.2主要机具:2.2.1机械设备:塔式起重机、履带式起重机或汽车式起重机、载重汽车等吊装机械。2.2.2主要工具:钢丝绳、棕绳、卡环、绳卡、平衡梁、倒链、索具、手持电砂轮、电钻、垫木、垫铁、扳手、撬棍、扭矩扳手、气焊、钢板尺、角尺、塞尺、水平尺、经纬仪、水准仪、锤子、钢丝刷等等。2.3作业条件:2.3.1按构件明细表,核对进场构件的数量,查验出厂合格证及有关技术资料。2.3.2检查构件在装卸、运输及堆放中有无损坏或变形。损坏和变形的构件应予矫正或重新加工。被碰损的防锈涂料应补涂,并再次检查办理验收手续。2.3.3对构件的外形几何尺寸、制孔、组装、焊接、摩擦面等进行检查,做出记录。2.3.4钢结构构件应按安装顺序成套供应,现场堆放场地能满足现场拼装及顺序安装的需要。2.3.5构件分类堆放,刚度较大的构件可以铺垫木水平堆放。多层叠放时垫木应在一条垂线上。2.3.6编制钢结构安装施工组织设计(施工方案),包括机械设备选用、安装程序、安装方法、构件供应、保证质量、安全技术措施等等,经审批后,进行技术交底。2.3.7检查安装支座及预埋件,取得经总包确认合格的验收资料。2.3.8检查吊装用起重设备、配套机索具等是否齐全完好,运转是否灵活,并维护好,保持良好状态。2.3.9整平场地,修筑构件运输和起重机械运行的临时道路;或安装塔式起重机。2.4作业人员:起重工、铆工、钳工、气焊、机械工等等。3操作工艺3.1工艺流程:3.2作业准备:3.2.1复验安装定位所用的轴线控制点和测量标高使用的水准点。3.2.2放出标高控制线和屋架轴线的吊装辅助线。3.2.3复验钢结构支座及支撑系统的预埋件,其轴线、标高、水平度、预埋螺栓位置及露出长度等,超出213作业准备组拼的扩大安装单元吊装连接固定其他构件安装检查验收柱安装梁安装分层安装次要构件中国化学工程总公司施工工艺标准QB-CNCECJ020408-2004-允许偏差时,应做好技术处理。3.2.4检查吊装机械及吊具,按照施工组织设计的要求搭设脚手架或操作平台。3.2.5吊装时,为防止构件变形、失稳,必要时应采取加固措施。3.2.6测量用钢尺应与钢结构制造用的钢尺校对,并取得计量法定单位检定证明。3.3组拼的扩大安装单元吊装及其他构件安装同单层钢结构安装。3.4钢柱安装3.4.1钢柱多用宽翼工字钢或箱行截面,一般制成3到4层一节,节与节之间用坡口焊连接。一个节间的柱网必须安装三层的高度后,再安装相邻节间的柱子。3.4.2柱上的爬梯或挂蓝应预先固定在构件上。3.4.3钢柱就位后,首先调整标高,再调整位移,最后调整垂直偏差,并重复上述步骤,直到钢柱的标高、位移、垂直偏差符合规定要求。3.4.4在第一节框架安装、校正后应立即连接紧固,并进行底层钢柱柱底灌浆。3.5钢梁和剪力板安装3.5.1吊装前对梁的型号、规格、截面尺寸和牛腿位置、标高进行检查。装上安全扶手和扶手绳(就位后装在两端柱上),在钢梁翼缘处适当位置开孔作为吊点。3.5.2主梁一次吊一根,两点绑扎起吊。次梁和小梁可采用多头吊索一次吊装数根,以充分发挥吊车的起重能力。3.5.3当一节钢框架吊装完毕,既需对已吊装的柱梁进行误差检查和校正,对于控制柱网的基准柱用线坠或激光仪观测,其他柱根据基准柱用钢卷尺量测。3.5.4梁校正完毕,用高强螺栓临时固定,再进行柱校正,紧固连接高强螺栓。3.5.5墙剪力板的吊装在梁、柱校正固定后进行,板整体组装校正检验尺寸后,从侧面吊入,就位找正后用螺栓紧固。3.6构件连接与固定:3.6.1构件安装采用焊接或螺栓连接的节点,需检查连接节点,合格后方能进行焊接或紧固。3.6.2焊接顺序:上节柱和梁经校正和固定后进行接柱焊接。柱与梁的焊接顺序,先焊接顶部柱梁节点,再焊接底部柱梁节点,最后焊接中部柱梁节点。3.6.3两个连接构件采用高强螺栓连接,其紧固顺序是:先主要构件,后次要构...

1、当您付费下载文档后,您只拥有了使用权限,并不意味着购买了版权,文档只能用于自身使用,不得用于其他商业用途(如 [转卖]进行直接盈利或[编辑后售卖]进行间接盈利)。
2、本站所有内容均由合作方或网友上传,本站不对文档的完整性、权威性及其观点立场正确性做任何保证或承诺!文档内容仅供研究参考,付费前请自行鉴别。
3、如文档内容存在违规,或者侵犯商业秘密、侵犯著作权等,请点击“违规举报”。

碎片内容

多层及高层钢结构安装工程工艺标准

您可能关注的文档

确认删除?
VIP
微信客服
  • 扫码咨询
会员Q群
  • 会员专属群点击这里加入QQ群
客服邮箱
回到顶部