电脑桌面
添加小米粒文库到电脑桌面
安装后可以在桌面快捷访问

2021年江西省中考化学真题(含答案) VIP免费

2021年江西省中考化学真题(含答案) _第1页
1/10
2021年江西省中考化学真题(含答案) _第2页
2/10
2021年江西省中考化学真题(含答案) _第3页
3/10
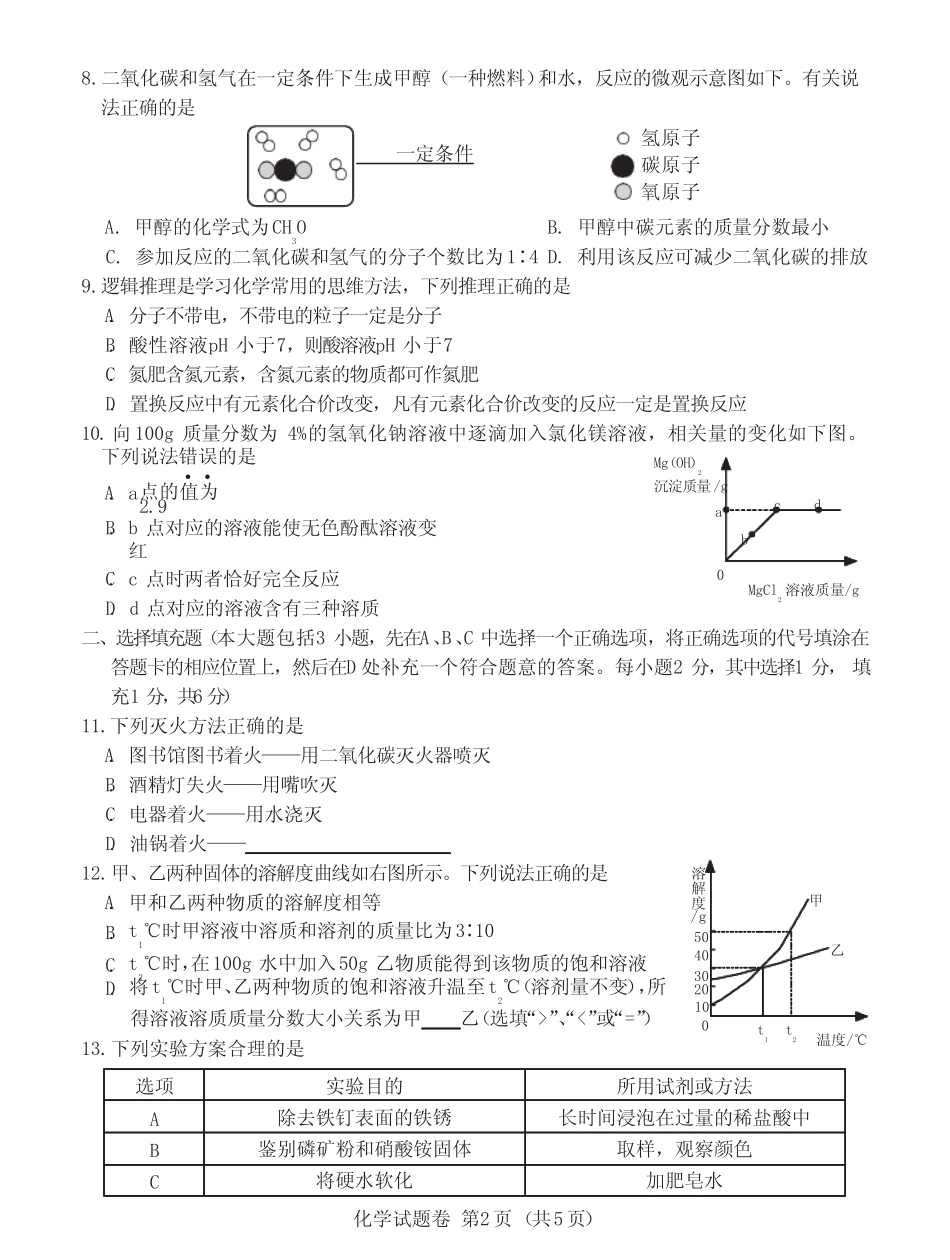
化学试题卷第1页(共5页)江西省2021年初中学业水平考试化学试题卷说明:1.全卷满分70分,考试时间65分钟。2.请将答案写在答题卡上,否则不给分。3.本卷可能用到的相对原子质量:H-1C-12O-16Na-23Mg-24Cl-35.5Ca-40一、单项选择题(本大题包括10小题,每小题有四个选项,其中只有一个选项符合题意,请将符合题意的选项代号填涂在答题卡的相应位置上。1-5题每小题1分,6-10题每小题2分,共15分)1.下列属于非金属元素的是A.铝B.铁C.钙D.氧2.高铁是中国一张靓丽的名片,车厢内禁止吸烟须张贴的标志是ABCD3.下列做法违背“保护环境,珍惜资源”理念的是A.分类回收垃圾B.提倡用餐光盘行动C.排放核废水入海D.合理开发金属资源4.用氯化钠固体配制50g质量分数为6%的溶液,不需要用到的仪器是···ABCD5.摄入适量糖类物质可缓解低血糖引起的头晕,出现该症状后最宜摄入的是A.矿泉水B.蔗糖水C.牛肉干D.黄瓜汁6.下列物质加入足量的水中能形成紫红色溶液的是A.高锰酸钾B.植物油C.酒精D.大理石7“.莫道雪融便无迹,雪融成水水成冰”,其中涉及有关物质的说法错误的是··A.冰和水的化学性质不同B.冰和水的相对分子质量相同C.雪和水的分子间隔不同D.雪融成水是物理变化化学试题卷第2页(共5页)溶解度408.二氧化碳和氢气在一定条件下生成甲醇(一种燃料)和水,反应的微观示意图如下。有关说法正确的是一定条件氢原子碳原子氧原子A.甲醇的化学式为CH3OB.甲醇中碳元素的质量分数最小C.参加反应的二氧化碳和氢气的分子个数比为1∶4D.利用该反应可减少二氧化碳的排放9.逻辑推理是学习化学常用的思维方法,下列推理正确的是A.分子不带电,不带电的粒子一定是分子B.酸性溶液pH小于7,则酸溶液pH小于7C.氮肥含氮元素,含氮元素的物质都可作氮肥D.置换反应中有元素化合价改变,凡有元素化合价改变的反应一定是置换反应10.向100g质量分数为4%的氢氧化钠溶液中逐滴加入氯化镁溶液,相关量的变化如下图。下列说法错误的是Mg(OH)2A.a··点的值为2.9沉淀质量/gacdB.b点对应的溶液能使无色酚酞溶液变红C.c点时两者恰好完全反应D.d点对应的溶液含有三种溶质b0MgCl2溶液质量/g二、选择填充题(本大题包括3小题,先在A、B、C中选择一个正确选项,将正确选项的代号填涂在答题卡的相应位置上,然后在D处补充一个符合题意的答案。每小题2分,其中选择1分,填充1分,共6分)11.下列灭火方法正确的是A.图书馆图书着火——用二氧化碳灭火器喷灭B.酒精灯失火——用嘴吹灭C.电器着火——用水浇灭D.油锅着火——12.甲、乙两种固体的溶解度曲线如右图所示。下列说法正确的是A.甲和乙两种物质的溶解度相等/gB.t1℃时甲溶液中溶质和溶剂的质量比为3∶1050C.t2℃时,在100g水中加入50g乙物质能得到该物质的饱和溶液30D.将t1℃时甲、乙两种物质的饱和溶液升温至t2℃(溶剂量不变),所2010得溶液溶质质量分数大小关系为甲乙(选填“>”、“<”或“=”)013.下列实验方案合理的是甲乙t1t2温度/℃选项实验目的所用试剂或方法A除去铁钉表面的铁锈长时间浸泡在过量的稀盐酸中B鉴别磷矿粉和硝酸铵固体取样,观察颜色C将硬水软化加肥皂水化学试题卷第3页(共5页)D鉴别蒸馏水和氯化钾溶液化学试题卷第4页(共5页)过量盐酸操作3操作1白钨矿操作2白钨矿H2WO4、SiO2SiO2(NH4)2WO4溶液H2一系列操作WO3W粉碎粉末滤液ABDEFGC27三、填空与说明题(本大题包括4小题,共23分)14.(4分)2021年江西省自主设计的“人造太阳”首次成功放电。(1)“人造太阳”合理利用了可控核聚变,氘、氚是核聚变的热核材料。原子种类质子数中子数核外电子数氘111氚12x①氘和氚属于(选填“同种”或“不同种”)元素的原子,上表中x=。②贮存氘气的钢瓶禁止靠近明火,据此推测氘气具有的化学性质是。(2)“人造太阳”将为人类提供永不枯竭的清洁能源,除核能外清洁能源还有。(任写一种)15.(7分)防疫情,测体温。体温测量仪功不可没。(1)传统型——体温计。含汞体温计将在2026年起全面禁止生产,因为汞是人体中的(选填“必需”或“有害”)元素。汞的元素符号是。(2)方便型——额温枪。某种额温枪的红外温度传感器所用材料含有钽酸锂(LiTaO3)。...

1、当您付费下载文档后,您只拥有了使用权限,并不意味着购买了版权,文档只能用于自身使用,不得用于其他商业用途(如 [转卖]进行直接盈利或[编辑后售卖]进行间接盈利)。
2、本站所有内容均由合作方或网友上传,本站不对文档的完整性、权威性及其观点立场正确性做任何保证或承诺!文档内容仅供研究参考,付费前请自行鉴别。
3、如文档内容存在违规,或者侵犯商业秘密、侵犯著作权等,请点击“违规举报”。

碎片内容

2021年江西省中考化学真题(含答案)

您可能关注的文档

确认删除?
VIP
微信客服
  • 扫码咨询
会员Q群
  • 会员专属群点击这里加入QQ群
客服邮箱
回到顶部