电脑桌面
添加小米粒文库到电脑桌面
安装后可以在桌面快捷访问

污泥处理和处置VIP免费

污泥处理和处置_第1页
1/10
污泥处理和处置_第2页
2/10
污泥处理和处置_第3页
3/10
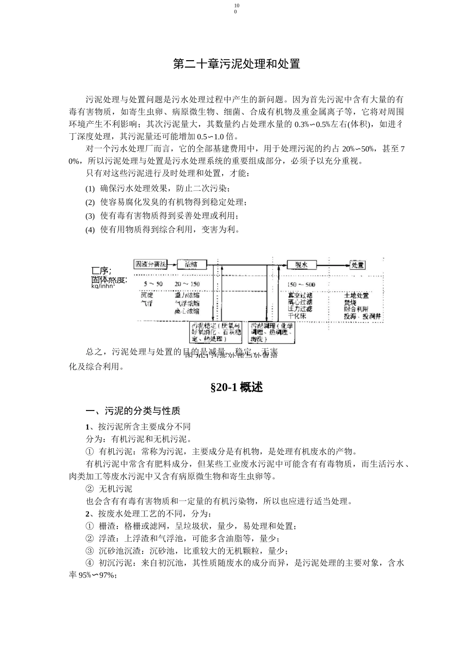
100匸序;■■"■-"■■-■-Il■III1固体熬度:kg/inhn1图20-1污泥处理与处置流第二十章污泥处理和处置污泥处理与处置问题是污水处理过程中产生的新问题。因为首先污泥中含有大量的有毒有害物质,如寄生虫卵、病原微生物、细菌、合成有机物及重金属离子等,它将对周围环境产生不利影响;其次污泥量大,其数量约占处理水量的0.3%〜0.5%左右(体积),如进彳丁深度处理,其污泥量还可能增加0.5〜1.0倍。对一个污水处理厂而言,它的全部基建费用中,用于处理污泥的约占20%〜50%,甚至70%,所以污泥处理与处置是污水处理系统的重要组成部分,必须予以充分重视。只有对这些污泥进行及时处理和处置,才能:(1)确保污水处理效果,防止二次污染;(2)使容易腐化发臭的有机物得到稳定处理;(3)使有毒有害物质得到妥善处理或利用;(4)使有用物质得到综合利用,变害为利。总之,污泥处理与处置的目的是减量、稳定、无害化及综合利用。§20-1概述一、污泥的分类与性质1、按污泥所含主要成分不同分为:有机污泥和无机污泥。①有机污泥:常称为污泥,主要成分是有机物,是处理有机废水的产物。有机污泥中常含有肥料成分,但某些工业废水污泥中可能含有有毒物质,而生活污水、肉类加工等废水污泥中又含有病原微生物和寄生虫卵等。②无机污泥也会含有有毒有害物质和一定量的有机污染物,所以也应进行适当处理。2、按废水处理工艺的不同,分为:①栅渣:格栅或滤网,呈垃圾状,量少,易处理和处置;②浮渣:上浮渣和气浮池,可能多含油脂等,量少;③沉砂池沉渣:沉砂池,比重较大的无机颗粒,量少;④初沉污泥:来自初沉池,其性质随废水的成分而异,是污泥处理的主要对象,含水率95%〜97%;V1,W1,p1V2,W2,p2(20-100—p2100—p1101⑤腐殖污泥和剩余活性污泥:分别来自生物膜法和活性污泥法后的二沉池的污泥,其含水率分别为97%、99.2%~99.6%;特征:含有机物质,含水率高,易腐化发臭,难脱水,是污泥处理的主要对象;⑥消化污泥:生污泥(初沉池、腐殖污泥、剩余活性污泥)经厌氧消化处理后产生的污泥,含水率97%;⑦化学污泥:用混凝、化学沉淀等化学方法处理废水所产生的污泥。二、污泥性质参数1、含水率p污泥中所含水分的重量与污泥总重量之比为污泥含水率。污泥含水率一般都很高,密度接近于水。污泥含水率对污泥特性有重要影响。不同污泥,含水率差别很大。污泥体积、重量及所含固体物浓度之间的关系,可用下式表示VW=—1VW22式中:污泥含水率为P]%时的污泥体积、重量与固体物浓度;污泥含水率为p2%时的污泥体积、重量与固体物浓度。由式(20-1)可知,当污泥含水率由99%降到98%时,或由98%降到96%,或由97%降到94%,污泥体积均能减少一半。也即:污泥含水率越高,降低污泥的含水率对减容的作用则越大。式(20-1)适用于含水率大于65%的污泥。(因含水率低于65%以后,污泥内出现很多气泡,体积与重量不再符合式(20-1)关系)。不同含水率下的污泥状态如表20-1所示。表20-1污泥含水率及其状态含水率污泥状态90%以上几乎为液体80%〜90%粥状物70%〜80%柔软状60%〜70%几乎为固体50%黏土状2、挥发性固体和灰分挥发性固体又称灼烧减重,近似地等于有机物含量;灰分又称灼烧残渣,表示无机物含量。3、污泥的相对密度/湿污泥比重污泥的相对密度等于污泥重量与同体积的水重量之比值。由于水的相对密度为1,所以污泥的相对密度Y可用下式表示:(20-6)(20-102p+(100-p)100yY==s(20-2)100-ppY+(100-p)'p十sYs式中:Y――污泥的相对密度;p――污泥含水率,%;Ys――污泥中干固体平均相对密度。干固体包括有机物(即挥发性固体)和无机物(即灰分)2种成分,其中有机物所占百分比及其相对密度分别用pv、Yv表示,无机物的相对密度用Ya表示,则污泥中干固体平均相对密度Ys可用下式计算:100_p100—p=—v+vYYYsva即Y=100Y^Yr(20-4)s100Y+p(Y—Y)vvav有机物相对密度一般等于1,无机物相对密度约为2.5〜2.65,若以2.5计,贝V式(20-4)可简化为:Y=250(20-5)s100+1.5pv将式(20-5)代入式(20-2)得污泥相对密度的最终计算式:25000250p+(100—p)(100+1.5p)确定污泥相对密度和污泥中干固体相对密度,对于浓缩池的设计、污泥运输...

1、当您付费下载文档后,您只拥有了使用权限,并不意味着购买了版权,文档只能用于自身使用,不得用于其他商业用途(如 [转卖]进行直接盈利或[编辑后售卖]进行间接盈利)。
2、本站所有内容均由合作方或网友上传,本站不对文档的完整性、权威性及其观点立场正确性做任何保证或承诺!文档内容仅供研究参考,付费前请自行鉴别。
3、如文档内容存在违规,或者侵犯商业秘密、侵犯著作权等,请点击“违规举报”。

碎片内容

污泥处理和处置

您可能关注的文档

确认删除?
VIP
微信客服
  • 扫码咨询
会员Q群
  • 会员专属群点击这里加入QQ群
客服邮箱
回到顶部