电脑桌面
添加小米粒文库到电脑桌面
安装后可以在桌面快捷访问

博源厂区给排水管网施工方案VIP免费

博源厂区给排水管网施工方案_第1页
1/29
博源厂区给排水管网施工方案_第2页
2/29
博源厂区给排水管网施工方案_第3页
3/29
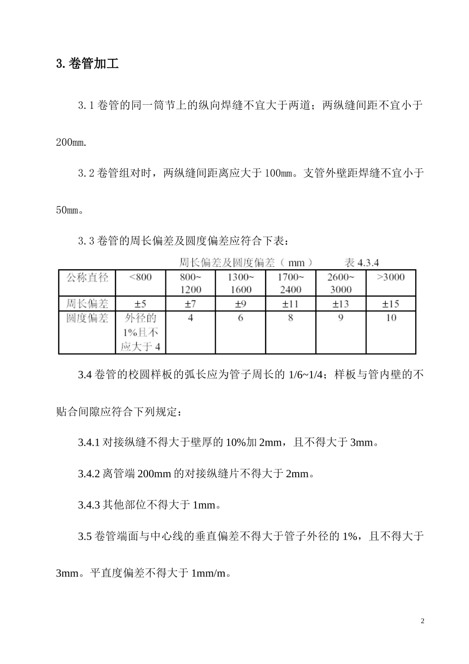
1.工程概况:本工程为内蒙古博源联合化工60万吨/年甲醇项目界区及其周边地下管网工程。该工程主要包括收集厂区道路生产、生活给水管(包括加压后)、消防给水管、回用(绿化)水管、生活和生产污水管、循环给回水管、酸性循环给回水管共计10条管线.该部分工程主要包括焊接钢管、无缝钢管、钢筋混凝土排水管道。钢管采用焊接连接,钢筋混凝土管采用橡胶圈接口。钢筋混凝土排水管基础采用1800砂石基础。2.编制依据2.1东华工程科技股份有限公司设计内蒙古博源联合化工100万吨/年甲醇项目给排水施工图2.2《给排水管道工程施工验收规范》GB50268-97。2.3《建筑给排水及采暖工程施工质量验收规范》GB50242-20022.4《工业金属管道工程施工及验收规范》GB50235-97。2.5《现场设备、工艺管道焊接工程施工及验收规范》GB50236-98。2.6《工业设备、管道防腐工程施工及验收规范》HGJ229-91。13.卷管加工3.1卷管的同一筒节上的纵向焊缝不宜大于两道;两纵缝间距不宜小于200mm.3.2卷管组对时,两纵缝间距离应大于100mm。支管外壁距焊缝不宜小于50mm。3.3卷管的周长偏差及圆度偏差应符合下表:3.4卷管的校圆样板的弧长应为管子周长的1/6~1/4;样板与管内壁的不贴合间隙应符合下列规定:3.4.1对接纵缝不得大于壁厚的10%加2mm,且不得大于3mm。3.4.2离管端200mm的对接纵缝片不得大于2mm。3.4.3其他部位不得大于1mm。3.5卷管端面与中心线的垂直偏差不得大于管子外径的1%,且不得大于3mm。平直度偏差不得大于1mm/m。23.6焊缝不能双面成型的卷管,当公称直径大于或等于600mm时,宜在管内进行封底焊。3.7在卷管加工过程中,应防止板材表面操作。对有严重伤痕的部位必须进行修磨,使其圆滑过渡,且修磨处的壁厚不得小于设计壁厚。4.管道材料4.1管道组成件及管道附件必须具有制造厂的质量证明书,并符合国家标准的规定。4.2碳钢管材、管件均应有出厂合格证,出库到现场使用前应按设计要求核对其规格、材质及标准,并应进行外观检查,其外观符合下列条款要求。4.2.1无裂纹、缩孔、夹渣、重皮等缺陷。4.2.2不超过壁厚偏差的锈蚀和凹陷。4.3混凝土管道不得有裂缝、保护层脱落、空鼓、接口掉角等缺陷.4.4管道在运输过程中要小心谨慎,采取措施保证管道不致受损.4.5阀门必须有合格证,安装应检查填料,压盖螺栓需有足够的调节余量。35.管道防腐:5.1管道防腐施工应按照设计规定和有关规范的要求进行。5.2不得在雨、雾、湿度大于85%或5级以上大风中露天施工。5.3碳钢管道采用环氧煤沥青涂料和玻璃纤维布加强级防腐施工应符合下列规定:5.3.1埋地管道及钢构件防腐层实施前表面应清除油垢、灰渣、铁锈、氧化铁皮,无条件的钢表面可以采用手工和动力机械除锈,除锈等级达到St3级。即《涂装前钢材表面锈蚀等级和除锈等级》GB8923-1988或《石油化工设备和管道涂料防腐蚀技术规范》SH3022-1999中的级别。5.3.2玻璃丝布规格为:10×12根/㎝~12×12根/㎝。环氧煤沥青涂料为:常温固化型。涂覆层结构为:底漆—青漆—玻璃布—青漆—玻璃布—青漆—青漆,即一底二布四油加强级防腐。5.3.3管道表面处理后,应于当天涂刷底漆,以免返锈。施工前应保证表面干净、干燥。管段防腐处理在地面上进行,并预留约150㎜的焊缝区,管段焊接后,接头处按管段的方法防腐,防腐层与管段上防腐层搭接宽度不小于50㎜。46.管沟开挖6.1管沟开挖前,应预先了解地下障碍物(如电缆、原有管道等)的分布情况,以免施工时遭到破坏。6.2管沟开挖前测量放线,测量人员根据甲方提供的现场标准水准点和轴线控制点、根据管沟开挖先后顺序进行测量放线.6.3管沟开挖时不得扰动管底处原土,直接施工管道。如果管道处在松动的土层上,采用3:7灰土夯实,压实系数不小于0.94。分层夯实。如管沟开挖时沟槽底遇粉砂、细砂,下卧层为透水层,则需根据具体情况采用适当的桩基础等加固措施,在管道施工时和施工后,附近工程的降水应防止出现流砂而影响管道的工程质量和使用。管道施工时如遇不良地质,应及时通知设计方采取必要措施。6.4主要主干管道管沟开挖采用反铲挖掘机或装载机施工,多条相近平行管道可开挖一条宽沟,并根据管道不同的标高进行分层人工开挖.修整及...

1、当您付费下载文档后,您只拥有了使用权限,并不意味着购买了版权,文档只能用于自身使用,不得用于其他商业用途(如 [转卖]进行直接盈利或[编辑后售卖]进行间接盈利)。
2、本站所有内容均由合作方或网友上传,本站不对文档的完整性、权威性及其观点立场正确性做任何保证或承诺!文档内容仅供研究参考,付费前请自行鉴别。
3、如文档内容存在违规,或者侵犯商业秘密、侵犯著作权等,请点击“违规举报”。

碎片内容

博源厂区给排水管网施工方案

确认删除?
VIP
微信客服
  • 扫码咨询
会员Q群
  • 会员专属群点击这里加入QQ群
客服邮箱
回到顶部