电脑桌面
添加小米粒文库到电脑桌面
安装后可以在桌面快捷访问

成品啤酒的质量标准与质量评价VIP免费

成品啤酒的质量标准与质量评价_第1页
1/8
成品啤酒的质量标准与质量评价_第2页
2/8
成品啤酒的质量标准与质量评价_第3页
3/8
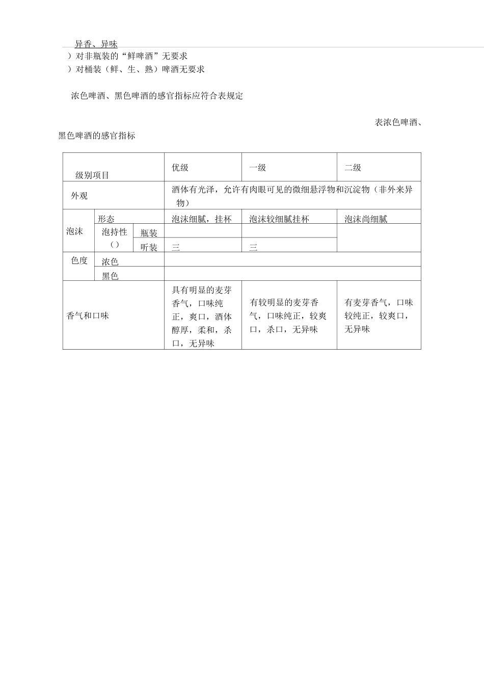
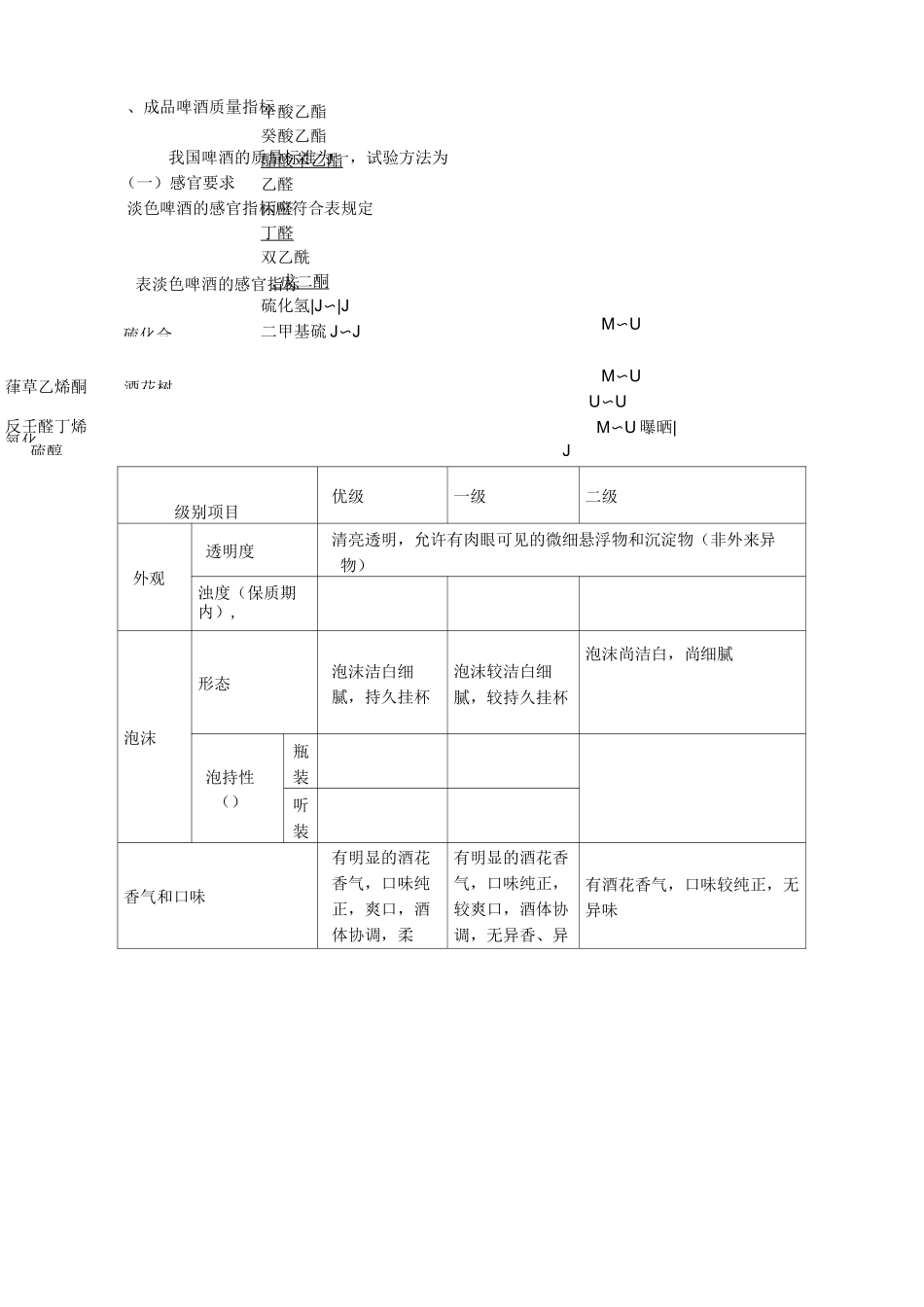
第三节成品啤酒的质量标准与质量评价一、成品啤酒的质量啤酒的成分啤酒的成分种类很多,主要有以下几种:•酒精标贴上注明酒精含量,以供消费者选择。我国习惯以质量分数表示酒精含量。各种啤酒的酒精含量不同,主要取决于原麦芽汁浓度和啤酒发酵度。一般〜啤酒的酒精质量分数为〜,微量酒精使人兴奋略有醉意,但不会酩酊大醉,同时酒精又是啤酒热价的主要来源。•浸出物(真正浓度)残留在啤酒中的浸出物称真正浓度,由原麦芽汁浓度和啤酒发酵度决定。麦汁发酵后,只有少量的可发酵性糖残留于啤酒中,用还原糖法测麦芽糖,一般在〜之间。啤酒中的非发酵性的糖主要是低聚糖、糊精、B葡聚糖和戊聚糖。•二氧化碳啤酒中的二氧化碳是发酵过程中产生并溶解于啤酒中的,也有人工补充的。二氧化碳含量在〜之间,有利于啤酒起泡性,饮后给人以舒服刺激感,即啤酒的杀口力。如啤酒缺乏二氧化碳,只是乏味的苦水,就不能称为啤酒。•挥发性成分啤酒除酒精外,还有高级醇类、醛、酮、脂肪酸和有机酸、脂类和硫化物等,微量的挥发性物质是构成啤酒的风味成分,见表。双乙酰已列为我国啤酒质量指标之一,其含量高低决定啤酒是否成熟,当其含量超过时,能尝出馊饭味,给人不愉快的感觉,因此消费者喜爱低双乙酰的啤酒。表啤酒中的一些香气和风味化合物挥发性物质分类名称阈值啤酒中含量高级醇正丙醇正丁醇异丁醇异戊醇活性戊醇总高级醇B—苯乙醇酪醇色醇酯总挥发酯乙酸乙酯乙酸异戊酯丁酸乙酯己酸乙酯硫化合酒花树氧化辛酸乙酯癸酸乙酯醋酸苯乙酯乙醛丙醛丁醛双乙酰,戊二酮硫化氢|J〜|J二甲基硫J〜J葎草乙烯酮反壬醛丁烯硫醇M〜UM〜UU〜UM〜U曝晒|J、成品啤酒质量指标我国啤酒的质量标准为一,试验方法为(一)感官要求淡色啤酒的感官指标应符合表规定表淡色啤酒的感官指标级别项目优级一级二级外观透明度清亮透明,允许有肉眼可见的微细悬浮物和沉淀物(非外来异物)浊度(保质期内),泡沫形态泡沫洁白细腻,持久挂杯泡沫较洁白细腻,较持久挂杯泡沫尚洁白,尚细腻泡持性()瓶装听装香气和口味有明显的酒花香气,口味纯正,爽口,酒体协调,柔和,无有明显的酒花香气,口味纯正,较爽口,酒体协调,无异香、异味有酒花香气,口味较纯正,无异味异香、异味)对非瓶装的“鲜啤酒”无要求)对桶装(鲜、生、熟)啤酒无要求浓色啤酒、黑色啤酒的感官指标应符合表规定表浓色啤酒、黑色啤酒的感官指标级别项目优级一级二级外观酒体有光泽,允许有肉眼可见的微细悬浮物和沉淀物(非外来异物)泡沫形态泡沫细腻,挂杯泡沫较细腻挂杯泡沫尚细腻泡持性()瓶装听装三三色度浓色黑色香气和口味具有明显的麦芽香气,口味纯正,爽口,酒体醇厚,柔和,杀口,无异味有较明显的麦芽香气,口味纯正,较爽口,杀口,无异味有麦芽香气,口味较纯正,较爽口,无异味异香、异味异香、异味级别项目优级一级二级酒精度(),()[或()]大于、等于2:]2:]2:]2:]2:]2:]2:]2:]2:]2:]等于、小于2:]2:]原麦汁浓度()大于、等于一等于、小于一总酸大于、等于理化指标符合表的要等于、小于二氧化碳(),()双乙酰蔗糖转化酶活性()呈阳性)不包括低醇啤酒)为标签上标注的原麦汁浓度,一一为允许的负偏差)桶装(鲜、生、熟)啤酒二氧化碳不得小于())仅对生啤酒和鲜啤酒有要求浓色啤酒、黑色啤酒的理化指标应符合表规定表浓色啤酒、黑色啤酒的理化指标级别项目优级一级二级度>>精-W((一大于、等于2:]2:]2:]2::2:]2::2:]2::2:]2::等于、小于2:]2::原麦汁浓度()大于、等于一等于、小于一总酸二氧化碳(),())不包括低醇啤酒。)为标签上标注的原麦汁浓度,一一为允许的负偏差。)桶装(鲜、生、熟)啤酒二氧化碳不得小于()。(三)保质期瓶装、听装熟啤酒保质期不少于(优级、一级),(二级);瓶装鲜啤酒保质期不少于;罐装、桶装鲜啤酒保质期不少于。(四)卫生指标卫生指标按发酵酒卫生标准执行。感官指标澄清清亮,允许有肉眼可见的微细悬浮物和沉淀物(非外来异物),无异臭及异味。理化指标项目指标二氧化硫残留量(游离计)・黄曲霉毒素含量P•W铅残留量(以计)・W二甲基亚硝胺含量p・细菌指标符合...

1、当您付费下载文档后,您只拥有了使用权限,并不意味着购买了版权,文档只能用于自身使用,不得用于其他商业用途(如 [转卖]进行直接盈利或[编辑后售卖]进行间接盈利)。
2、本站所有内容均由合作方或网友上传,本站不对文档的完整性、权威性及其观点立场正确性做任何保证或承诺!文档内容仅供研究参考,付费前请自行鉴别。
3、如文档内容存在违规,或者侵犯商业秘密、侵犯著作权等,请点击“违规举报”。

碎片内容

成品啤酒的质量标准与质量评价

wxg+ 关注
实名认证
内容提供者

该用户很懒,什么也没介绍

确认删除?
VIP
微信客服
  • 扫码咨询
会员Q群
  • 会员专属群点击这里加入QQ群
客服邮箱
回到顶部